EasyManua.ls Logo

Panasonic QUASAR PV-C1320

Panasonic QUASAR PV-C1320
187 pages
To Next Page IconTo Next Page
To Next Page IconTo Next Page
To Previous Page IconTo Previous Page
To Previous Page IconTo Previous Page
Loading...
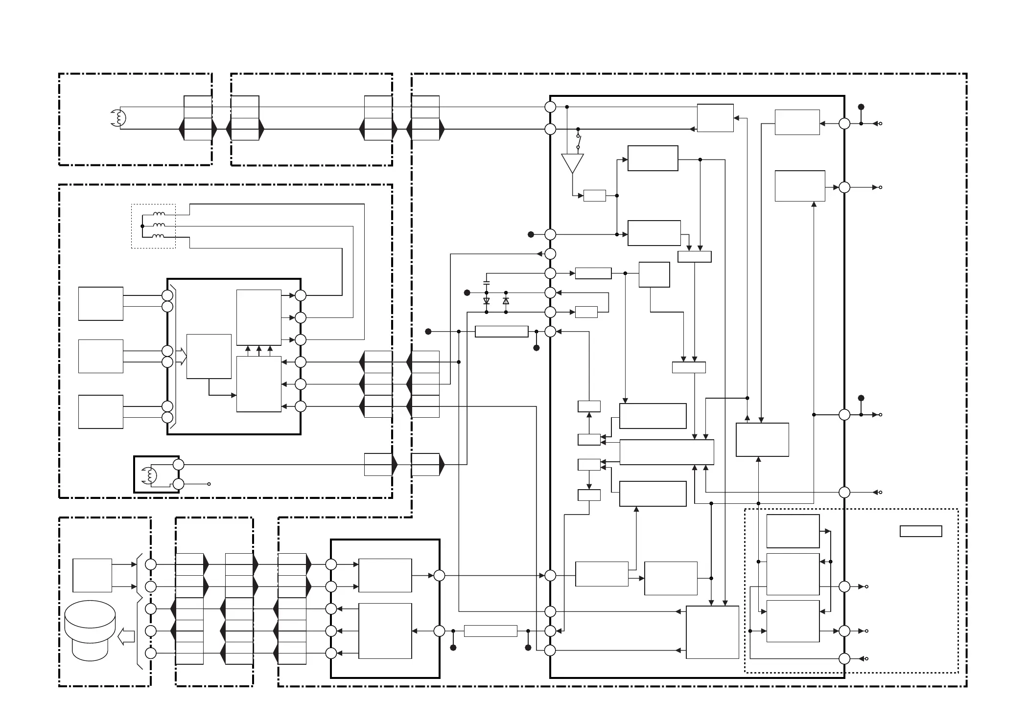
AUDIO CONTROL HEAD UNIT
HEAD AMP C.B.A.
CONTROL
HEAD
P4092
5
P4092
6
P4091
5
P4091
6
P6202
5
P6202
2
P2601
5
P2601
2
CAPSTAN STATOR C.B.A.
CAPSTAN
COIL
HALL
TRANSIS-
TOR
IC2501 (CAPSTAN MOTOR DRIVE)
POSITION
SIGNAL
PROCESS
DIFFER-
ENTIAL
AMP
HALL
TRANSIS-
TOR
HALL
TRANSIS-
TOR
GND
MR HEAD
Q2501
Q2502
Q2503
4
3
6
5
2
1
25
P2502
9
P2502
4
P2502
10
P2502
8
P6201
9
P6201
4
P6201
10
P6201
8
24
22
10
7
12
86
85
+
-
PB-ON
IC6001 (SERVO MICROCONTROLLER)
POSITIVE PB
CTL SLICER
AMP
CAPSTAN DIRECTION CONTROL
SCHMIT
AMP
COUNT
DOWN
NEGATIVE PB
CTL SLICER
SELECT
PG
SELECT
PWM
MIX
CAPSTAN SPEED
COMPENSATOR
CYLINDER/ CAPSTAN
PHASE COMPENSATOR
MIX
CYLINDER SPEED
COMPENSATOR
PWM
REC CTL
/ TR MM
GENERATOR
HEAD AMP
CONTROL
ROTARY
SIGNAL
GENERATOR
HEAD AMP
SELECT
SIGNAL
GENERATOR
PG/ FG
SEPARATOR
FORCED ACCELERATION
HEAD SW
SIGNAL
GENERATOR
SLOW
/STILL
CONTROL
TP6202
INTEGRATION
INTEGRATION
TP6211
CAP TORQUE LIMIT
(TO IC3501(32))
HEAD AMP SW
(FROM IC3501(33))
ENVELOPE DET
(TO IC3001(49))
ROTARY SW
(FROM IC3001(14))
V-SYNC
(WITH 4 HEAD)
(TO IC3501(1))
HEAD SW PULSE
TP6205
(TO IC3001(13))
V-LOCK PULSE
(FROM IC3001(40))
ENVELOPE
VOLTAGE
TP6003
ENVELOPE
DETECTOR
V-LOCK
PULSE
GENERATOR
REC CTL
AMP
9
52
4
97
89
53
95
94
93
10
TP6203
TP6201
TP6209
TP6207
100
62
30
29
81
31
24
TV/VCR MAIN C.B.A.
IC2601 (CYLINDER MOTOR DRIVE)
HALL
IC
PG/FG PULSE
GENERATOR
CYLINDER
MOTOR
DRIVE
CYLINDER
MOTOR
P6202
9
P6202
7
P6202
10
P6202
11
P6202
12
7
6
1
2
16
4
9
HEAD AMP C.B.A.
CYLINDER UNIT
P3501
4
P3501
6
P3501
3
P3501
2
P3501
1
P2601
9
P2601
7
P2601
10
P2601
11
P2601
12
CAPSTAN
MOTOR
DRIVE
2
3
IC2505
NOT USED

Related product manuals