EasyManua.ls Logo

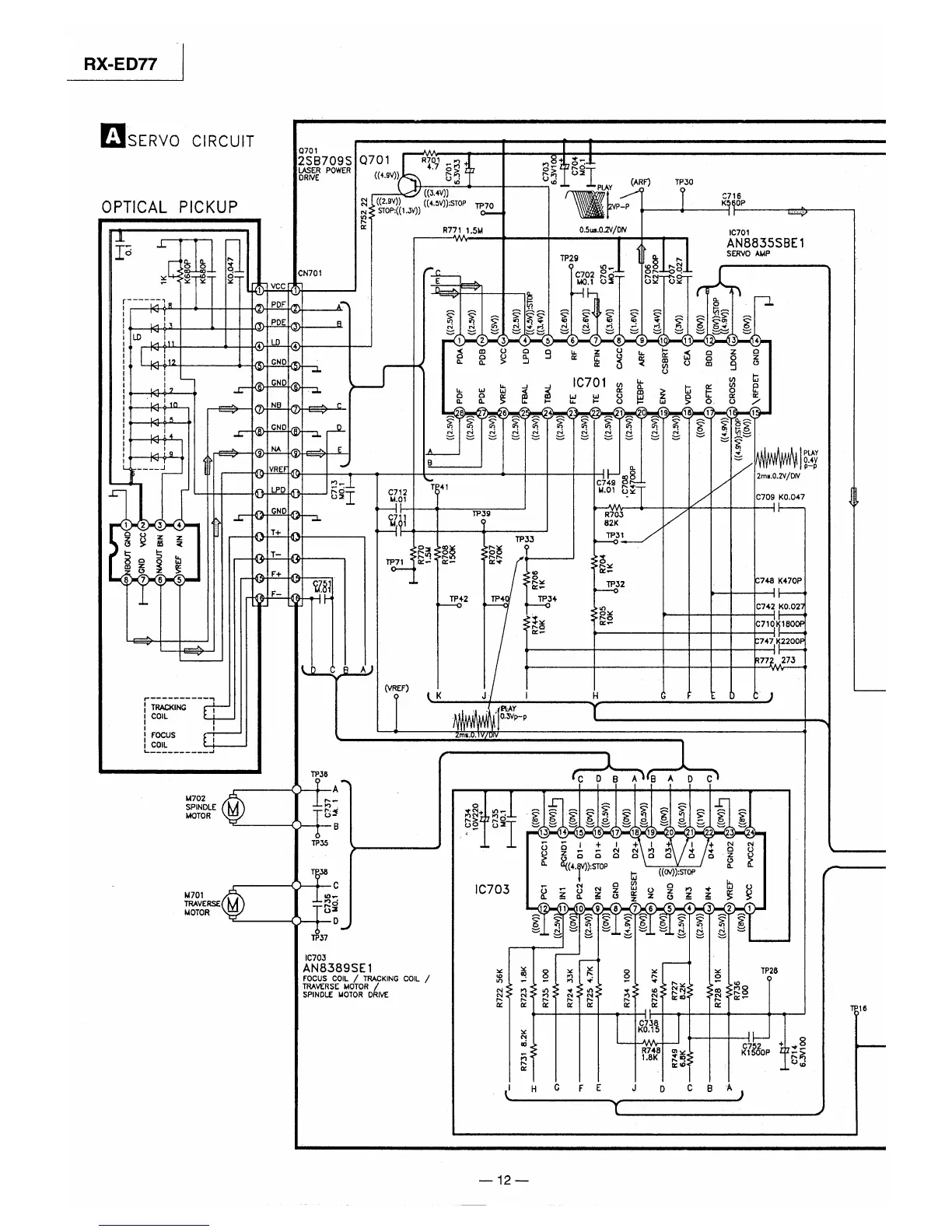
Panasonic RX-ED77 - Servo Circuit

Panasonic RX-ED77
44 pages
Print Icon
To Next Page IconTo Next Page
To Next Page IconTo Next Page
To Previous Page IconTo Previous Page
To Previous Page IconTo Previous Page
Loading...

Other manuals for Panasonic RX-ED77

Related product manuals