EasyManua.ls Logo

Panasonic S-140MF2E5A - Page 218

Panasonic S-140MF2E5A
360 pages
Print Icon
To Next Page IconTo Next Page
To Next Page IconTo Next Page
To Previous Page IconTo Previous Page
To Previous Page IconTo Previous Page
Loading...
6-4
Electrical Data
1
2
3
4
5
6
7
8
9
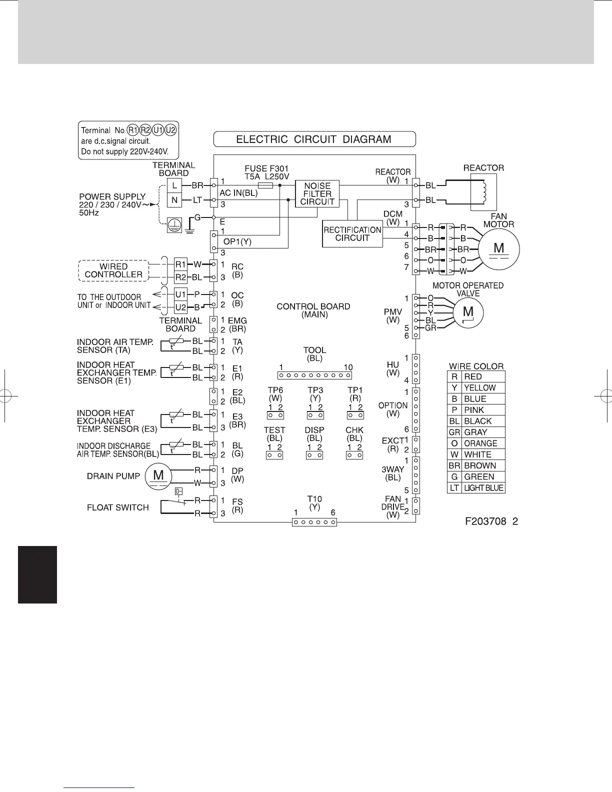
3. Low Silhouette Ducted
(1) Electric Wiring Diagram S-15MF2E5A/22MF2E5A/28MF2E5A/36MF2E5A/45MF2E5A/56MF2E5A/60MF2E5A/
73MF2E5A/90MF2E5A/106MF2E5A/140MF2E5A/160MF2E5A
TD831172-00VRFSYSINDOOR.indb4TD831172-00VRFSYSINDOOR.indb4 2014/06/1615:23:492014/06/1615:23:49

Table of Contents

Other manuals for Panasonic S-140MF2E5A

Related product manuals