EasyManua.ls Logo

Panasonic SA-PM65MD - Page 117

Panasonic SA-PM65MD
144 pages
Print Icon
To Next Page IconTo Next Page
To Next Page IconTo Next Page
To Previous Page IconTo Previous Page
To Previous Page IconTo Previous Page
Loading...
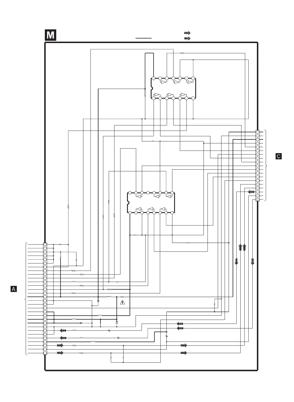
SCHEMATIC DIAGRAM-18
MD CONNECTOR CIRCUIT
C415
50V2.2
C515
50V2.2
C951
25V10
CS608B
C878
10V330
C877
6V100
R893
220
R889
2.2K
R894
10K
R887
5.6K
R886
470
R892
1.2K
FP871
1250
R888
5.6K
R891
2.7K
R890
2.7K
R883
470
R514
5.6K
R414
5.6K
D871
C514
560P
C414
560P
L881
L880
L882
L877
L875
100µH
L515
L415
10µH
C880
0.01
C893
27P
C885
0.01
C887
1000P
C879
68P
C888
0.1
C884
0.1
C882
0.1
C873
0.01
C881
0.047
CS605
8
9
10
11
12
13
14
7
6
5
43
2
1
IC802
TC74HCT7007A
9
10
1112
13
14
15
16
87
6
5
43
2
1
IC803
TC4050BF
D5V
OPIN
CDTX
LOADSW
MD_CS
MD_REQ
MD_CLK
D5V
A3.3V
Vcc
GND
NC
NC
Vcc
GND
10µH
10µH
10µH
IC803
IC802
19
18
17
16
15
14
13
12
11
10
9
8
7
6
5
4
3
2
1
10
9
8
7
6
5
4
3
2
1
11
12
13
14
15
16
17
18
19
20
21
22
23
24
25
26
27
28
29
30
TO
MD SERVO
CIRCUIT
(CN4) on
SCHEMATIC
DIAGRAM-6
TO
MAIN CIRCUIT
(CS608A) on
SCHEMATIC
DIAGRAM-9
MD_LCH
DAGND
MD_RCH
A+3.3V
RECIN_R
MOTOR_GND
MD5V
MD5V
MD3.3V
L+5V
LOADSW
AGND
DGND
HEAD+5V
MD_SYSRST
MD_DATAOUT
MD_DATAIN
MD_CLK
MD_CS
MD_REQ
RX2(DIN2)
RX1(DIN1)
LED3
LED2
LED1
KEY2
KEY1
MOTOR_GND
RECIN_L
A3.3V
: +B signal line
3V TO 5V
5V TO 3V
<3.21V>(3.2V)
((3.24V))
<4.84V>(4.8V)
((4.84V))
<3.06V>(3.0V)
((3.07V))
<4.63V>(4.68V)
((4.63V))
<0V>(3.26V)
((1.61V))
<4.96V>(5.01V)
((2.48V))
<0V>(0V)
((0V))
<0V>(0V)
((0V))
<0V>(0V)
((0V))
<0V>(0V)
((0V))
<0V>(0V)
((0V))
<0V>(0V)
((0V))
<0.02V>(0.19V)
((0V))
<4.96V>(5.01V)
((4.95V))
<0V>(0V)
((3.33V))
<0V>(0V)
((0.12V))
<0V>(0V)
((0.15V))
<0V>(3.3V)
((3.3V))
<0V>(0.4V)
((1.17V))
<0V>(3.3V)
((3.33V))
<0V>(4.96V)
((4.92V))
<0V>(0V)
((0V))
<4.83V>(4.86V)
((4.87V))
<3.26V>(3.25V)
((3.26V))
<0V>(0V)
((0V))
<0V>(0V)
((0V))
<0V>(0V)
((0.15V))
<4.54V>(4.53V)
((4.48V))
<3.02V>(3V)
((3.05V))
<0V>(0V)
((0.25V))
: MD Signal line
: MD Rec Signal line

Related product manuals