EasyManua.ls Logo

Panasonic SA-PT465E - Page 20

Panasonic SA-PT465E
29 pages
Print Icon
To Next Page IconTo Next Page
To Next Page IconTo Next Page
To Previous Page IconTo Previous Page
To Previous Page IconTo Previous Page
Loading...
F
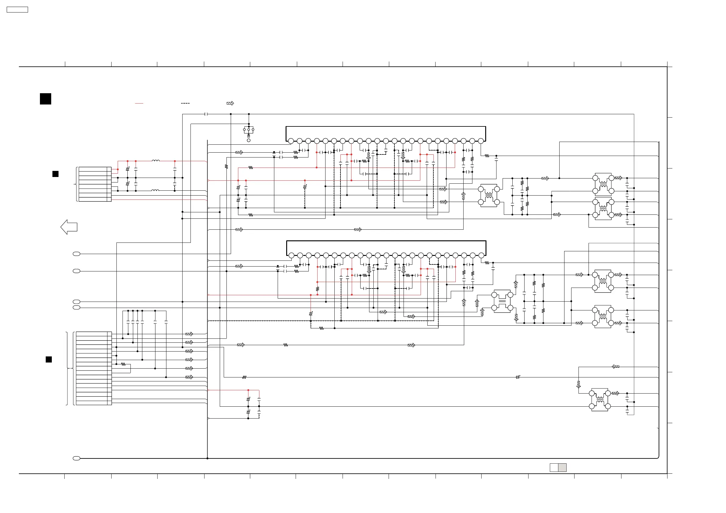
SCHEMATIC DIAGRAM - 13
D-AMP CIRCUIT
B
TO
MAIN CIRCUIT
(CN2009)
IN SCHEMATIC
DIAGRAM - 6
H
TO
SMPS CIRCUIT
(H5801*)
IN SCHEMATIC
DIAGRAM - 16
SA-PT465E D-AMP CIRCUIT
1
2
3
4
5
1/2 2/2
TO D-AMP
SECTION (1/2)
: MAIN SIGNAL LINE
: +B SIGNAL LINE : -B SIGNAL LINE
15 16 17 18 19 20 21 22 23 24 25 26 27 28
15 16 17 18 19 20 21 22 23 24 25 26 27 28
A
B
D
E
F
H
G
C
C5051
0.1
C5052
0.1
0.1
C5050
C5053
0.1
2
43
1
G0B9R5K00003
L5001
G0B9R5K00004
L5002
FL+
FL_+
FR-
FR+
FR_+
FL-
2
43
1
G0B9R5K00004
L5201
C-
C5250
0.1
C5251
0.1
C+
C_+
C5150
C5152
C5155
C5151
C5522
0.1
C5523
0.1
35V470
C5509
35V470
C5508
6
5
8
9
11
12
10
14
15
13
7
2
1
1
4
3
17
17
16
CN5050
VSSP
VDDP
C5020
0.1
C5008
0.015
220P
C5010
0.1C5019
R5004
10
R5005
10
220P
C5012
35V470
C5513
L5500
J0JKB0000020
0.1
AGND
0.1
C5514
35V470
C5512
0.1
C5519
0.1
C5515
L5501
J0JKB0000020
C5518
0.1
5
6
1
3
4
2
8
7
CN5500
1000V22
C5040
VSSP
VSSP
C5510
35V470
C5511
35V470
C5521
0.1
10
R5010
VDDP
C5520
0.1
VDDA0
VDDP
0.1C5018
C5030
220P
32 1
ZJ5400
C5445
C5004
0.47
R5002
5.6K
C5002
0.47
5.6K
R5000
C5001
1000P
330P
C5006
C5025
0.1
C5024
0.1
10
R5011
OSC
IN+_FR
IN+_FR
IN+_FL
IN+_FL
IN+_SW
VSSA0
C5014
0.68
C5015
0.68
R5006
22
R5007
22
R5031
5.6K
C5016
0.1
R5030
5.6K
0.1
C5017
2
43
1
L5000
G0A150L00003
C5000
1000P
5.6K
R5003
0.47
C5005
1000P
C5032
R5008
100
C5007
330P
R5001
5.6K
C5003
0.47
2
43
1
L5002
220P
C5011
0.1C5023
0.1C5021
C5028
0.1
C5027
0.1
16V10
C5602
C5031
0.22
C5009
0.015
220P
C5013
19 21 23222010213 7894 5 6 12 1514 17 18161311
C5022
0.1
AUDIO DIGITAL POWER AMP
MODE1
MODE2
SGND1
OUT1
VSSP1
PROT
VDDP1
BOOT1
OUT2
BOOT2
VSSP2
VSSD
VSSA2
VDDP2
STABI
VSSA1
AGND
AGND
REAR R/SUBWOOFER
FRONTL
FRONT R
SIGNAL A_GND
SURROUND L
REAR L/AGND
CENTER
AGND
SURROUND R
IN1-
VDD
GND
VSS
VDD
GND
OSC
IN1+
FAN DC
FAN_DC
FAN GND
FAN_GND
VSS
VDDA1
MUTE S_C (MODE 1)
MUTE F_SW (MODE 2)
MUTE_S
MUTE_F
MOD_DA
MOD_DA
FHOP
OSC2/FAN
DC_DET
DC_DET
IN2+
MODE
SGND2
IN2-
VDDA2
IC5000
C1BA00000487
C5154
C5153
3300P
1000P
1000P
3300P
1000P
1000P
0.1C5402
220P
C5411
0.1C5410
0.1C5409
C5421
0.22
0.015
C5422
C5403
0.1
220P
C5425
R5405
10
220P
C5426
100V22
C5440
220P
C5407
C5418 0.1
C5424
R5402
10
330P
C5412
R5118
5.6K
C5120
C5117
1000P
R5119
5.6K
C5121
0.47
C5419 0.1
C5413
0.1
C5423
220P
C5416
0.1
VDDA4
VDDP
R5410
10
R5411
VSSP
VSSA4
OSC
IN+_SR
IN+_SL
10
C5119
1000P
0.47
C5107 R5104
5.6K
R5103
5.6K
C5106
330P
C5404
C5405
0.1
0.015
0.47
C5406
0.1
19 21 23222010 12 1514 17 18161311
OUT1
VSSP1
OUT2
VSSD
BOOT2
VSSP2
VSSA2
VDDP2
STABI
IN2+
MODE
SGND2
IN2-
VDDA2
23 5617894
SGND1
BOOT1
VSSA1
PROT
VDDP1
IN1-
OSC
IN1+
VDDA1
0.47
C5452
0.1
C5451
0.1
SR-
SL-
SR+
2
43
1
SL+
C5454
0.1
C5453
0.1
2
43
1
L5401
MODE1_2
SR_+
SL_+
R5037
5.6K
R5419
22
C5400
0.68
C5427
0.1
R5036
5.6K
R5400
22
C5401
0.1
2
43
1
L5400
G0A150L00003
C5428
0.68
R5404
100
C5431
1000P
IC5400
C1BA00000487
AUDIO DIGITAL POWER AMP
G0B9R5K00004
G0B9R5K00003
L5402
IN+_SR
IN+_C
IN+_SL
FHOP
K5302
0
W5007 0
W5032 0
0
K5405
SA-PT465E
20

Related product manuals