EasyManua.ls Logo

Panasonic SA-PT465E - D-Amp Circuit Schematics

Panasonic SA-PT465E
29 pages
Print Icon
To Next Page IconTo Next Page
To Next Page IconTo Next Page
To Previous Page IconTo Previous Page
To Previous Page IconTo Previous Page
Loading...
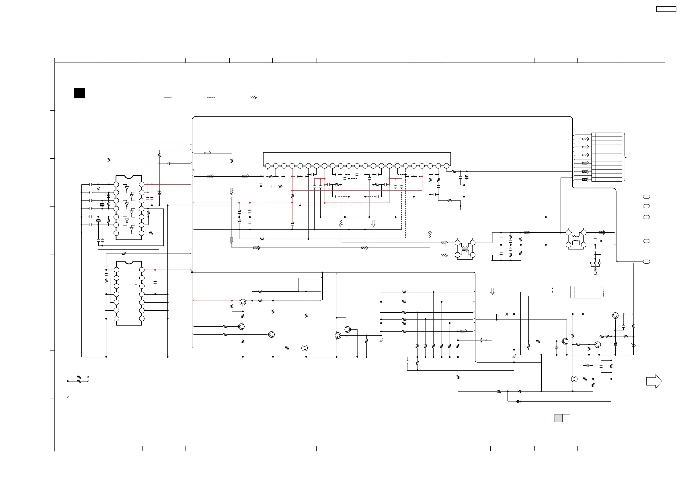
3.3. D-Amp Circuit
F
SCHEMATIC DIAGRAM - 12
D-AMP CIRCUIT
SA-PT465E D-AMP CIRCUIT
1/2 2/2
1
2
3
4
5
TO FAN
: MAIN SIGNAL LINE
TO D-AMP
SECTION (2/2)
TO SPEAKERS
: +B SIGNAL LINE : -B SIGNAL LINE
A
B
C
D
E
F
G
H
1234567891011121314
1234567891011121314
10K
R5657
6.3V220
C5692
2
43
1
L5301
32 1
ZJ5410
1
3
2
CN5501
C5693
FAN LOCK DETECT
FAN MOTOR DRIVE
FAN MOTOR DRIVE
FAN MOTOR DRIVE
0.1
100K
R5659
C5695
0.1
10K
R5655
25V22
C5696
D5640
MAZ81200ML
3.3K
R5639 R5640
0
Q5642
Q5642
2SC5854500L
1.8M
R5658
10
R5637
25V10
C5691
R5636
3.9K
B1BACD000018
Q5640
C5690
1000P
SW+
SW_+
C5350
0.1
C5351
0.1
SW-
FAN_DC
Q5644
2SC5854500L
10K
R5656
2SC5854500L
Q5641
10K
R5660
10K
R5606
B1ADCE000012
Q5603
R5608
10K
R5604
1.2K
R5610
1.2K
1.2K
R5611
R5603
10K
R5602
10K
Q5604
B1ABCF000176
B1ABCF000176
R5609
10K
Q5602
R5302
10
220P
C5307
35V470
C5516
1M
R5507
390P
C5552
X5500
X5500
H2A6023A0011
MAZ80510ML
D5503
10C5555
0.1
C5554
R5311
10
1M
R5508
100P
C5553
35V470
C5517
C5525
0.1
C5524
0.1
VDDA3
C5540
100V22
R5510
470
C5315
1000P
5.6K
R5307
0.47
C5317
C5562
6.3V1000
OSC
IN+_SW
FAN_DC
FAN_GND
C5312
330P
R5306
5.6K
C5314
0.47
C5313
0.1
VDDP
VSSP
C5316
0.1
C5323
220P
0.1C5319
0.1C5318
0.1
C5560
R5511
22
100P
C5561
SW+5V
5
6
4
1
2
3
9
11
13
14
12
10
7
8
IC5501
C0JBAF000716
VSSA3
10
R5310
R5505
100
47P
C5558
5
6
4
1
2
3
9
11
13
14
12
10
7
8
C0JBAB000902
INVERTER GATE
(CLOCK GENERATOR)
D-TYPE FLIP-FLOP
IC5500
OSC
SW+5V
SW+5V
MOD_DA
MUTE_F
MUTE_S
FL_+
SW_+
DC_DET
68KR5218
C_+
120KR5020
FR_+
R5019
68K
Q5101
B1ABCF000176
6.3V100
C5133
R5110
22K
1.2K
R5023
AGND
1.2KR5022
1.2KR5021
0.1
C5033
B1ABCF000176
Q5102
R5318 120K
R5607
1.2K
56K
R5654
0
R5670
MA2J11100L
DC_DET
FAN_GND
SIGNAL
D5645
50V1
C5697
C5694
16V33
MA2J11100L
D5644
D5643
MA2J11100L
R5035
5.6K
R5034
5.6K
220P
C5325
1000P
C5333
K5500
220P
C5326
R5304
100
C5304
330P
C5601
16V10
C5331
1000P
R5308
5.6K0.47
C5334
R5309
5.6K0.47
C5332
C5305
0.1
C5306
0.1
19 21 2322201023178945 6 12 1514 17 18161311
IC5300
C1BA00000487
AUDIO DIGITAL POWER AMP
C5324
0.015
C5321
0.22
C5302
0.1
0.1C5310
220P
C5311
0.1C5309
C5322
0.015
C5303
0.1
R5305
10
R5319
22
0.68
C5328
R5300
22
C5327
0.1
C5301
0.1
0.68
C5300
2
43
1
L5300
MODE2
MODE1
MODE1_2
MODE2
FAN GND
FAN DC OUT
CD2D1
SWITCH
SWITCH
Q5601
B1ABCF000176
SWITCH
SWITCH
DC DETECT
DC DETECT
GND
D2
SD1
SD2
SGND1
VSSD
OUT1
PROT
OUT2
BOOT2
VSSP1
VSSP2
STABI
VSSA2
VDDP2
VSSA1
BOOT1
VDDP1
OSC
VDDA1
6Y
5A
6A
VCC
O2
4Y
CP2
VCC
4A
5Y3A
2A
2Y
1A
1Y
3Y
O1
O1
O2
CP1
CD1
GND
IN1+
IN1-
MODE
IN2-
IN2+
SGND2
VDDA2
FAN LOCK
G0B9R5K00003
G0A150L00003
K5252
...PT465
...PT465
0
K5254
0
0
6
4
3
5
9
8
12
10
11
7
1
2
JK5001
CENTER +
FRONT L+
FRONT L-
FRONT R+
CENTER -
FRONT R-
SUBWOOFER -
SUBWOOFER +
SURROUND L+
SURROUND L-
SURROUND R+
SURROUND R-
C-
FR-
FL-
SL+
SR+
SL-
SR-
FL+
FR+
SW-
C+
SW+
R5114
R5317
R5327
1.2K
1.2K
1.2K
R5115 1.2K
SL_+
SR_+
68KR5113
120KR5111
R5504
22
FHOP
H2A7003A0011
0.01
C5550
D5502
D5501
100P
C5557
0.01
C5556
X5501
X5501
MA2J11100L
D5501 - D5502
R5506
1M
C5551
390P
C5559
47P
W5071 0
W5059
0
W5780 0
IN+_C
K5502
0
SA-PT465E
19

Related product manuals