EasyManua.ls Logo

Panasonic SA-PT465E - Page 18

Panasonic SA-PT465E
29 pages
Print Icon
To Next Page IconTo Next Page
To Next Page IconTo Next Page
To Previous Page IconTo Previous Page
To Previous Page IconTo Previous Page
Loading...
2
AB
B
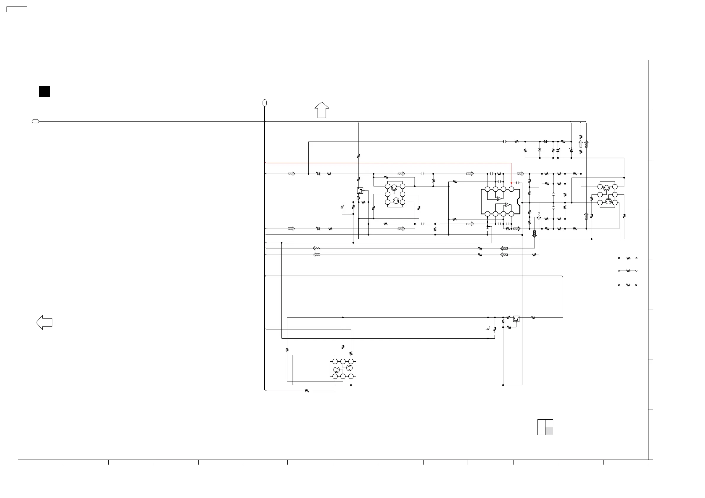
MAIN CIRCUIT
SCHEMATIC DIAGRAM - 9
1/4 2/4
3/4 4/4
SA-PT465E MAIN CIRCUIT
TO MAIN
SECTION (3/4)
TO MAIN
SECTION (2/4)
15 16 17 18 19 20 21 22 23 24 25 26 27 28
I
J
L
M
N
P
O
K
R2286
1.5K
C2281
1000P
C2279
82P
R2276
33K
C2278
100P
22
R2280
22
R2278
22
R2279
22
R2277
R2285
1.2K
27K
R2171
27KR2273
R2170
2.2K
C2280
0.1
1KR2216
R2116 1K
R2274
HEADPHONE AMP
6.8K
R2270 2.2K
C2180
0.1
B0ACCK000005
D2752
R2757
56K
B0ACCK000005
D2751
560
R2704
R2176
33K
SENSE1
B0BC5R000009
D2753
R2178
22
R2177
22
22
R2180
R2179
22
100
R2705
C2756
6.3V47
R2764
47K
R2185
1.2K
1.5K
R2186
C2181
1000P
R2172
1.8K
100P
C2178
4.7
C2194
4.7
C2294
C2751
1
R2271
56K
675
243
8
1
IC2102
C0AABB000125
R2187
1.2K
R2288
1.2K
R2174
6.8K
C2179
82P
27KR2173
2
3
1
5
4
6
B1HBECA00004
Q2101
50V1
C2277
R2275
1.2K
TV_L
MUTING
R2131
1.8K
MUTING CONTROL
R2118
56K
B1GDCFGA0018
Q2103
FL
50V1
C2177
R2134
2.2K
TV_R
R2207
2.2K
231
546
B1HBECA00004
Q2104
+7V
AGND
C2105 25V4.7
R2117 27K
B1GDCFGA0018
Q2203
MULTIROOM_AUX_MUTE
C2171
25V4.7
R2175
MUTING CONTROL
MUTING
1.2K
2
3
1
5
4
6
Q2102
B1HBECA00004
R2181
4.7K
HP-LCH
R2182
MUTING
10
HP_MUTE
R2282
10
HP-RCH
4.7K
R2281
2.2K
R2189
2.2K
R2289
-7V
FLFIN
FLVOLOUT
-VCC
+VCC
FRVOLOUT
FRFIN
R2870
0
0
W2770
0
W2802
0
W2835
0
W2767
0
W2766
0
W2708
0
W2769
W2892
0
W2728
0
W2891 0
K14
0
K3
0
SA-PT465E
18

Related product manuals