EasyManua.ls Logo

Panasonic SA-PT465E - Page 17

Panasonic SA-PT465E
29 pages
Print Icon
To Next Page IconTo Next Page
To Next Page IconTo Next Page
To Previous Page IconTo Previous Page
To Previous Page IconTo Previous Page
Loading...
2
B
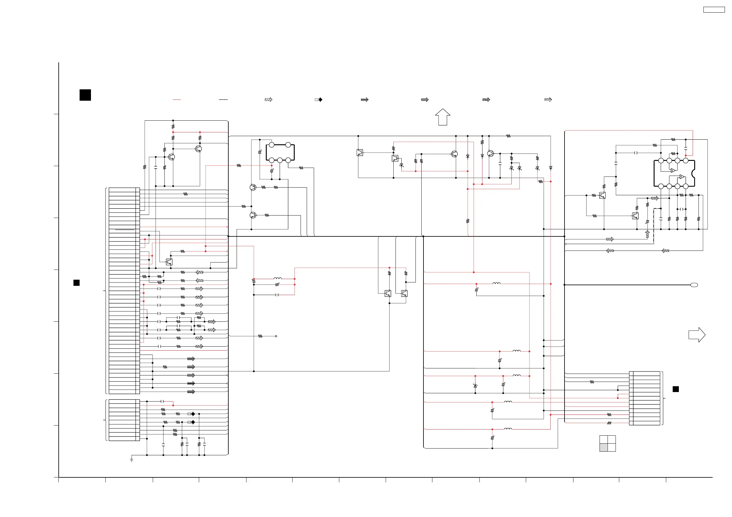
MAIN CIRCUIT
SCHEMATIC DIAGRAM - 8
SA-PT465E MAIN CIRCUIT
1/4 2/4
3/4 4/4
TO MAIN
SECTION (1/4)
TO MAIN
SECTION (4/4)
A
TO
DVD MODULE (DV5)
CIRCUIT (FP8101)
IN SCHEMATIC
DIAGRAM - 2
G
TO
POWER SUPPLY
CIRCUIT (CN2016)
IN SCHEMATIC
DIAGRAM - 14
TO TUNER PACK
(ENG07824QRF)
: MAIN SIGNAL LINE: +B SIGNAL LINE : -B SIGNAL LINE : FM SIGNAL LINE : DVD VIDEO SIGNAL LINE : IPOD VIDEO SIGNAL LINE
: TV AUDIO SIGNAL LINE
: IPOD AUDIO SIGNAL LINE
1234567891011121314
I
J
L
M
N
P
O
K
D2915
B0ACCK000005
B0ACCK000005
D2945
D2944
B0ACCK000005
4.7K
R2948
B0BC010A0007
D2947
D2948
B0BC7R500001
L2914
G0A220GA0026
R2947
4.7K
C2951
16V100
D2946
B0BC7R500001
B1ABCF000176
Q2919
C2952
1
G0A220GA0026
L2912
6.3V1000
C2911
L2908
G0A220GA0026
D2962
B0BC5R000009
C2917
6.3V100
C2914
6.3V220
16V220
C2941
L2907
G0A220GA0026
7
9
11
10
12
8
2
3
1
5
6
4
13
CN2015*
L2905
G0A100HA0023
Q2909
B1ABCF000176
39KR2937
33KR2938
B0BC5R000009
D2949
R2909
39K
B1GBCFJJ0051
Q2923
B1GBCFJJ0051
Q2924
SYS6V
SYS6V
3300P
C2262
TUN_CLK
AGND
TUN_SD
TUN-LCH
TUN_DI
R2161
47K
C2162
3300P
C2169 0.01
R2261 47K
TUN_DO
0.1C2949
TUN-RCH
RDS_DET
0
R2266
1KR2260
1K
R2160
R2166
0
6
8
9
7
2
1
4
5
3
10
CN2002*
820
R2508
R2558
820
C2554
0.1
C2552
1500P
0
R2505
1500P
C2553
675
243
8
1
C0ABBB000230
IC2501
C2556
50V2.2
Q2501
B1GBCFLL0037
820
R2507
820
R2511
820
R2509
Q2502
B1GBCFLL0037
820
R2506
R2553 1K
R2555 47K
C2551
56P
R2559 22K
0.1C2555
R2552 47K
1K
R2554
R2551
1.8K
R2557
270
680KR2556
CENTER_POPUP
CENTER POP-UP AMP
SWITCH
SWITCH
COUT
COUT_2
MIXR
3.3KR2202
C2111 1
3.3KR2102
C2211 1
MIXL
DVD-FR
DVD-SL
DVD-FL
C2101 1
R2100
12KR2300
C2231 0.015
C2300 1
R2201
10K
C2201 1
10K
R2101
C2131 0.015
R2200 3.3K
3.3K
C
R2097
4.7K
R2096
47K
R2098
2.2M
Q2096
2SD0601AHL
R2941
22K
2SD0601AHL
Q2097
CEC_OUT
INVERTER
INVERTER
SWITCH
REGULATOR
DC DETECT
DC DETECT
DC DETECT
DC DETECT
SWITCH
INVERTER
CEC_IN
C2025 220P
C2400 1
C2500 1
R2400 12K
R2500 10K
1KR2600
C2600 1
R2291
3.3K
DVD-CNT
DVD-SR
RECOUT-L
DVD-SUBW
16V10
C2029
2.2K
R2046
0
W2733
W2741
W2740
0
W2847 0
W2783 0
W2727 0
W2726 0
W2742
0
0
0
W2815
C2028
16V10
R2048
20K
B1ADCE000012
Q2005
2.2K
R2047
Q2004
2SD0601AHL
L2801
G0A101EA0017
VIDEO_+5V
C2808 10V220
C2807 0.01
312
45
IC2002
C0CBCBC00140
PCONT
C2804
10V330
1KR2001
TRAY_CCW_L
TRAY_CW_H
RECOUT-R
DVD_MUTE
B1GBCFJN0033
Q2006
R2099 100K
DVD_CMD
DVD_STAT
INNER_SW
DVD_CLK
4.7KR2190
4.7KR2290
3.3K
R2191
R2903 1.8K
UNLOAD_SW
6
7
5
9
47
44
39
40
35
31
27
24
21
20
22
16
15
18
17
11
13
12
10
14
19
23
26
25
30
28
29
34
32
33
38
36
37
43
41
42
46
45
49
48
8
1
3
4
2
50
CN2001
CR
PY
CB
WIDE1
R2852
1K
1K
R2851
Y
RGB_H
MUTING CONTROL
INVERTER
Q2803
Q2802
B1GBCFJN0033
B1GBCFJN0033
R2901 1
DC_DET1
DVD_D+5V
DVD_D+5V
DVD_D+5V
DVD_2R5
DVD_2R5
DVD_ADAC+5V
DVD_ADAC+5V
M+9V
M+9V
-7V
-7V
+7V
+7V
TU+9V
F+
F-
SW+5V
-VP W2784 0
W2773 0
F+
F-
GND
-VP
+9V
GND
MGND
SYS6VGND
+18V
SYS6V
SYS6V
DVD_2R5
+5.3V
+5.3V
DGND
DGND
AGND
GNDE
GND
TUNERGND
T+9V
TU+9V
TUNER RCH
TUNER DO/ST
RDS DETECT
TUNER LCH
CHASSIS
TUNER SD
TUNER DI
PORT_SEL
TUNER CLK
+VCC
-VCC
M+9V
MGND
MGND
MGND
LDIN
NSW+6V
AUDIODIGITAL
INNER_SW
CECIN
OPEN_SW
CECOUT
DOP_CPU_CMD
DOP_CPU_STAT
DOP_CPU_CLK
MGND
NC
ON/OFF
VOUT
VIN VSS
SR
SW
CNT
C
Y
FL
VGND
FR
SL
DGND
A_LCH
DGND
D+2.5V
A_RCH
D+5V
D+5V
D+5V
VGND
VGND
VGND
VGND
VGND
MIX-R
ADGND
ADGND
ADGND
ADGND
Y/PY/G
ADAC5V
CR/PR/R
CB/PB/B
MIX-L
ADGND
ADGND
D+5V
DGND
M+9V
DGND
D+2.5V
WIDEOUT
SCART+12V
ZFLAG&AMUTE
W2753
0
W2754
0
W2786
0
IPOD_VOUT
0
W2717
W2776
0
SA-PT465E
17

Related product manuals