EasyManua.ls Logo

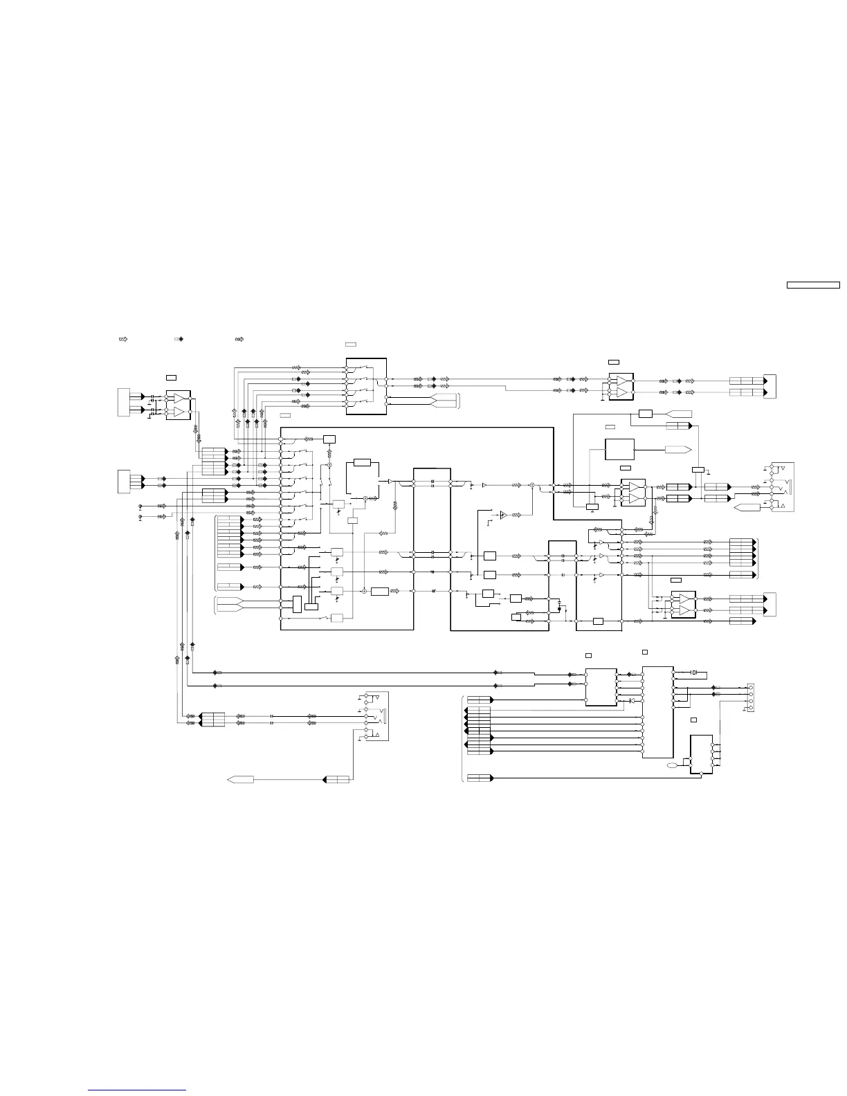
Panasonic SA-PT650P - Audio Block Diagram

Panasonic SA-PT650P
155 pages
Print Icon
To Next Page IconTo Next Page
To Next Page IconTo Next Page
To Previous Page IconTo Previous Page
To Previous Page IconTo Previous Page
Loading...
18.5. Audio
X1
C0ABBB000230
IC2104
WIRELESS CH1 AMP
3
2
1
-
+
-
+
5
7
6
C0ABBB000350
IC2751
LEVEL
PROTECTION
CIRCUIT
MPORT
DITIGAL
TRANSMITTER
CH1 ROUT
CH1 LOUT
(CH2 ROUT)
(CH2 LOUT)
SUB IN
MIC IN
C IN
OP IN 1
OP IN 2 OP OUT 2
FLVOL OUT
FRVOL OUT
FLF IN
FRF IN
SL OUT
SR OUT
FL OUT
FR OUT
C OUT
WL SUBW LCH
WL SUBW RCH
SURROUND L
SURROUND R
FRONT L
FRONT R
CENTER
SUBOUT
OP OUT 1
46
C1AB00002735
AUDIO SIGNAL PROCESSOR
FL IN
SL IN
SR IN
INL2
INR2
INL3
INR4
INR3
INL4
RECOUTR
RECOUTL
AUX L
JK2001
FLSEL OUT
FRSEL OUT
FLVOL IN
FRVOL IN
SLVOL IN
SRVOL IN
CVOL IN
SUBVOL IN
SLSEL OUT
SRSEL OUT
CSEL OUT
SUBSEL OUT
IC2101
C0JBAR000002
WIRELESS CH1 SIGNAL SELECTOR
IC2105
AUX R
JK2001
AMP
AMP
AMP
AMP
AMP
AMP
AMP
AGC
AMP
AMP
AMP
AMP
H BASS
ASS
TONE
INL1
INR1
AMP
100
XM AOUT R
XM AOUT L
MIX R
DOCK R
DOCK L
MIX L
TUN R-CH
TUN L-CH
AUX R-CH
AUX L-CH
FR IN
RMPORT L
RMPORT R
99
90
89
92
91
93
95
86
85
L3
R3
L2
R1
R2
L1
R0
L0
1
12
5
14
2
15
4
3
11
82
81
79
78
80
7777
97
62
63
12
21
36
35
22
60
20
37
23
52
34
13
19
FRF IN
15
27
14
30
16
44
SRVOL OUT
SLVOL OUT
CVOL OUT
39
25
32
SRF IN
CF IN
SLF IN
40
26
31
48
47
45
46
MCU
I/F
DVD FR
DVD FL
DVD SR
DVD SL
DVD CNT
DVD SUBW
XM AOUT R
XM AOUT L
DOCK R
DOCK L
TUN R-CH
TUN L-CH
RECOUTR
RECOUTL
RECOUTR
RECOUTL
96
94
C0AABB000125
IC2102
HEADPHONES AMP
5
6
7
-
+
-
+
3
1
-
+
C0ABBB000230
IC2107
WIRELESS CH2 AMP
6
7
-
+
3
1
Q2201
Q2101
MUTING
CONTROL
MUTING
17
41
18
5
2
2
13
L CH
R CH
10
9
B (MSB)
A (LSB)
ASP CLK
ASP DAT
FROM
SYSTEM
CONTROL
FROM
AUDIO
OPERATIONAL AMP
SENSE 1
TO
SYSTEM CONTROL
HP MUTE
HPOUT MUTE
FROM
SYSTEM CONTROL
SA-PT650P/PC AUDIO BLOCK DIAGRAM
SUBWOOFER
RX P
OUT
IN
I2S CLK
I2S OCLK
I2S LRCLK
MUTE
SC TX OUT
RST
SLAVE SEL
I2S DA
RX M
IC1
XM SAT RADIO DRIVER
C0FBBY000027
LINK ACTIVE
ANT REV
SC RX OUT
SDTI
AOUT R
PDN
AOUT L
BICK
IC3
2CH D-A CONVERTER
C0FBBK000047
LRCK
SMUTE
MCLK
D1
C0DBZYE00002
POWER
SUPPLY
EN
IN
IN
OUT
OUT
OUT
OUT
IC2
I2S RATE
ANT REV
SC RXD
SC TXD
LINK ACT
PWR CTRL
JK1
1
2
3
4
XM
D+
D -
VCC
GND
10
5
11
3
2
4
6
1
39
43
41
44
37
18
26
28
19
TX P
TX M
23
22
3
11
9
5
13
14
3
2
6
7
8
5
4
+ 5.3V
TUNER PACK
IPOD
CONNECTOR
JK6801
HP DETECT
TO SYSTEM CONTROL
HEADPHONES
7
6
1
2
3
4
5
TO
SYSTEM CONTROL
INR5
INL5
FMPORT R
FMPORT L
88
87
JK6802
7
6
1
2
3
4
5
MUSIC PORT
MPORT R-CH
MPORT L-CH
-
+
C0ABBB000230
IC8003
IPOD AMP
-
+
1
2
3
6
5
7
MPORT
XM DAC RST
XM MUTE
RESET XM
Q7101
MUTING
MULTI 1
MULTI 2
FROM
SYSTEM CONTROL
DITIGAL
TRANSMITTER
TO
AUDIO
DIGITAL AMP
TO AUDIO
DIGITAL AMP
TO/FROM
SYSTEM CONTROL
25
CN2001
FP8101
FP1
CN2012
FP1
CN2012
117
FP1
CN2012
216
FP1
CN2012
315
FP1
CN2012
11 7
711
FP1
CN2012
17 1
FP1
CN2012
12 6
FP1
CN2012
10 8
FP1
CN2012
99
27
CN2001
FP8101
31
CN2001
FP8101
29
CN2001
FP8101
35
CN2001
FP8101
33
CN2001
FP8101
39
CN2001
FP8101
37
CN2001
FP8101
5
7
CN2002
CN2002
26 3
CN7001
CN2007
28 1
CN7001
CN2007
117
CN5050
CN2009
315
CN5050
CN2009
711
CN5050
CN2009
99
CN5050
CN2009
11 7
CN5050
CN2009
513
CN5050
CN2009
13 6
CN6301
4
CN2003
4
CN2003
11 8
CN6301
CN6300
CN6300
26
3
1
CN7002
CN6902
28
CN7002
CN6902
13 16
CN7001
CN2007
HP L-CH
HP R-CH
22
H6801
H6901
1613
CN2007
CN7001
1415
CN2007
CN7001
CN8002
8
CN8002
13
DOCK L OUT
DOCK R OUT
DOCK L OUT
DOCK R OUT
1316
CN6902
CN7002
1614
CN6902
CN7002
910
CN6301
6
CN2003
8
CN2003
712
CN6301
CN6300
CN6300
4
CN2008
CN8001
2
CN2008
CN8001
612
CN2012
FP1
414
CN2012
FP1
CLOCK
DATA
:FM,XM SIGNAL LINE
:MAIN SIGNAL LINE
:AUX, MUSIC PORT, IPOD SIGNAL LINE
SA-PT650P / SA-PT650 PC
95

Table of Contents

Related product manuals