EasyManua.ls Logo

Panasonic SA-PT650P - Disassembly of Regulator Diode (D5702); Disassembly of Tray Guide (L) & Tray Guide (R); Disassembly of Rotary Tray

Panasonic SA-PT650P
155 pages
Print Icon
To Next Page IconTo Next Page
To Next Page IconTo Next Page
To Previous Page IconTo Previous Page
To Previous Page IconTo Previous Page
Loading...
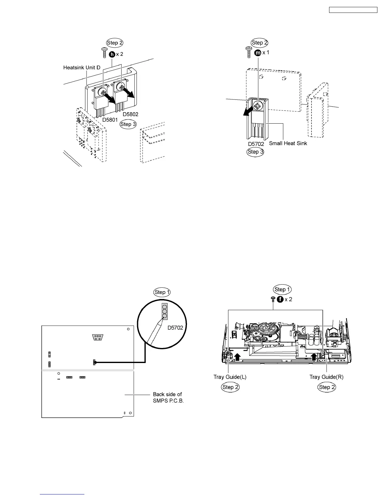
Caution: Handle the heatsink unit D with caution due to its
high temperature after prolonged use. Touching it may
lead to injuries.
Note : Refer to the diagrams of SMPS P.C.B. (Item 10.18.) for
location of the parts.
10.23. Disassembly of Regulator
Diode (D5702)
·
Follow (Step 1) to (Step 3) of Item 10.3.
·
Follow (Step 1) to (Step 3) of Item 10.4.
·
Follow (Step 1) to (Step 4) of Item 10.5.
·
Follow (Step 1) to (Step 4) of Item 10.7.
·
Follow (Step 1) to (Step 7) of Item 10.18.
Step 1 Desolder pins of the regulator diode (D5702) on the
back side of SMPS P.C.B.
Step 2 Remove 1 screw.
Step 3 Remove the regulator diode (D5702) from the small
heat sink.
Caution: Handle the small heat sink with caution due to its
high temperature after prolonged use. Touching it may
lead to injuries.
Note : Refer to the diagrams of SMPS P.C.B. (Item 10.18.) for
location of the parts.
10.24. Disassembly of Tray Guide (L)
& Tray Guide (R)
·
Follow (Step 1) to (Step 3) of Item 10.3.
·
Follow (Step 1) to (Step 3) of Item 10.4.
·
Follow (Step 1) to (Step 4) of Item 10.5.
·
Follow (Step 1) to (Step 4) of Item 10.7.
Step 1 Remove 2 screws from the tray guide (L) and the tray
guide (R) .
Step 2 Remove the tray guide (L) and the tray guide (R) in the
direction of arrow.
10.25. Disassembly of Rotary Tray
·
Follow (Step 1) to (Step 3) of Item 10.3.
·
Follow (Step 1) to (Step 3) of Item 10.4.
·
Follow (Step 1) to (Step 4) of Item 10.5.
·
Follow (Step 1) to (Step 4) of Item 10.7.
Step 1 Remove the screw and the tray spring.
Step 2 Remove the rotary tray in the direction of arrow.
65
SA-PT650P / SA-PT650PC

Table of Contents

Related product manuals