EasyManua.ls Logo

Panasonic SB-WA720PP

Panasonic SB-WA720PP
34 pages
To Next Page IconTo Next Page
To Next Page IconTo Next Page
To Previous Page IconTo Previous Page
To Previous Page IconTo Previous Page
Loading...
H505B/W505
CN506
JK501
JK502
CN503
CP502
D564
D566
D563
D565
D533
Q513
D510
B0BA5R100013
D509, D533
B0BA5R100013
IC502
C0AABB000055
DUAL LOW-NOISE OP AMP
D563-D566
B0BA01900005
Q513,Q514
KTC3199GRTA
DC DETECT SWITCH
E500
K4CZ01000027
Q511
KTC2026
VOLTAGE REGULATOR
SUB WOOFFER
PCONT
SRRch
CENTER
C565
0.1
R591
6.8K
R593
470K
C562
5600P
C563
0.082
R575
6.8K
C561
50V2.2
C566
0.1
R597
10K
R594 10K
C564
1200P
R592
68K
R403
100K
R599
22K
R571
3.3K
C568
0.01
R572
22K
C518
0.047
R533
10
R534
10
C519
0.047
R596
47K
R595
100
R573
0.1
C533
1000P
C532
1000P
C531
1000P
C530
1000P
C550
0.01
C547
42V4700
C546
42V3300
C545
0.1
R570
10K
C549
42V3300
C548
42V4700
C554
0.1
C553
0.1
C544
50V100
R568
150
C543
1000P
R569
3.9K
C560
50V10
C567
50V10
R598
1.5K
R567
1.5K
C520
0.047
C521
0.047
C522
0.047
C523
0.047
C569
0.047
R535
10
R536
10
R537
10
R538
10
GND
SYNC
SYS6V
HELP
FP1
K5G502AA0002
Q514
H505A/W505
D524
SLI325URCT31
R577
1.5K
R608
1.5K
R609
1.5K
D561
B0BA01200008
C572
50V100
R560
150
C573
1000P
R561
3.9K
D509
2
1
3
2
4
6
7
5
3
1
2
1
3
2
1
3
LED
CIRCUIT
TO
AC INLET
CIRCUIT
(CN502) ON
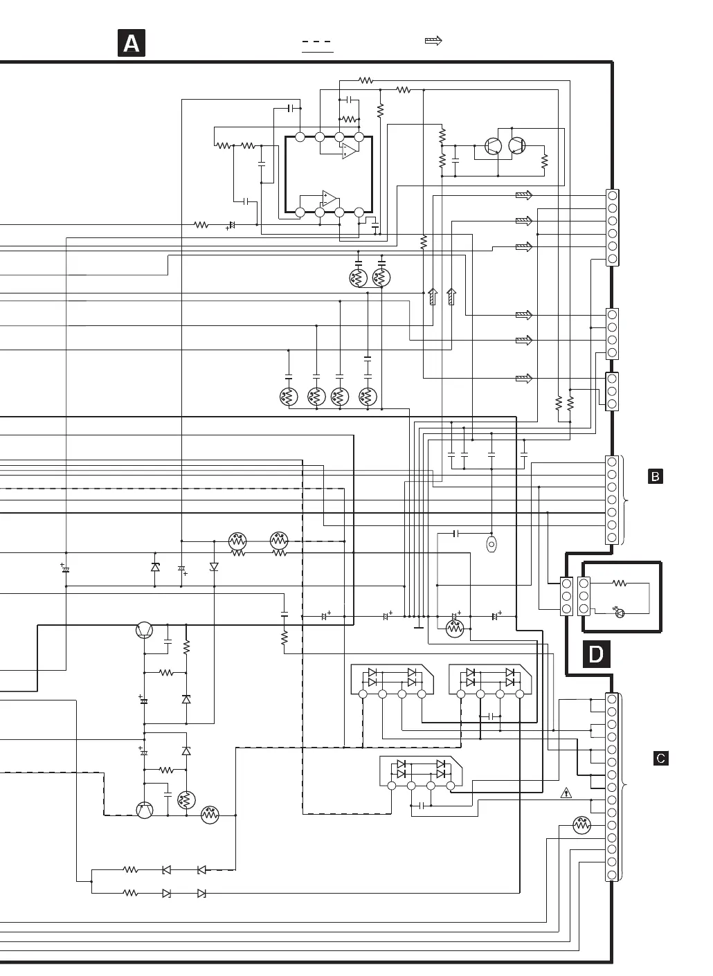
SCHEMATIC
DIAGRAM-3
SCHEMATIC DIAGRAM-2
POWER CIRCUIT
: +B SIGNAL LINE
: MAIN SIGNAL LINE
: -B SIGNAL LINE
3
1
2
4
+
+
-
-
FLch
FRch
SRLch
+
-
+
-
+
-
1
2
3
4
5
6
TO
TRANSFORMER
CIRCUIT
(H503/W503) ON
SCHEMATIC
DIAGRAM-3
FP1 5A
R565 3.9K
Q512
KTA1046
VOLTAGE REGULATOR
R610
4.7
R600
47K
R601
47K
D599 B0FBAM000009 D598 B0FBAM000009
D597 B0FBAM000009
1234
5 6 7 8
15
14
3
12
11
10
2
4
6
8
9
7
5
13
1

Related product manuals