EasyManua.ls Logo

Panasonic SG-165 - Page 4

Panasonic SG-165
Print Icon
To Next Page IconTo Next Page
To Next Page IconTo Next Page
To Previous Page IconTo Previous Page
To Previous Page IconTo Previous Page
Loading...
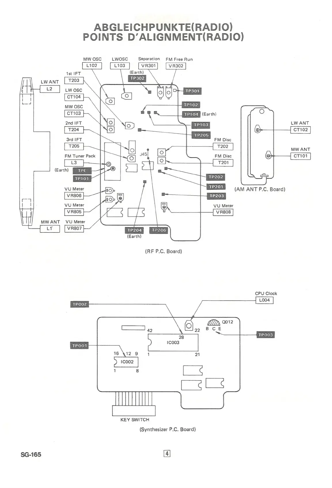
ABGLEICHPUNKTE(RADIO)
POINTS
D’ALIGNMENT(RADIO)
MW
OSC
LWOSC
Separation
FM
Free
Run
L102
L103
VR301
V
R302
1st
IFT
(Earth)
TP302
LWANT
|
1203
LW
OSC
|
5
D
TP301
CT104
CO
|
Hs
TP102
s
=
fe)
n
i?)
CT103
na-skoye
(Earth)
2nd
IFT
T204
CO]
10
|
1O]
3rd
IFT
7205
L
FM
Tuner
Pack
i
ai
740)s)
FM
Disc
&
ol
ud
sas
FM
Disc
0
A
is
ean
TPE
i]
TP101
TP202
\A
ge
©)
@
VU
Meter
TD:
(AM
ANT
P.C.
Board)
Te
TP203
VU
Meter
VU
Meter
euryant§
MW
ANT
VU
Meter
VR807
TP204
fe
TP206
(Earth)
(RF
P.C.
Board)
CPU
Clock
KEY
SWITCH
(Synthesizer
P.C.
Board)
SG-165
[4]