EasyManua.ls Logo

Panasonic Technics ST-CH7L - Page 16

Panasonic Technics ST-CH7L
21 pages
Print Icon
To Next Page IconTo Next Page
To Next Page IconTo Next Page
To Previous Page IconTo Previous Page
To Previous Page IconTo Previous Page
Loading...
ST-CH7L
ST-CH7L
||
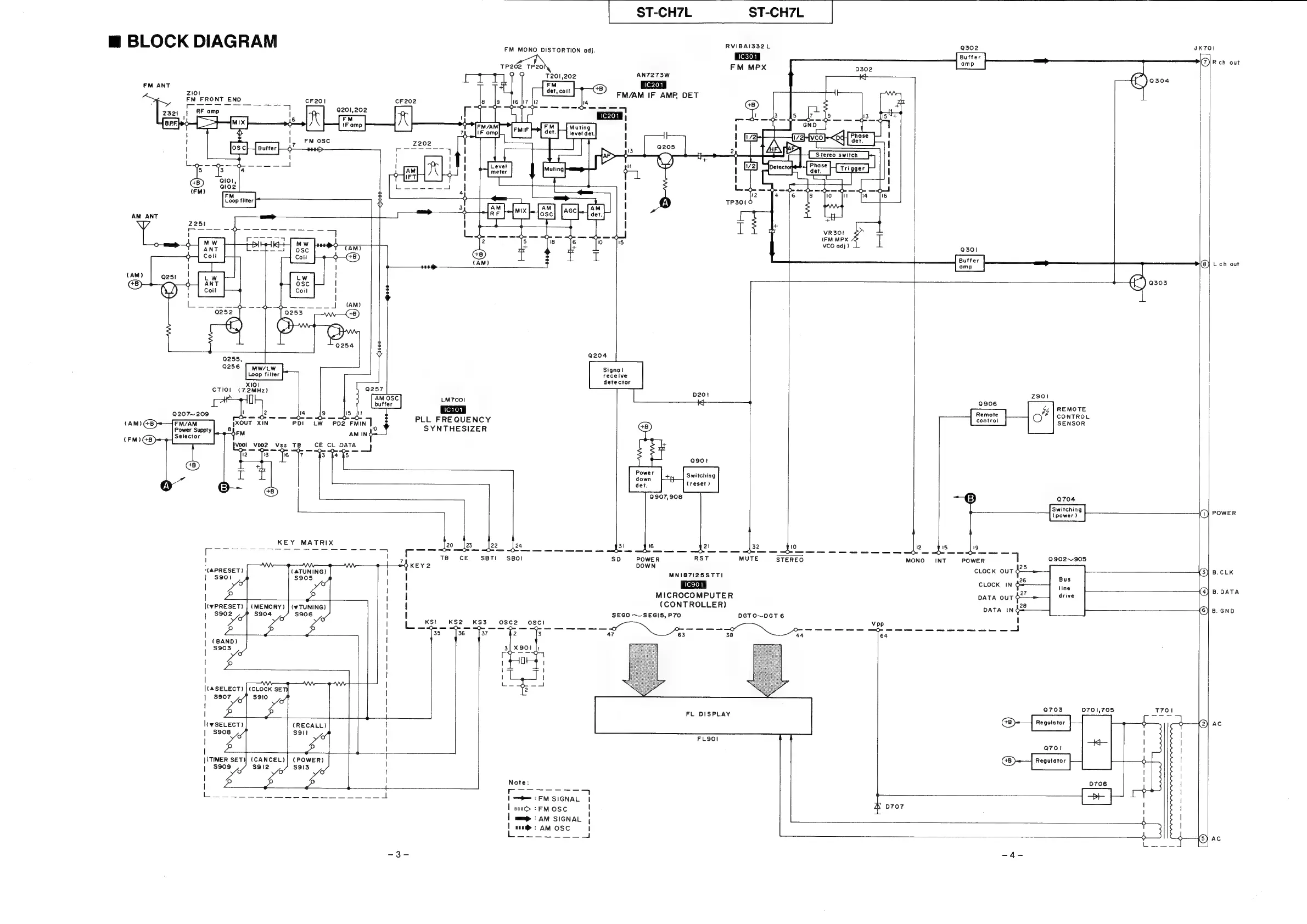
BLOCK
DIAGRAM
RVIBAI332L
Q302
JK7OI
FM
MONO
DISTORTION
adj.
[)
@R
ch
out
TP202
TP2oO}
FM
MPX
D302
00
T201,202
ANT273W
4
i
0304
FM
ANT
+f
GB)
L1C201
|
Y
Zio
u
FM/AM
IF
AMP
DET
2
14
FM
FRONT
END
CF201
CF
202
8
jo
fie
fiz
|r
=|
ee
ees
I
aD ao
ge
ga
Q201,202
a!
,
Lr
1c201
FM
vO
lFM/AM
FM
|
ea
tea
!
zee
i
eT
oon
ee
ee
ed
re
he
ce
5
G5)
oat
|
Q301
Buffer
(AM)
L
ch
out
:
oe
on
awe
Q256
MW/LW
Signal
Loop
filter
receive
XI0l
detector
Hl
CTIO!
(7.2MHz)
z90l
pr
Q
a
2808
fs
|
REMOTE
Q207~209
u
2
eu
ta
Remote
7
CONTROL
pecan
oe
celal
PLL
FREQUENCY
control
SENSOR
Om
Oe
pXOUT
XIN
PO!
LW
PD2
FMIN
6
AM
IN
CE
CL
DATA
KEY
MATRIX
L
[
ss
ae
2 a
ae
ae
B
WW
(AM)
GB)
FM/AM
Power
Supply
(FM)
GB)
Selector
SYNTHESIZER
|
22 24
31
Q907,908
Switching
(power)
—_—ld
POWER
ee
Cae
eee
on
ee
|
CE
sBTI sBol
sD
POWER
RST
MUTE
STEREO
MONO
INT
POWER
Q902~905
I
Lie
7
\
:
Wn
f
KEY2
DOWN
oer.
(ATUNING)
if
|
|
MNIS7I25STTI
8)
ees
901
$905
|
|
;
B.DATA
|
wa
\
|
MICROCOMPUTER
I(WPRESET)
|
(MEMORY)
|
TUNING)
|
|
(CONTROLLER)
46)|
B.
GND
|
$902
$904
$906
|
l
SEGO
~
SEGI5,
P70
DGTO~DGT6
oe
Pa
eee
ee
Ne
+
sd
a
2
<
<.
|
35
36—«
37
2
3
47
63
38
44
64
|
(BAND)
Heeb
$903
'
|
oa
|
Pye
0
I
2
|
|
|
|
|
\
|
!
|
es
_J
|(4SELECT)
|
(CLOCK
SE
2
|
$907
|
a
Q703
D701,705
T701
\
Bz
FL
DISPLAY
---
nc
l(w
SELECT)
(RECALL)
|
|
$908
soil
re
oe
be
!
|
|
(TIMER
SET)
(CANCEL)|
(POWER)
Regulator
|
$909
$913
|
v4
va
‘S
Note:
e
al
lpeciene
te
ma
are
ee
|—P—:FMSIGNAL
|
I
onag>
=
FM
OSC
!
&
0707
!
|
mp
=
AM
SIGNAL
,
|
a:
AM
OSC
1
oo
4
Ac
ate
2)

Related product manuals