EasyManua.ls Logo

Panasonic TH-C50HD18 - Block Diagram

Panasonic TH-C50HD18
65 pages
Print Icon
To Next Page IconTo Next Page
To Next Page IconTo Next Page
To Previous Page IconTo Previous Page
To Previous Page IconTo Previous Page
Loading...
29
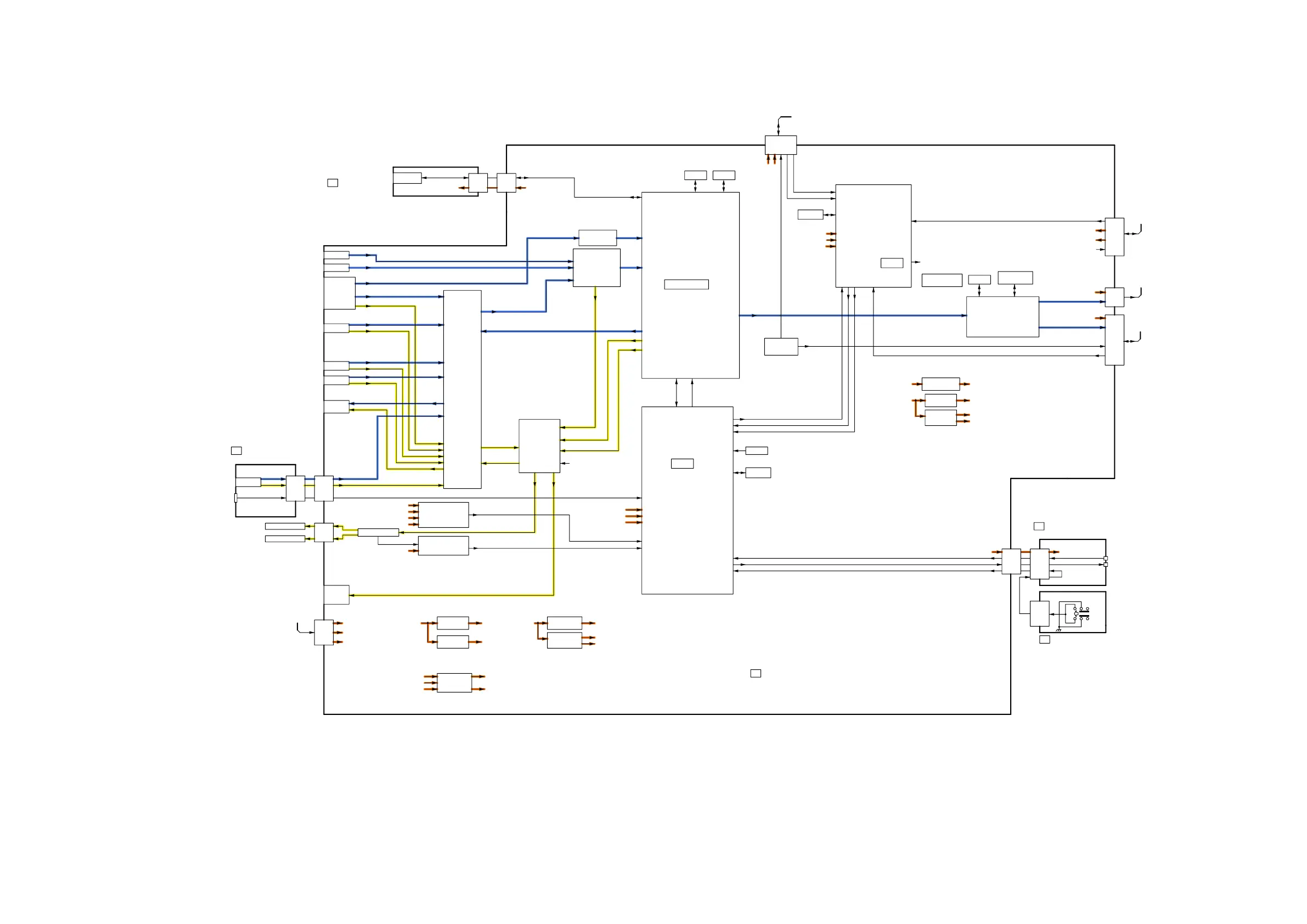
9 Block Diagram
9.1. Block Diagram (1/5)
(LED:6TIMES)
(LED:10TIMES)
(LED:4TIMES)
(LED:12TIMES)
(LED:7TIMES)
(LED:2TIMES)
(LED:3TIMES)
(LED:5TIMES)
(LED:8TIMES)
(LED:8TIMES)
(LED:6TIMES)
(LED:10TIMES)
(LED:4TIMES)
(LED:12TIMES)
(LED:7TIMES)
(LED:2TIMES)
(LED:3TIMES)
(LED:5TIMES)
(LED:8TIMES)
SUB+9V DET
A20
REMOTE IN
+1.8V(S)
DIGITAL VIDEO DATA
+3.3V(STB)
SUB+9V
SOS8_SS
A1
+5V(STB)
+1.2V(P)
+2.5V(P)
DCDC
GenX5
DCDC
+9V(S)
DDR
Y,PB,PR
MONITOR
OUT
L,R
A51
SPEAKER(L)
Peaks Lite2p
A7
PANEL STATUS
+3.3V(P)
from
DCDC
F15V
SOUND SOS
+9V(S)
A25
GenX6
+5V(S)
+15V(P)
V
+3.3V(P)
F+15V
L,R
SUB+5V DET
+1.2V(P)
+15V(P) DET
CLKGEN
MONITOR
L,R
SD CARD
PWM AUDIO OUT
SLOT
+5V(P) DET
A52
EEPROM
+3.3V(S)
C11
IIC1
+30V(BT)
AUDIO AMP
+1.2V(S)
TUNER SOS
R/G/B
TUNER
PAMEL SOS
HDMI AUDIO
VIDEO DATA
SUB+1.8V
SOS7_SC2
POWER SOS
Y,PB,PR
CONTROL SIGNAL
+15V(P)
TEMP SENSOR
SUB+3.3V DET
L,R
+5V(P)
DCDC
DCDC
SC20
HDMI1
+5V(S)
+3.3V(P)
+3.3V(STB)
RESET
+15V(P)
SBO2
SBI2
+3.3V(STB)
DTV_V
L,R
COMP2
COMP1
C21
+9V(S)
RESET
+3.3V(STB_D)
DCDC
P6,P7
PANEL STB_ON
+3.3V(S)
LVDS DATA
A31
P25
+15V(S)
DTV AUDIO
A32
to
F+15V
HDMI2
+3.3V(S)
KEYSCAN1
VIDEO2
K1
+15V(P)
EEPROM
VIDEO1
A12
+5V(P)
V, Y, C
+5V(P)
+15V(SND)
DCDC
+5V(P)
SUB+5V
V
+3.3V(P) DET
to/from
L,R
V
+5V(P)
to/from
SOUND SOS
CH0 DATA
+15V(SND)
SD BOOT
+2.5V(P)
KEYSCAN1
SUB+3.3V
LVDS DATA
TUNER SOS
LED(R)
G51
SUB+1.2V
RESET
SOS8_SS
L,R
Y, C , V
GS52
+3.3V(S)
DDR2
+5V(S)
POWER LED(R)
SOS6_SC1
to/from
SPEAKER(R)
AUDIO SW
VIDEO SW
SD CARD DATA
SD CARD DATA
HDMI I/F
RECEIVER
10bit A/D
OPTICAL OUT
OPTICAL OUT
DTV AUDIO
FRONT END
PROCESSOR
CH0 DATA
POWER SOS
PROCESSOR
SOUND
REMOTE
RECEIVER
POWER
S2
ON
SWITCH
KEYSCAN3
OUT
AUDIO
OPTICAL
OPTICAL OUT
SOUND SOS DET
CIRCUIT
TUNER SOS DET
CIRCUIT
PANEL STB_ON
PANEL STATUS
PAMEL SOS
FLASH
MEMORY
SCAN CONTROL
SUSTAIN CONTROL
PLASMA AI
LVDS RECEIVER
SYNC PROCESSING
CLOCK GENE.
SUB-FIELD PROCESSING
VIDEO DATA
DISCHARGE
CONTROL
STB MCU
PANEL MICOM
PANEL MAIN ON
KEY SWITCH
G
KEY SWITCH
FRONT TERMINAL
SD CARD SLOTGS
DIGITAL SIGNAL PROCESSOR
A
POWER SWITCH
POWER LED
S
K
REMOTE RECEIVER
L,R
L,R
+5V(STB)
BT+30V
+9V(S)
+3.3V(STB)
+30V(BT)
STB+3.3V
+5V(STB)
+5V(S)
TH-C50HD18
Block Diagram (1/5)
TH-C50HD18
Block Diagram (1/5)
(LED:12TIMES)
(LED:10TIMES)
(LED:12TIMES)
(LED:10TIMES)

Related product manuals