EasyManua.ls Logo

Panasonic TH-L42E3S - A Board - Sheet: 100 (1; 2)

Panasonic TH-L42E3S
84 pages
Print Icon
To Next Page IconTo Next Page
To Next Page IconTo Next Page
To Previous Page IconTo Previous Page
To Previous Page IconTo Previous Page
Loading...
TH-L42E3S
42
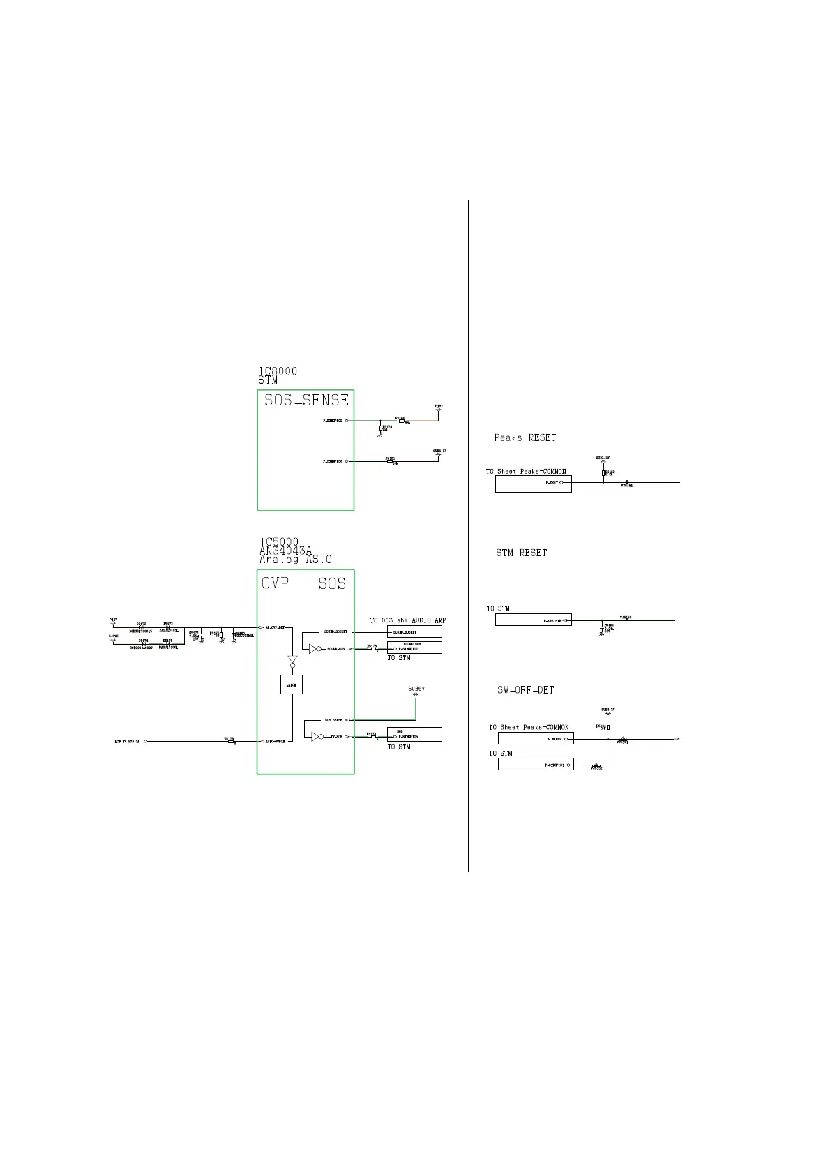
11.2.15. A Board - Sheet : 100 (1 / 2)
<1A>
<2A>

Table of Contents

Related product manuals