EasyManua.ls Logo

Panasonic TH-P50X30D - Page 49

Panasonic TH-P50X30D
106 pages
Print Icon
To Next Page IconTo Next Page
To Next Page IconTo Next Page
To Previous Page IconTo Previous Page
To Previous Page IconTo Previous Page
Loading...
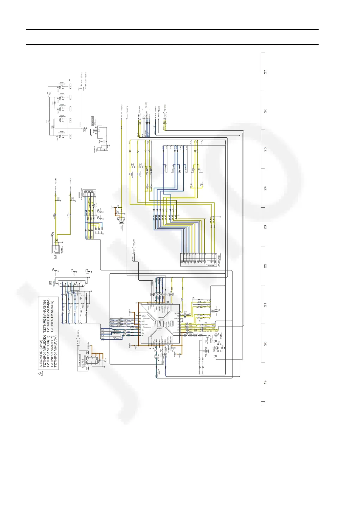
Model No. : TH-P50X30D/G/K/M/P/S/V A-Board (3/12)
S-5

Related product manuals