EasyManua.ls Logo

Panasonic TX-28LD1E - Page 12

Panasonic TX-28LD1E
28 pages
Print Icon
To Next Page IconTo Next Page
To Next Page IconTo Next Page
To Previous Page IconTo Previous Page
To Previous Page IconTo Previous Page
Loading...
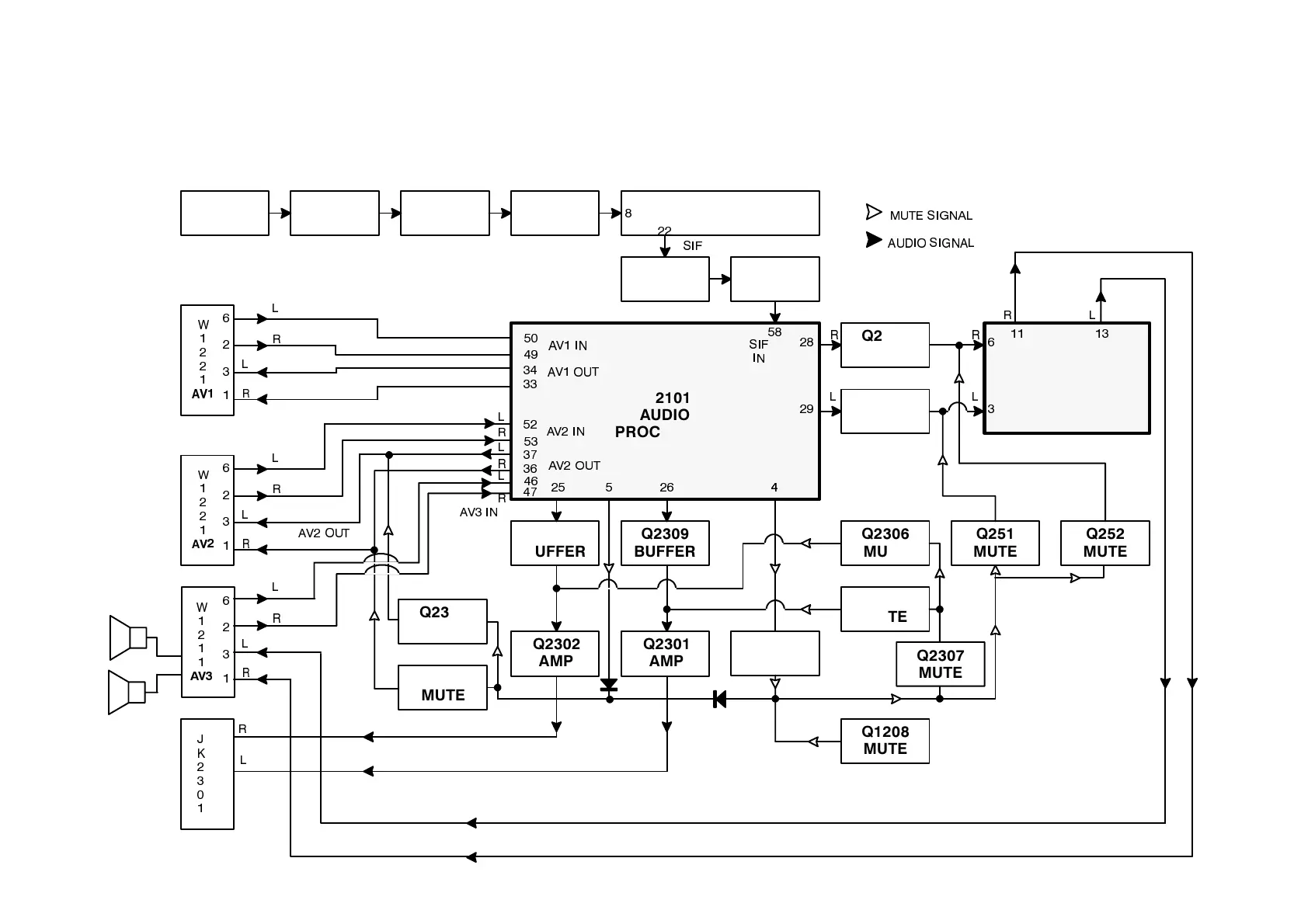
$8',2 %/2&. ',$*5$0
781(5
;
),/7(5
4
%8))(5
4
$03
,&
6,)9,)'(02'8/$725
4
$03
4
%8))(5
4
%8))(5
4
%8))(5
,
$8',2 2 87387
$03
,&
$8',2
352&(6625
6
,
)
:
$
9
:
$
9
4
087(
/5
/5
/5
/5
/55/
6
,
)
,
1
$
9
,
1
$
9
2
8
7
$
9
,
1
5/
5/
/
5
4
%8))(5
4
%8))(5
-
.
4
$03
4
$03
4
087(
4
087(
/
5
4
087(
4
087(
4
087(
$
8
'
,
2
6
,
*
1
$
/
0
8
7
(
6
,
*
1
$
/
4
087(
:
$
9
/5
/5
$
9
,
1
$
9
2
8
7
4
087(
4
087(
$
9
2
8
7
5/
'
'

Related product manuals