EasyManua.ls Logo

Panasonic TX-29PM1P - Block Diagrams

Panasonic TX-29PM1P
17 pages
Print Icon
To Next Page IconTo Next Page
To Next Page IconTo Next Page
To Previous Page IconTo Previous Page
To Previous Page IconTo Previous Page
Loading...
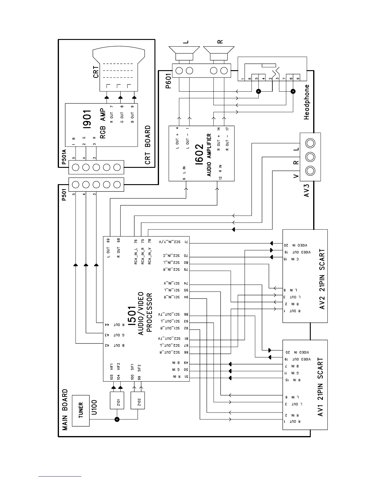
9,'(267(5(2$8',2%/2&.',$*5$0
7

Related product manuals