EasyManua.ls Logo

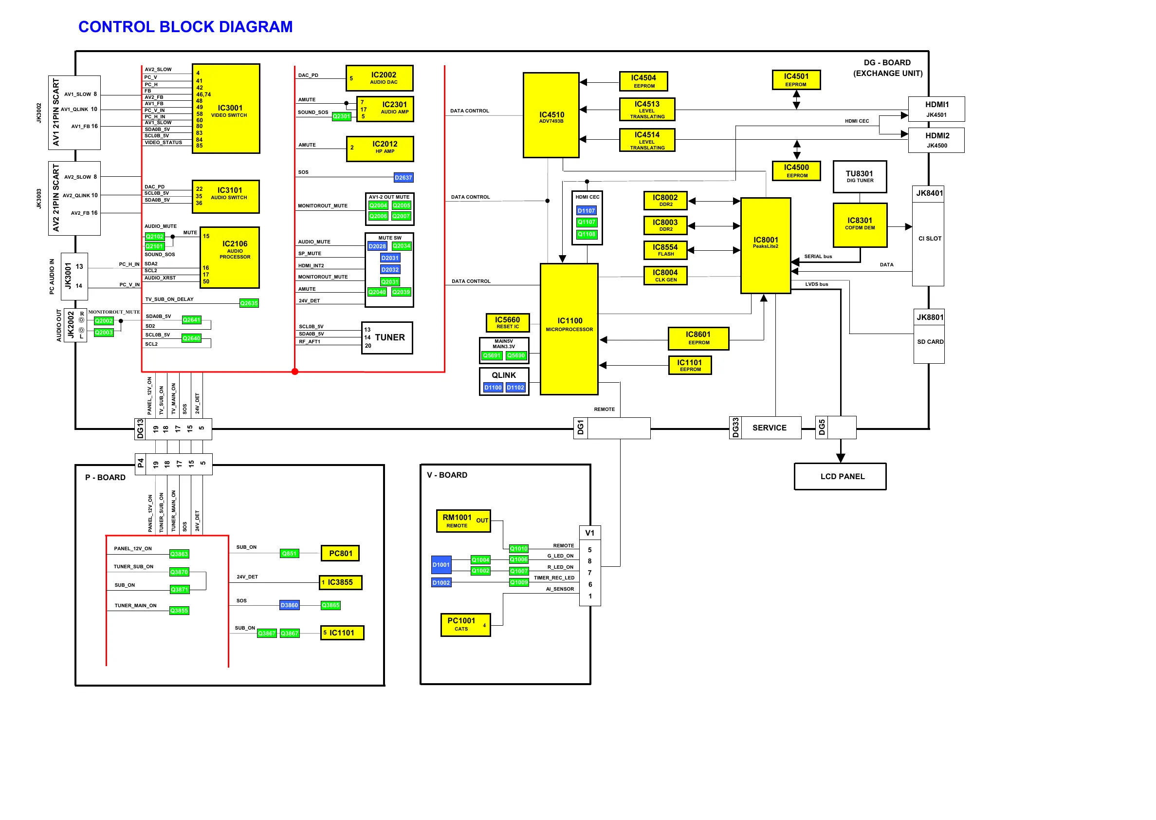
Panasonic TX-32LMD70A - Control Block Diagram

Panasonic TX-32LMD70A
69 pages
Print Icon
To Next Page IconTo Next Page
To Next Page IconTo Next Page
To Previous Page IconTo Previous Page
To Previous Page IconTo Previous Page
Loading...
SD2
HDMI_INT2
CONTROL BLOCK DIAGRAM
A
V1 21PIN SCART
AV1_FB 16
AV1_SLOW 8
JK3002
A
V2 21PIN SCART
AV2_QLINK 10
AV2_SLOW 8
JK3003
JK3001
14
13
PC AUDIO IN
JK2002
R
L
AUDIO OUT
PC_H_IN
PC_V_IN
Q2002
Q2003
MONITOROUT_MUTE
IC3001
VIDEO SWITCH
46,74
42
48
84
49
83
85
4
58
41
60
80
PC_V
AV2_SLOW
FB
PC_H
AV1_FB
AV2_FB
PC_H_IN
PC_V_IN
SDA0B_5V
SCL0B_5V
AV1_SLOW
VIDEO_STATUS
IC3101
AUDIO SWITCH
22
35
36
SDA0B_5V
DAC_PD
SCL0B_5V
IC2106
AUDIO
PROCESSOR
50
15
16
17
SCL2
AUDIO_MUTE
SDA2
AUDIO_XRST
Q2102
Q2101
SOUND_SOS
MUTE
TUNER
13
14
20
SCL0B_5V
SDA0B_5V
RF_AFT1
IC2002
AUDIO DAC
5
DAC_PD
IC2301
AUDIO AMP
7
17
AMUTE
IC2012
HP AMP
2
AMUTE
AV1-2 OUT MUTE
Q2007
Q2005
MONITOROUT_MUTE
Q2040
Q2034
MUTE SW
Q2039
Q2031
D2028
AUDIO_MUTE
SP_MUTE
D2031
D2032
MONITOROUT_MUTE
AMUTE
Q2641
SDA0B_5V
SCL2
Q2640
SCL0B_5V
DG13
AV1_QLINK 10
AV2_FB 16
5
SOUND_SOS
Q2301
Q2003
D2637
SOS
Q2004
Q2006
P4
17
15
5
24V_DET
SOS
TUNER_MAIN_ON
PANEL_12V_ON
TUNER_SUB_ON
Q3870
Q2635
Q3863
SUB_ON
PANEL_12V_ON
Q3871
Q3855
TUNER_SUB_ON
24V_DET
P - BOARD
PC801
V1
5
8
7
6
1
Q1009
Q1007
Q1006
Q1010
Q1002
Q1004
D1001
D1002
PC1001
CATS
RM1001
REMOTE
OUT
4
IC1100
MICROPROCESSOR
IC4510
ADV7493B
IC8001
PeaksLite2
TIMER_REC_LED
AI_SENSOR
REMOTE
G_LED_ON
R_LED_ON
LCD PANEL
IC8601
EEPROM
IC8003
DDR2
LVDS bus
D1102D1100
QLINK
HDMI2
HDMI1
IC4500
EEPROM
JK8401
CI SLOT
IC8301
COFDM DEM
TU8301
DIG TUNER
HDMI CEC
JK4500
JK4501
IC4514
LEVEL
TRANSLATING
REMOTE
SERIAL bus
DATA
JK8801
SD CARD
IC4513
LEVEL
TRANSLATING
IC4501
EEPROM
IC8554
FLASH
IC8002
DDR2
IC1101
EEPROM
DG1
V - BOARD
IC4504
EEPROM
IC5660
RESET IC
MAIN5
V
MAIN3.3V
Q5691 Q5690
IC8004
CLK GEN
HDMI CEC
D1107
Q1107
Q1108
(EXCHANGE UNIT)
DG - BOARD
DG33
SERVICE
TUNER_MAIN_ON
SUB_ON
Q851
SOS
D3860
Q3865
18
19
PANEL_12V_ON
TV_SUB_ON
24V_DET
SOS
TV_MAIN_ON
17
15
5
18
19
DATA CONTROL
DATA CONTROL
DATA CONTROL
SUB_ON
Q3867 Q3867
IC1101
5
IC3855
1
24V_DET
DG5
TV_SUB_ON_DELAY
All manuals and user guides at all-guides.com

Related product manuals