EasyManua.ls Logo

Panasonic TX-36PL30 - Page 11

Panasonic TX-36PL30
44 pages
Print Icon
To Next Page IconTo Next Page
To Next Page IconTo Next Page
To Previous Page IconTo Previous Page
To Previous Page IconTo Previous Page
Loading...
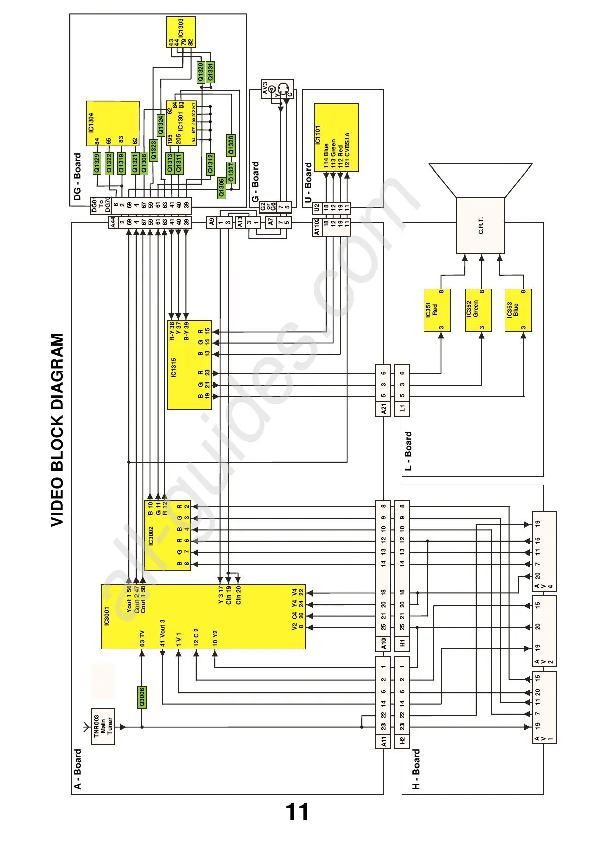
VIDEO BLOCK DIAGRAM
11
A13
3
1
A11
23 22 14 6 2 1
H2
23 22 14 6 2 1
H1
25 21 20 18
A10
25 21 20 18 14 13 12 10 9 8
14 13 12 10 9 8
A9
1
3
AV3
A7
7
5
G2
or
G6
7
5
Y
C
A1102
18
12
19
U2
18
12
19
114 Blue
113 Green
112 Red
IC1101
U - Board
G - Board
2
69
4
67
59
61
63
41
40
39
A21
536
L1
536
IC351
IC352
IC353
38
38
38
TNR003
Main
Tuner
Red
Green
Blue
A
V
1
A
V
2
A
V
4
19 7112015 19 20 15 2071115 19
63 TV
41 Vout 3
1 V 1
12 C 2
10 Y2
Yout 1 56
Cout 2 47
Cout 1 58
Y 3 17
Cin 19
Cin 20
V2
8
C4
26
Y4
24
V4
22
IC3001
IC3002
B
8
G
7
R
6
B
4
G
3
B
19
R 12
G 11
B 10
R-Y 38
Y 37
B-Y 39
G
21
R
23
B
13
G
14
R
15
IC1315
R
2
C.R.T.
DG - Board
A - Board
L - Board
H - Board
DG01
To
DG70
2
69
4
67
59
61
63
41
40
39
11 11
121 CVBS1A
Q3006
Q1329
Q1319
6
IC1304
84
83
Q1321
Q1322
65
Q1313
Q1312
IC1301
195
194
Q1311
205
62
Q1306
Q1327 Q1328
84
Q1308
Q1323
82
79
Q1320
Q1331
43
44
Q1324
IC1303
197
200
202
207
83
62
All manuals and user guides at all-guides.com
all-guides.com

Related product manuals