EasyManua.ls Logo

Panasonic TX-W32D3F/P - Page 10

Panasonic TX-W32D3F/P
44 pages
Print Icon
To Next Page IconTo Next Page
To Next Page IconTo Next Page
To Previous Page IconTo Previous Page
To Previous Page IconTo Previous Page
Loading...
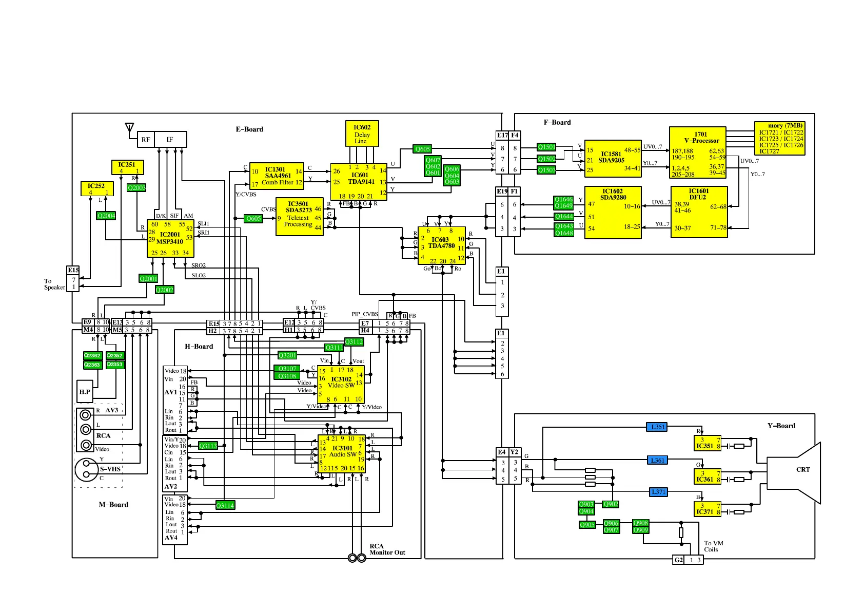
9,'(2 $1' $8',2 6,*1$/ 352&(66,1* %/2&. ',$*5$0
4
4
4
4

Related product manuals