EasyManua.ls Logo

Paragon P10 - Page 37

Paragon P10
48 pages
Print Icon
To Next Page IconTo Next Page
To Next Page IconTo Next Page
To Previous Page IconTo Previous Page
To Previous Page IconTo Previous Page
Loading...
P a g e | 36
P10 SERVICE / FAULT FINDING INSTRUCTIONS
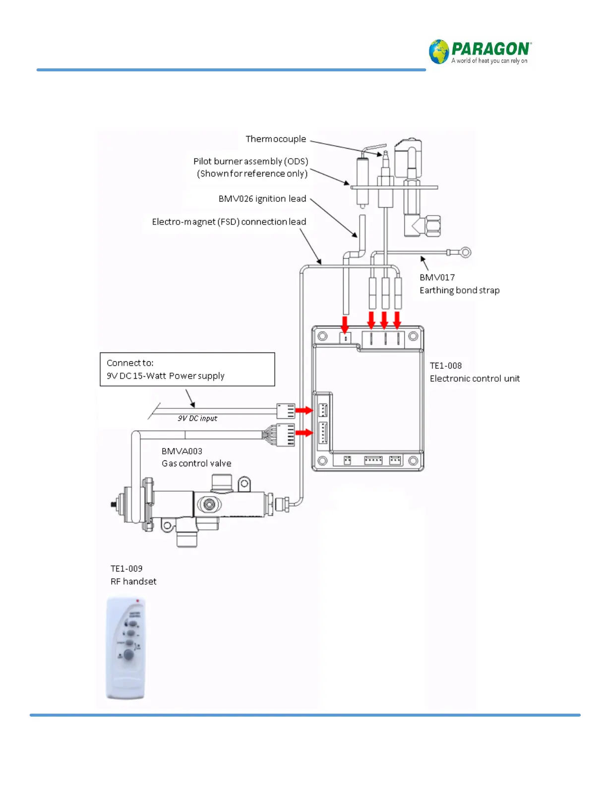
Wiring Diagram

Related product manuals