EasyManua.ls Logo

PASCO SF-9586 - Schematic Diagrams; Main Circuit Schematic

Default Icon
8 pages
Print Icon
To Next Page IconTo Next Page
To Next Page IconTo Next Page
To Previous Page IconTo Previous Page
To Previous Page IconTo Previous Page
Loading...
6
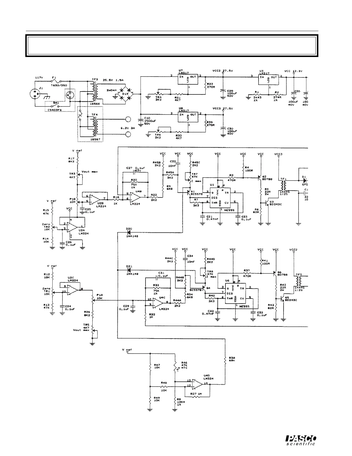
Kilovolt Power Supply 012-02815D
Schematic
Schematic