EasyManua.ls Logo

PASCO SF-9586 - Schematic Continuation

Default Icon
8 pages
Print Icon
To Next Page IconTo Next Page
To Next Page IconTo Next Page
To Previous Page IconTo Previous Page
To Previous Page IconTo Previous Page
Loading...
7
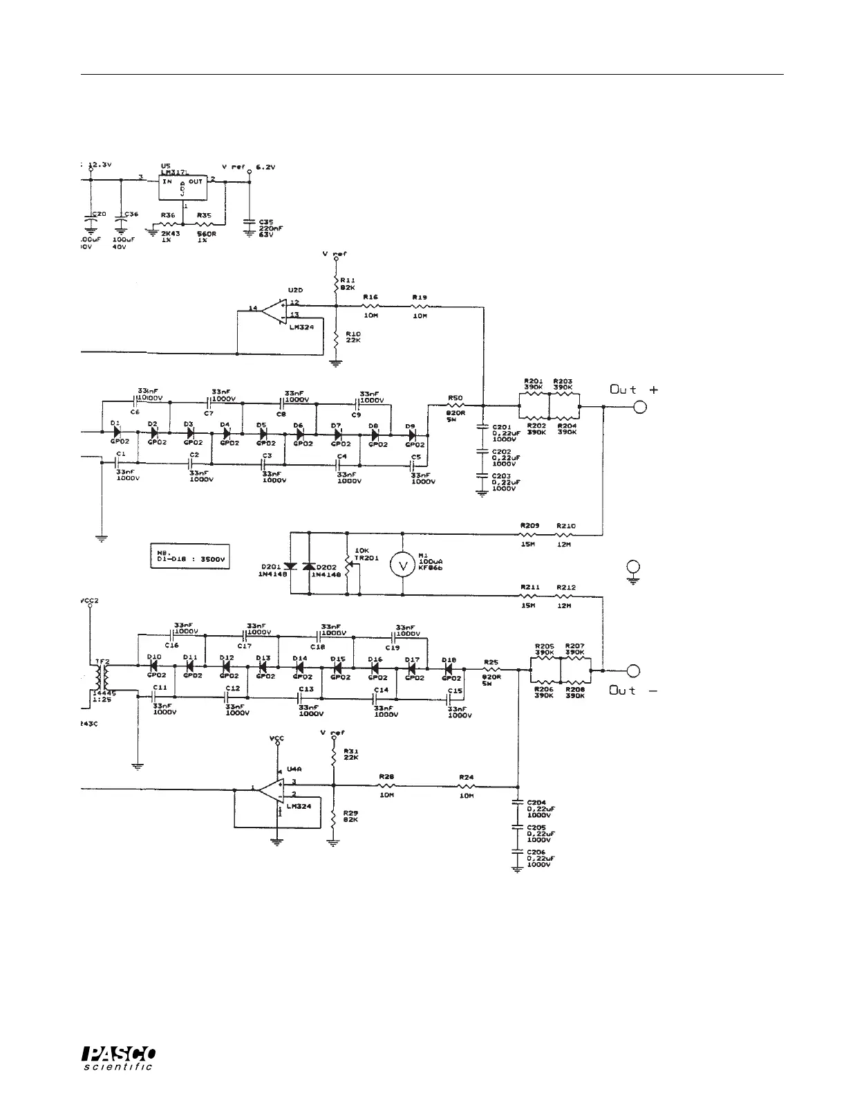
012-02815D Kilovolt Power Supply
Schematic continued