EasyManua.ls Logo

Paso 5000 Series - Block Diagram

Paso 5000 Series
38 pages
Print Icon
To Next Page IconTo Next Page
To Next Page IconTo Next Page
To Previous Page IconTo Previous Page
To Previous Page IconTo Previous Page
Loading...
SERIE 5000
36
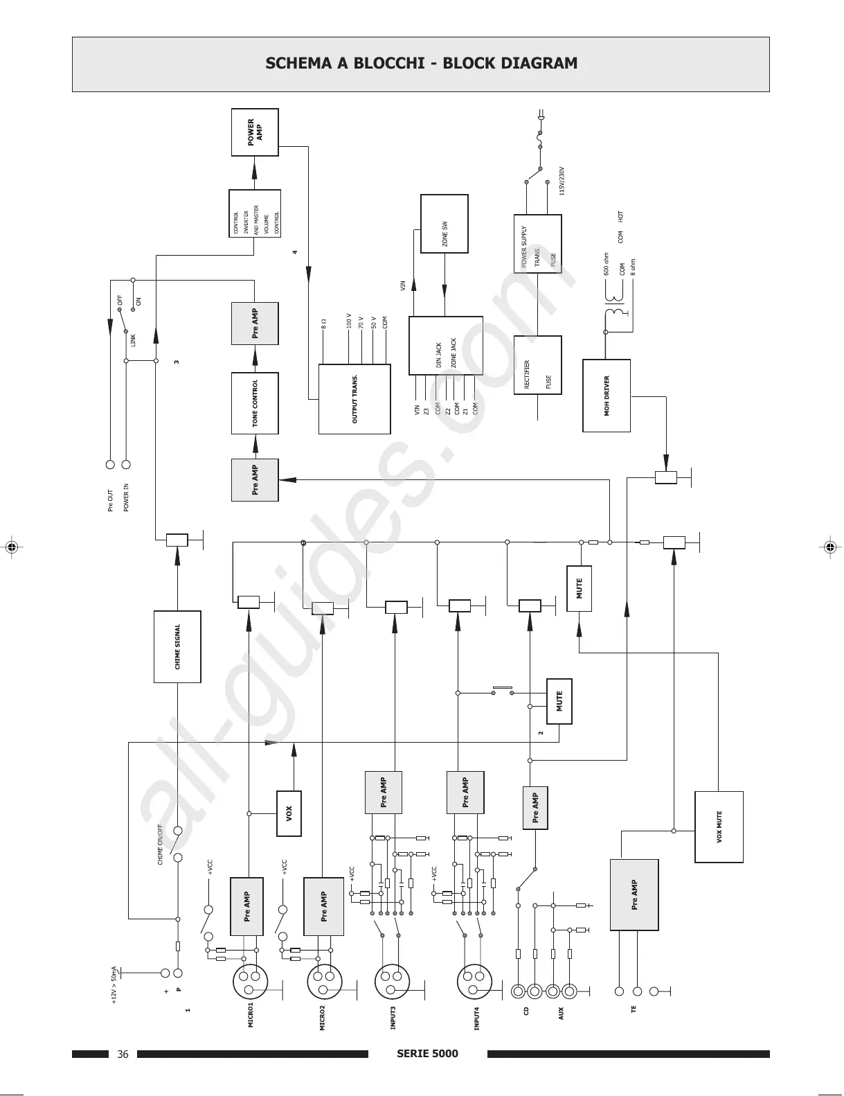
SCHEMA A BLOCCHI - BLOCK DIAGRAM
11-541.p65 26/10/01, 14.1936
All manuals and user guides at all-guides.com
all-guides.com

Related product manuals