EasyManua.ls Logo

Paso P8036 - Page 18

Default Icon
26 pages
Print Icon
To Next Page IconTo Next Page
To Next Page IconTo Next Page
To Previous Page IconTo Previous Page
To Previous Page IconTo Previous Page
Loading...
18
P8036
ON
1234
ITALY
+12V INPUT TO SPEAKER ZONE
P8036 SIX ZONE UNIT
CHIME VOX IN D V MUS.OUT TAPE CD TUNER AUX
FUSE
ALL
+12V
ZONE 1
ZONE 2
ZONE 3
ZONE 4
ZONE 5
ZONE 6
0V
0V
100V
100V
CONSUMPT. : 18W
24V
MAX0,8A
IN
T250mA
L
0
OR
Z6
L
0
OR
Z5
L
0
OR
Z4
L
0
OR
Z3
L
0
OR
Z2
L
0
OR
Z1
AF
VOL
MIX OUT
TON
+12V
PREC.
SINGLE
PRY B
~
230V 50/60Hz
COIL
+
BATTERY
+24 Vcc
BASS TREBLE
MASTER VOLUME POWER
ONOVERL.
OUTPUTLEVEL
+10-6-40
005
10 10 0+10 +10 10
dB
POWER AMPLIFIER
AW 8000
SERIES
I
0
SPEECH
ZONE SELECT
BASE INPUT
BASS TREBLE
MASTER VOLUME POWER
ONOVERL.
OUTPUTLEVEL
+10-6-40
005
10 10 0+10 +10 10
dB
POWER AMPLIFIER
AW 8000
SERIES
I
0
da / from
B613/B616
da / from
B613/B616
BASS TREBLE
MASTER VOLUME POWER
ONOVERL.
OUTPUTLEVEL
+10-6-40
005
10 10 0+10 +10 10
dB
POWER AMPLIFIER
AW 8000
SERIES
I
0
BOOSTER INPUT
ZONE 1
100 V
OUT
ZONE 1
100 V
OUT
ZONE 1
100 V
OUT
MUSIC
ON
1234
ITALY
+12V INPUT TO SPEAKER ZONE
P8036 SIX ZONE UNIT
CHIME VOX IN D V MUS.OUT TAPE CD TUNER AUX
FUSE
ALL
+12V
ZONE 1
ZONE 2
ZONE 3
ZONE 4
ZONE 5
ZONE 6
0V
0V
100V
100V
CONSUMPT. : 18W
24V
MAX0,8A
IN
T250mA
L
0
OR
Z6
L
0
OR
Z5
L
0
OR
Z4
L
0
OR
Z3
L
0
OR
Z2
L
0
OR
Z1
AF
VOL
MIX OUT
TON
+12V
PREC.
SINGLE
PRY B
~
230V 50/60Hz
COIL
100 V
OUT
BASS TREBLE
MASTER VOLUME POWER
ONOVERL.
OUTPUTLEVEL
+10-6-40
005
10 10 0+10 +10 10
dB
POWER AMPLIFIER
AW 8000
SERIES
I
0
IN
SPEECH
ZONE SELECT
BASE INPUT
BASS TREBLE
MASTER VOLUME POWER
ONOVERL.
OUTPUTLEVEL
+10-6-40
005
10 10 0+10 +10 10
dB
POWER AMPLIFIER
AW 8000
SERIES
I
0
IN
100 V
OUT
MUSIC
+
BATTERY
+24 Vcc
ZONE 5
ZONE 6
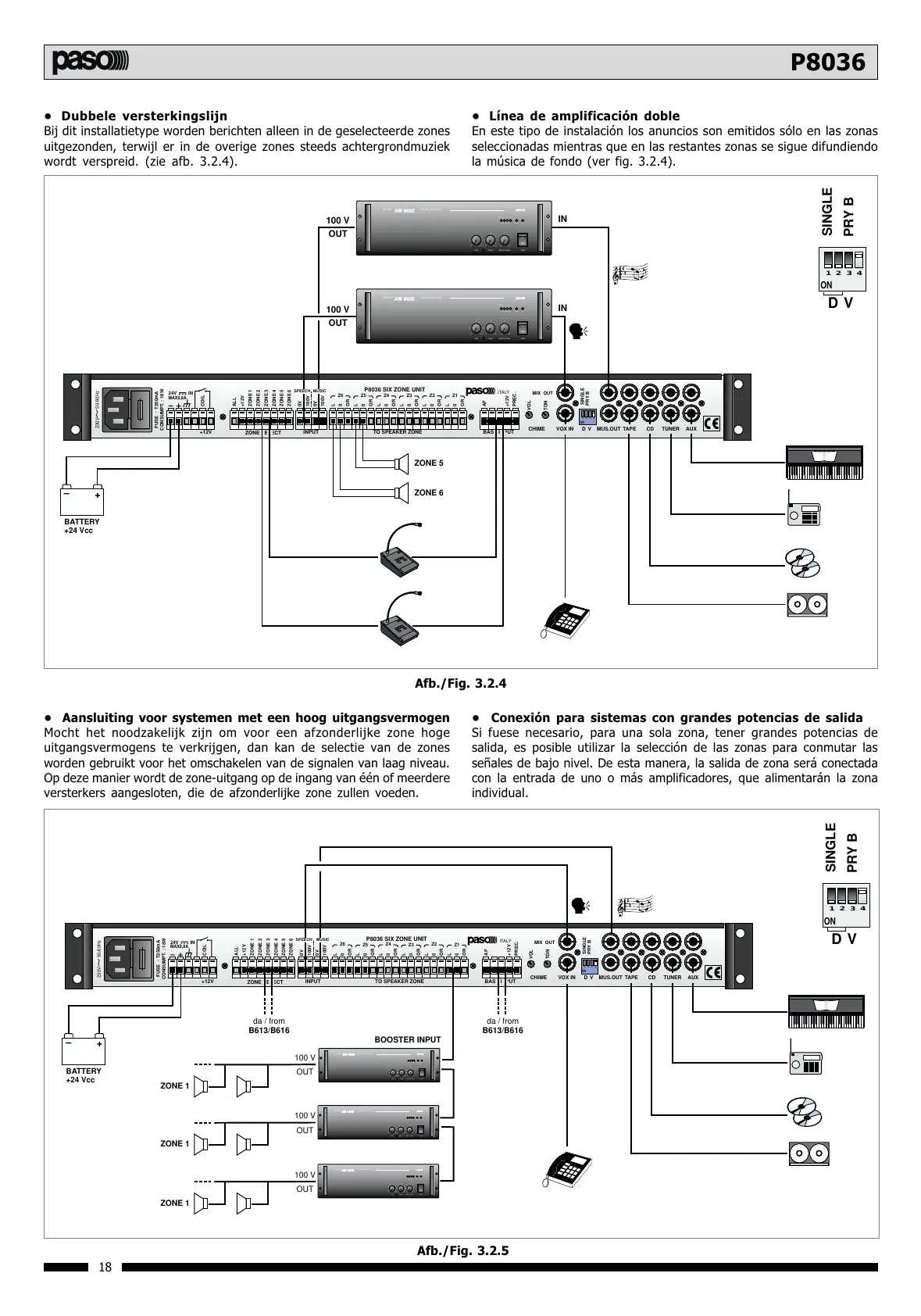
Dubbele versterkingslijn
Bij dit installatietype worden berichten alleen in de geselecteerde zones
uitgezonden, terwijl er in de overige zones steeds achtergrondmuziek
wordt verspreid. (zie afb. 3.2.4).
ON
1234
DV
SINGLE
PRY B
Afb./Fig. 3.2.4
Aansluiting voor systemen met een hoog uitgangsvermogen
Mocht het noodzakelijk zijn om voor een afzonderlijke zone hoge
uitgangsvermogens te verkrijgen, dan kan de selectie van de zones
worden gebruikt voor het omschakelen van de signalen van laag niveau.
Op deze manier wordt de zone-uitgang op de ingang van één of meerdere
versterkers aangesloten, die de afzonderlijke zone zullen voeden.
Afb./Fig. 3.2.5
ON
1234
DV
SINGLE
PRY B
Conexión para sistemas con grandes potencias de salida
Si fuese necesario, para una sola zona, tener grandes potencias de
salida, es posible utilizar la selección de las zonas para conmutar las
señales de bajo nivel. De esta manera, la salida de zona será conectada
con la entrada de uno o más amplificadores, que alimentarán la zona
individual.
Línea de amplificación doble
En este tipo de instalación los anuncios son emitidos sólo en las zonas
seleccionadas mientras que en las restantes zonas se sigue difundiendo
la música de fondo (ver fig. 3.2.4).
All manuals and user guides at all-guides.com

Related product manuals