EasyManua.ls Logo

Peavey ROCK MASTER - Page 7

Peavey ROCK MASTER
Print Icon
To Next Page IconTo Next Page
To Next Page IconTo Next Page
To Previous Page IconTo Previous Page
To Previous Page IconTo Previous Page
Loading...
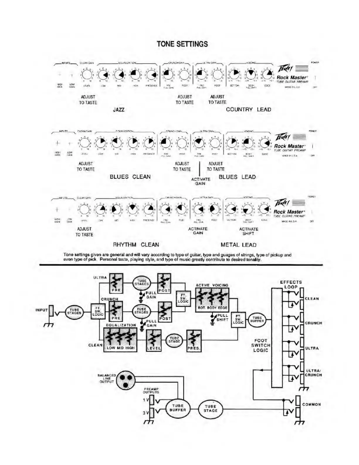
TONE
SEHINGS
QOra-®;C^;€iO€iOjA«ta
Rock
Mostor
TVW
aU.7Afi
WfAlff
•uc*
*11.1>
ADJUST
TO
TASTE
JAZZ
ADJUST
ADJUST
TO
TASTE
TO
TASTE
COUNTRY
LEAD
Rock
Master
nige
ow'Afi
WAfcv*
ADJUST
TO
TASTE
BLUES
CLEAN
ADJUST
j
ADJUST
TO
TASTE
TO
TASTE
actIvate
blues
lead
QASN
O}
'C>^‘
'i3‘‘
O’
^U0Mr-
roee
wai*“
VMBibS*
ADJUST
T
0
TA
5
T
6
ACTIVATE
GAM
ACTIVATE
SHIFT
RHYTHM
CLEAN
METAL
LEAD
Tore
sellings
piven
are
general
ard
wil
vary
accordng
eo
ty^
of
guitar,
type
and
guages
of
strings,
type
of
picfcup
and
even
type
of
pieA
Pefsorel
laeca,
playing
style,
end
type
ol
music
gready
ccntributs
to
desired
tenalty.
INAUT
ACTIVE
vOtCiNG
CLEAN
i
ill
n
1
H
PT.
9W.
LOQ«
i.
FOOT
SWITCH
LOGIC
EFFECTS
LOOP
[P'
CLEAN
CRUNCH
ULTRA
uirnA/
CRUNCH
COMMON

Related product manuals