EasyManua.ls Logo

Peavey UMA 752 - Page 3

Peavey UMA 752
4 pages
Print Icon
To Next Page IconTo Next Page
To Next Page IconTo Next Page
To Previous Page IconTo Previous Page
To Previous Page IconTo Previous Page
Loading...
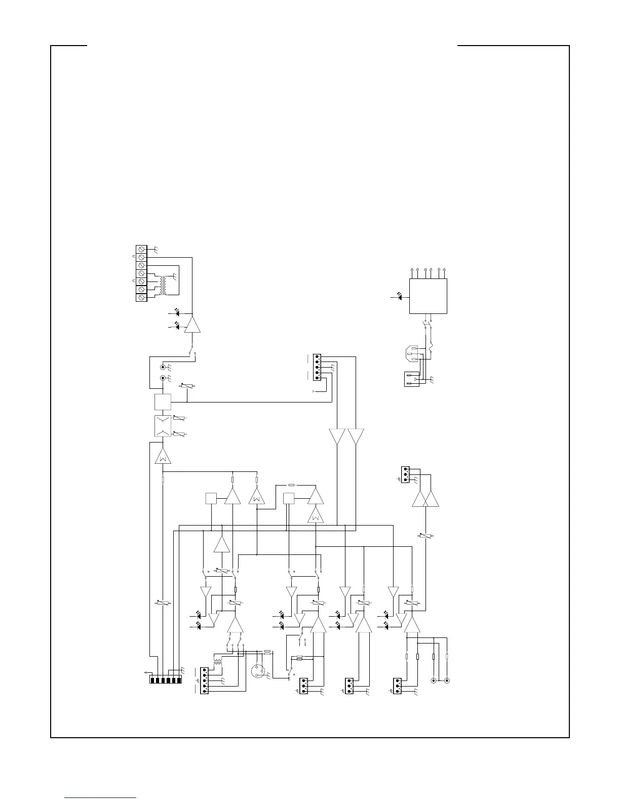
UMA
752 MIXER/AMPLIFIERSpecifications
The master section shall include front panel
bass and treble EQ controls, each with a
±10 dB range of operation. A front panel
master level control shall control the output
signal level of the preamp/mixer. The
capability to insert an external device shall
be included via two RCA jacks. A loop
switch shall bypass the loop point. Remote
master level control capability shall be
included along with remote control for each
mute bus.
The mixer amplifier shall have a direct
4 Ohm output, and 3 transformer-balanced
outputs – 100 Volt, 70 Volt, and 8 Ohm. The
amplifier shall include clipping protection
via SPS
. The unit shall be called the
Peavey Architectural Acoustics Division
model UMA 752.
WWaarrrraannttyy
Three + two limited warranty
Note: For details, refer to the warranty
statement. Copies of this statement may be
obtained by contacting Peavey Electronics
Corporation, P.O. Box 2898, Meridian,
Mississippi 39302-2898.
CH 1
LEVEL
CH 2 IN
MASTER
LEVEL
SPS
MU TE2
THRESH
-
PA
CH 2
LEVEL
+
-
MASTER
LEVEL
CONTROL
MOD ULE
PO RT
+
PREAMP
MIC
HIGH
LINE
+24V
PWR
IN
LOW
PRE
OUT
LOOP
PREAMP
SIGNAL
MU TE2
SENS
MU TE1
CH 1 IN
INPUT
LEVEL
MU TE1
-
+
MIC
TEL
TELMIC
MIC
SENS
GND
IN
OUT
24V
MUTE 2
MUTE 1
ACTIVE
DEFEA T
SIGNAL MUTE
MU TE2
DEFEA T
ACTIVE
CH 1
STEREO IN
CH 4 OUT
LEVEL
R
CH 4
LEVEL
PREAMP
CH 3
LEVEL
L
PREAMP
CH 3 IN
+
-
-
+
CH 4 IN
BYPASS
ENAB LE
EXT
1
RV C
2CV
MUTE
SHD
CH 4 OUT
+
-
8 4 GNDXFMRCOM70V100V
OUTP UTS
AC RECEPTACLE
(120V UNIT ONLY)
POWER SUPPLY
AC Input
Fuse
Power
Switch
POWER
SIGNAL MUTE
MUTESIGNAL
MUTESIGNAL
+Vhi
-Vhi
+Vlo
-Vlo
+Vmod
+Vfan
24V
+V
HILO
L
N
G

Related product manuals