EasyManua.ls Logo

Peavey XR-AT - Page 15

Peavey XR-AT
20 pages
Print Icon
To Next Page IconTo Next Page
To Next Page IconTo Next Page
To Previous Page IconTo Previous Page
To Previous Page IconTo Previous Page
Loading...
HI PASS
HI PASS 1-
1+
LO PASS
+48V
EQ
LO MID HI
Graphic EQ with FLS
Graphic EQ with FLS
EQ
LO MID HI
LO
80Hz
4kHz
MID-MORPH
12kHz
HI
400Hz
1-
1+
1-
1+
1-
1+
3
GND
1
2
T
R
S
3
GND
1
2
T
R
S
OUTPUTS
ON/OFF
SELECTOR
EFX
OUT
CLIP
FOOTSWITCH
DEFEAT
REC
OUT
AMP2
OUT
AMP1
MAIN
OUT
MON
LEVEL
SIGNAL
CLIP
LEVEL
EFX
SIGNAL
LEFT
RIGHT
SIGNAL
MIC PRE
EFX
MON
EFX
LEVEL
USB INPUT
EQ
LEVEL
MONITOR
CLIP
LIMITER
LIMITER
MUTE
MICS
DEFEAT / MUTE MICS
VOLUME
MASTER
ASSIGN
VOLUME
MONITOR
LOW
MUTE
LINE
INPUT
BLUETOOTH
SUB
EFX
EFX
EFFECTS
MEDIA
SELECTOR
MICS
MUTE
AMP2
EQ
9 - BAND EQ
9 - BAND EQ
EQ
HIGH
CHANNEL 8
MEDIA PLAYER
MIC PRE
USB
BLUETOOTH/
CHANNEL 9
CHANNEL 1 - 7
AMP2 IN
AMP1 IN
MICS
CH. 1-7
CH. 8/9
CLIP
MONITOR
COMP
LEVEL
KOSMOS ENABLE
MONITOR
STATUS
AUTO-TUNE
TO MONITOR
AUTO-TUNE
PAD
MONITOR
EFX TO
LINE
XLR
KOSMOS - C
XLR
LINE
XLR-1/4"
SELECT
MP3 IN
AMP2
SPEAKER
POWER
AMP1
POWER
CH 1-3 ONLY
ON/OFF
FOOTSWITCH
PRESET
COMBO
COMBO
PHANTOM
PHANTOM
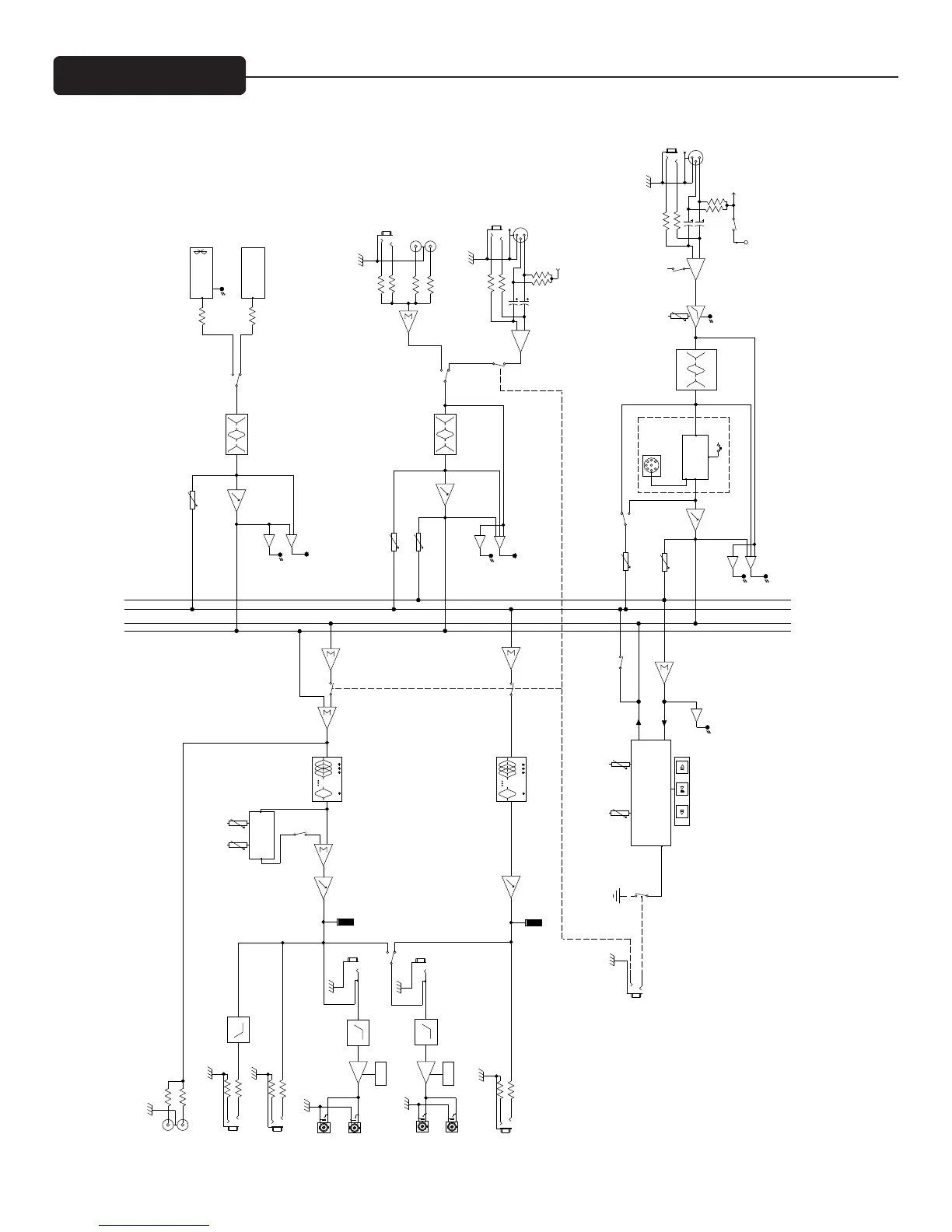
Block Diagram

Related product manuals