EasyManua.ls Logo

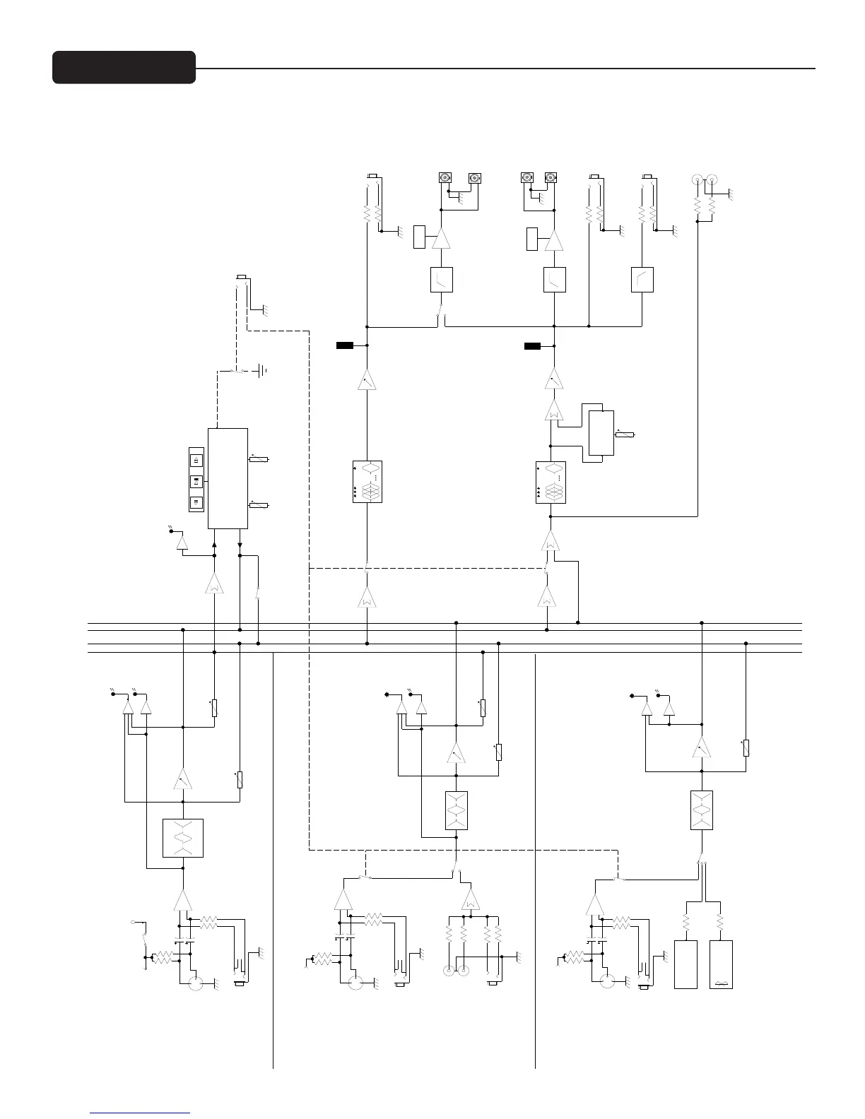
Peavey XR s - Block Diagram

Peavey XR s
16 pages
To Next Page IconTo Next Page
To Next Page IconTo Next Page
To Previous Page IconTo Previous Page
To Previous Page IconTo Previous Page
Loading...
14
14
Block Diagram
2
1
2
1
2
1
2
1
HI PASS
HI PASS
Peavey Electronics Corp.
4
3
2
1
D
4
3
2
1
CBA
A B C D
Sheet Title:
Title:
Sheet
Date:
of
D
CONFIDENTIAL
Meridian, MS 39305
5022 Hartley Peavey Drive
+48V
LO
80Hz
4kHz
MID-MORPH
12kHz
HI
400Hz
EQ
LO MID HI
Graphic EQ with FLS
Graphic EQ with FLS
EQ
LO MID HI
LO PASS
LINE
MUTE
MICS
AMP1
AMP2
EFX
EFX
OUT
KOSMOS - C
CLIP
FOOTSWITCH
DEFEAT
REC
OUT
AMP2
OUT
AMP1
MAIN
OUT
MON
LEVEL
SIGNAL
CLIP
LEVEL
EFX
SIGNAL
LEFT
RIGHT
SUM
MP3 IN
SIGNAL
MIC PRE
EFX
CLIP
MON
EFX
EQ
LEVEL
USB INPUT
EQ
LEVEL
MONITOR
MONITOR
MONITOR
CLIP
LIMITER
LIMITER
LEVEL
MUTE
MICS
DEFEAT / MUTE MICS
VOLUME
ASSIGN
VOLUME
MONITOR
LOW
INPUT
BLUETOOTH
SUB
EFX
EFX
MEDIA
SELECTOR
TO MONITOR
MIC PRE
MIC PRE
AMP2
EQ
9 - BAND EQ
9 - BAND EQ
XLR
USB
Bluetooth
MUTE
MICS
SPEAKER
OUTPUTS
CHANNEL 8
CHANNEL 7
CHANNEL 1 - 6
CH. 1-6
CH. 7/8
MAIN
SELECTOR
EFFECTS
MEDIA
MUTE
MICS
MEDIA
XLR-LINE/
XLR
LINE
LINE
XLR
XLR
PHANTOM
PHANTOM
2
3
1
XRSBLK
3-16-2015_13:312 2
2
3
1
2
3
1
PHANTOM

Related product manuals