EasyManua.ls Logo

PEERLESS Series MI - Page 22

PEERLESS Series MI
44 pages
Print Icon
To Next Page IconTo Next Page
To Next Page IconTo Next Page
To Previous Page IconTo Previous Page
To Previous Page IconTo Previous Page
Loading...
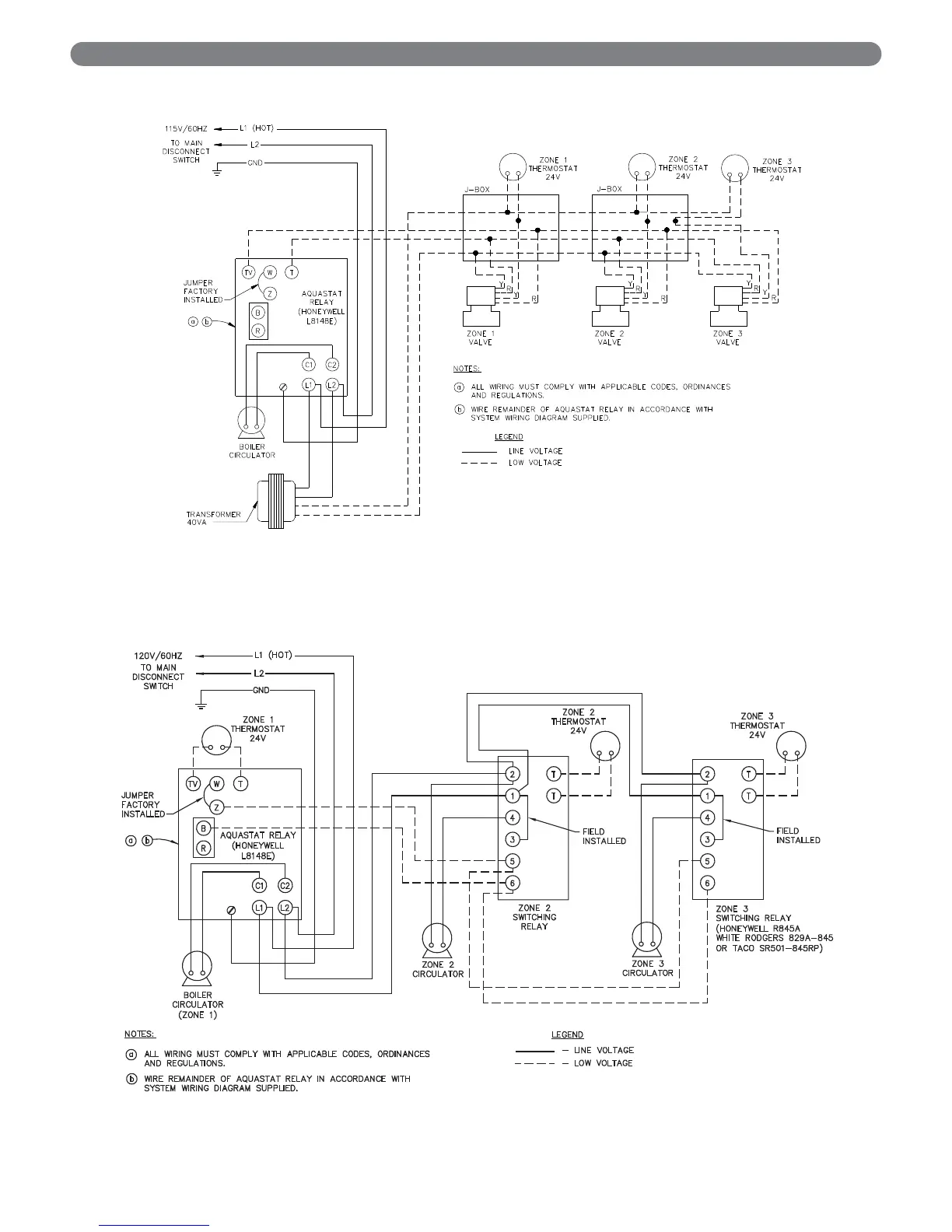
Figure 6.5: Zone Wiring with Zone Valves
Figure 6.6: Zone Wiring with Circulators
20

Related product manuals