EasyManua.ls Logo

PennBarry DYNAMO - Page 11

PennBarry DYNAMO
16 pages
Print Icon
To Next Page IconTo Next Page
To Next Page IconTo Next Page
To Previous Page IconTo Previous Page
To Previous Page IconTo Previous Page
Loading...
11
www.PennBarry.com
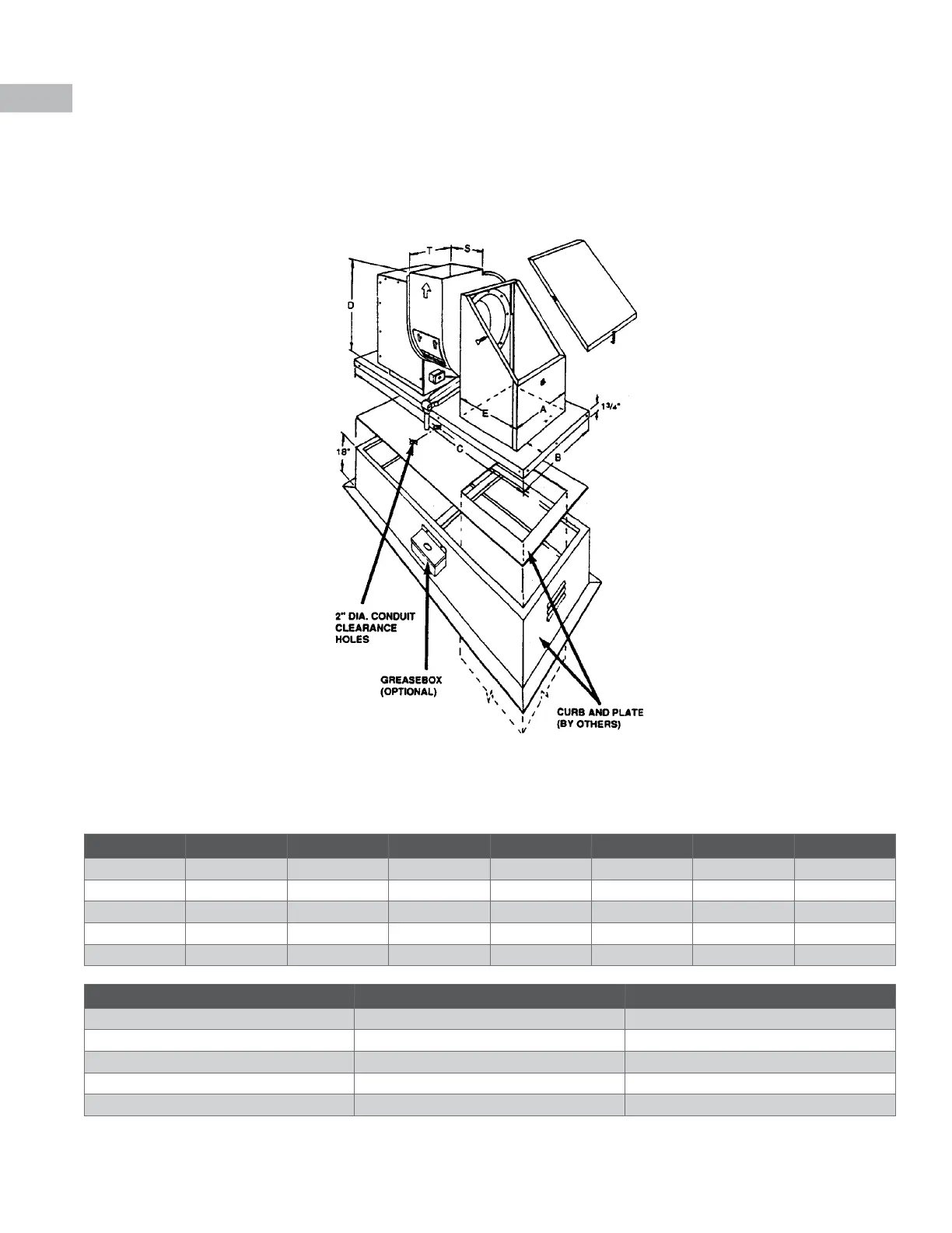
Model S T
US10DP 8 1/4” 11 1/4”
US13DP 10 1/2” 14 3/8”
US16DP 12 3/4” 17 1/2”
US20DP 14 3/4” 21 3/4”
US24DP 19” 26”
UNIPAK TYPICAL INSTALLATION
Model A B C D E F G
US10DP 3/4” 14 1/4” 26 1/8” 52 1/8” 24 1/8” 17 9/16” 5 1/32”
US13DP 1” 17 7/16” 28 1/8” 56 1/8” 28 5/16” 17 5/16” 4 31/32”
US16DP 1 3/16” 20 15/16” 34 1/8” 68 1/8” 34 5/16” 20 13/16” 6 1/32”
US20DP 1 3/16” 24 1/2” 40 3/16” 80 3/16” 40 5/16” 24 5/16” 6 1/32”
US24DP 1 7/16” 29 5/16” 44 3/16” 88 3/16” 48 3/4” 29 1/16” 5 31/32”

Related product manuals