EasyManua.ls Logo

Perkins 1206A-E70TTA - Page 23

Perkins 1206A-E70TTA
108 pages
Print Icon
To Next Page IconTo Next Page
To Next Page IconTo Next Page
To Previous Page IconTo Previous Page
To Previous Page IconTo Previous Page
Loading...
(3) Off engine primary fuel filter
(4) Radiator coolant drain plug
(5) Fuel cooler
(6) Air cleaner
(7) Air cleaner service indicator
(8) Coolant header tank
(9) Coolant pressure cap (Coolant top up
cap)
Engine Only
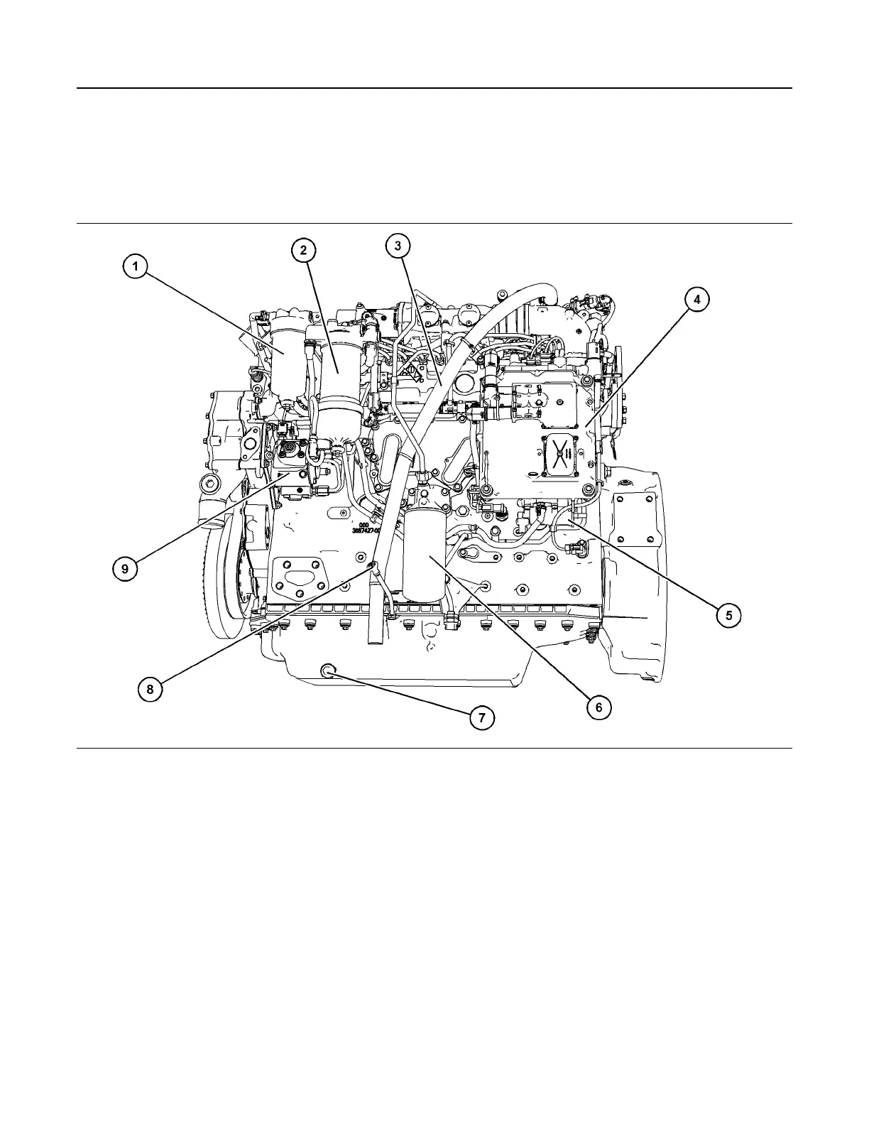
Illustration 19 g06276515
Typical example
(1) Secondary fuel filter
(2) On engine primary fuel filter
(3) Breather outlet hose
(4) Electronic Control Module (ECM)
(5) Electric fuel priming pump
(6) Oil filter
(7) Oil drain plug
(8) Oil gauge (Dipstick)
(9) High-pressure fuel pump
M0090743 23
Product Information Section
Model View Illustrations

Table of Contents

Related product manuals