EasyManua.ls Logo

Perkins 404J-E22TA - Page 27

Perkins 404J-E22TA
128 pages
Print Icon
To Next Page IconTo Next Page
To Next Page IconTo Next Page
To Previous Page IconTo Previous Page
To Previous Page IconTo Previous Page
Loading...
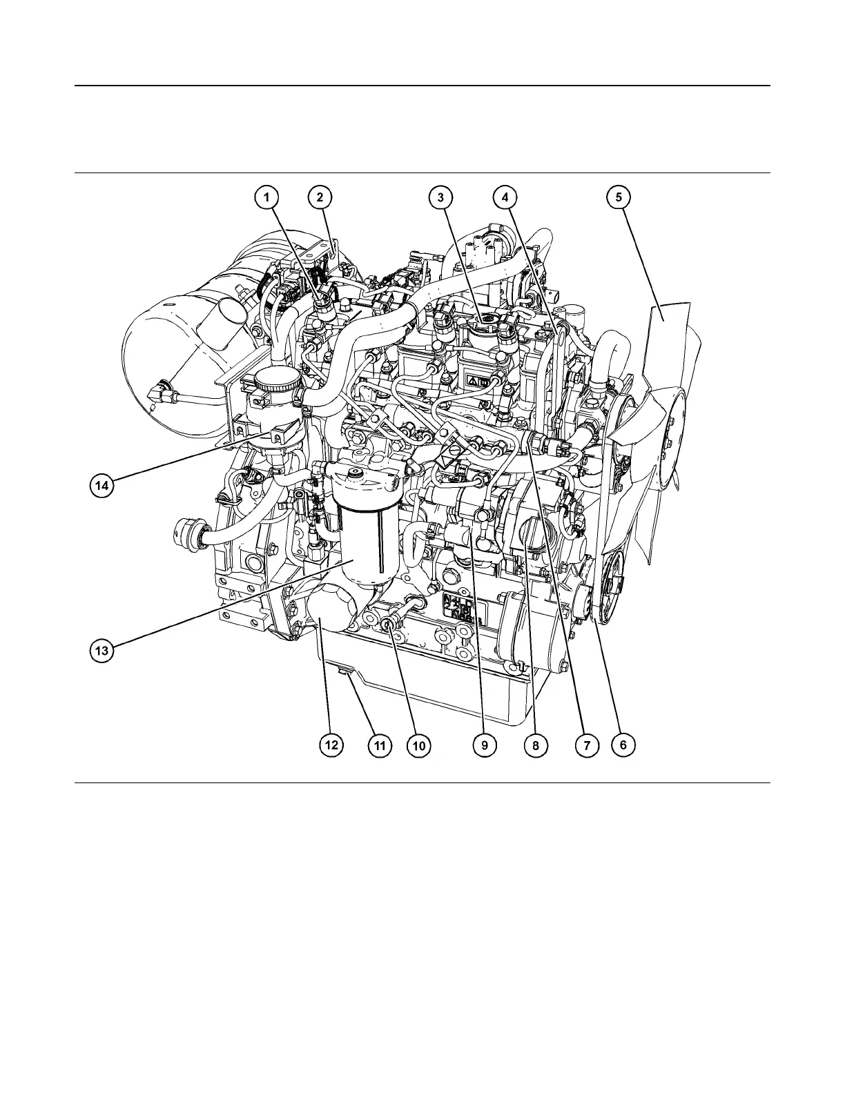
Four Cylinder Engine
Illustration 21 g06310812
Typical example
(1) Electronic unit injector
(2) Rear lifting eye
(3) Top oil fill cap
(4) Front lifting eye
(5) Fan
(6) Alternator and fan belt
(7) Fuel manifold (rail)
(8) Lower oil filler cap
(9) Fuel injection pump
(10) Oil gauge (dipstick)
(11) Oil drain plug
(12) Oil filter
(13) Secondary fuel filter
(14) Crankcase breather
M0094137-02 27
Product Information Section
Model View Illustrations

Table of Contents

Related product manuals