EasyManua.ls Logo

Perkins D6500 - Page 25

Perkins D6500
39 pages
Print Icon
To Next Page IconTo Next Page
To Next Page IconTo Next Page
To Previous Page IconTo Previous Page
To Previous Page IconTo Previous Page
Loading...
Perkins Manufacturing Company 800-882-5292
Creators of the TuckAway® Cart Lifter
www.perkinsmfg.com
Revised: 5/7/2019
Page 24
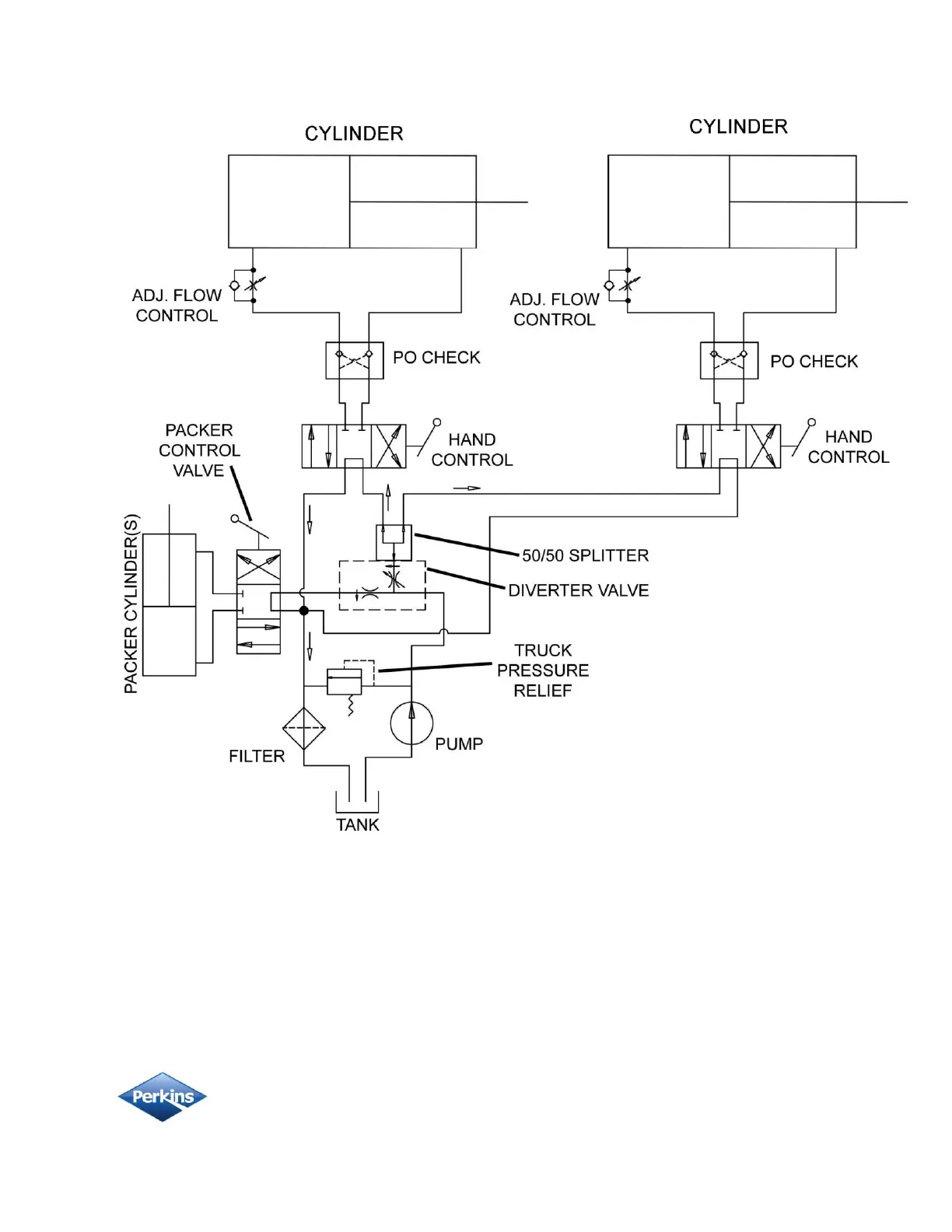
Suggested Perkins Double Lifter Hydraulics Schematic
The circuit is only a suggestion and for reference only, the lifter comes with the cylinder and Adj. Flow Control Only.
Other components are part of the (sold separately) hydraulic kit or part of the trucks’ hydraulic system.