EasyManua.ls Logo

Pfaff expression 2034 - Utility Stitches: Gathering Techniques; Gathering with Straight Stitch (1); Gathering with Elastic Threads (19)

Pfaff expression 2034
112 pages
Print Icon
To Next Page IconTo Next Page
To Next Page IconTo Next Page
To Previous Page IconTo Previous Page
To Previous Page IconTo Previous Page
Loading...
65
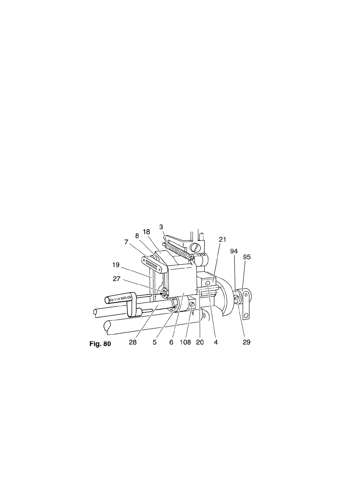
Fold the baseplate towards the machine.
Attach the cable clip.
Fasten the baseplate on the housing with the three fastening screws.
Attach the face plate.
Attach connection plug 2 onto the circuit board of the front housing shell.
Install the sewing lamp cable.
Mount the facing panel of the front housing panel.
Insert the housing insert and fasten with the torx screws.
Attach the top cover.
The following points must be checked and adjusted:
Section 17 "Adjustment of bobbin thread tension"
Section 18 "Adjustment of needle thread tension"
Section 20 "Adjustment of equal forward and reverse stitch length"
An electrical safety test must be carried out in accordance with VDE 0701 using the testing appliance
Metrawatt 5013.

Table of Contents

Other manuals for Pfaff expression 2034

Related product manuals