EasyManua.ls Logo

Philips 107E7 - Page 51

Philips 107E7
79 pages
Print Icon
To Next Page IconTo Next Page
To Next Page IconTo Next Page
To Previous Page IconTo Previous Page
To Previous Page IconTo Previous Page
Loading...
17” CDT Color Monitor 107E7
51
M24C08-BN6
IC102
8
5
6
1
2
3
7
4
VCC
ISDA
ISCL
A0
A1
A2
WP
A4
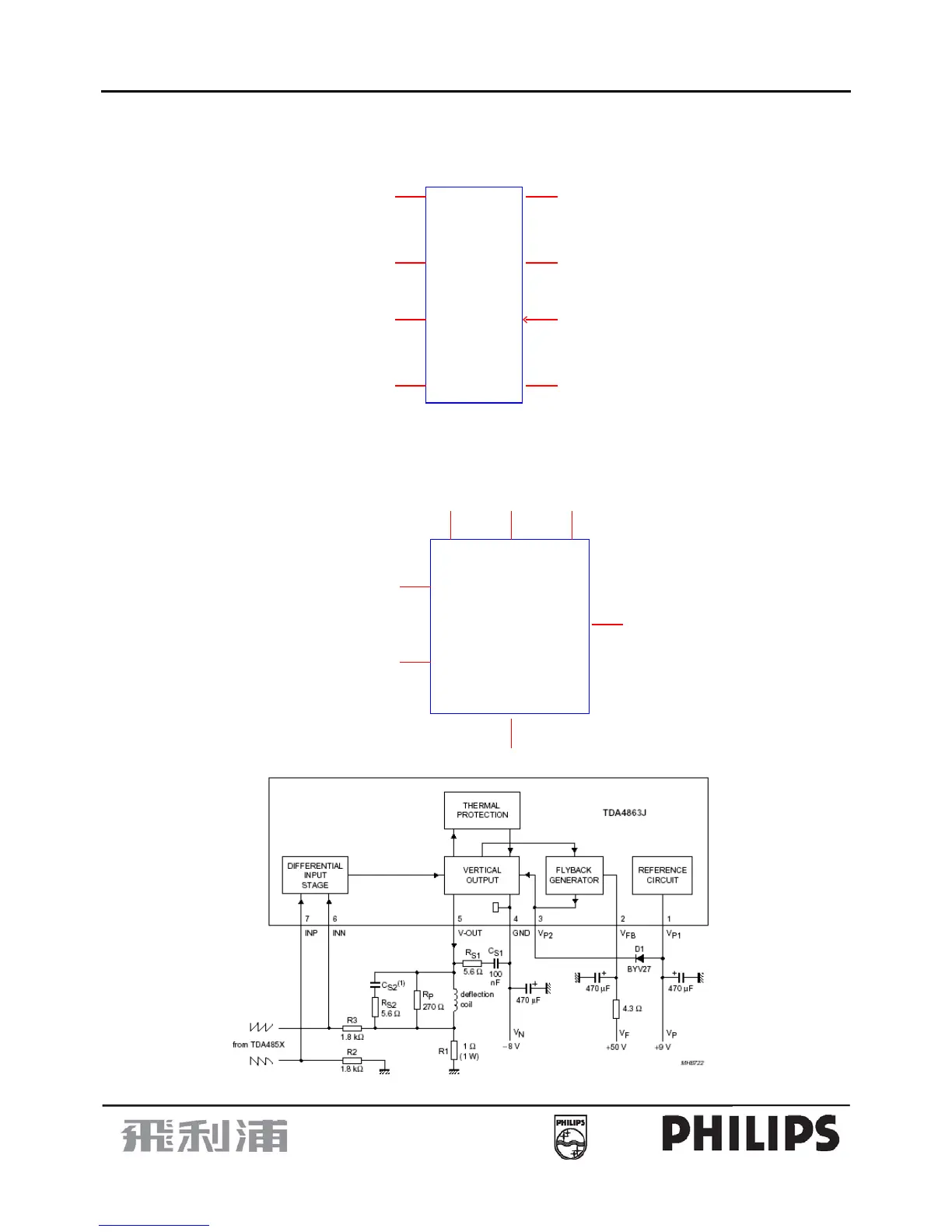
TDA4863A
IC601
1
3
2
6
7
4
5
VCC
N
VF
-I/P
+I/P
GND
+O/P
IC601 TDA4863A

Related product manuals