EasyManua.ls Logo

Philips 22DC594/35X - Page 14

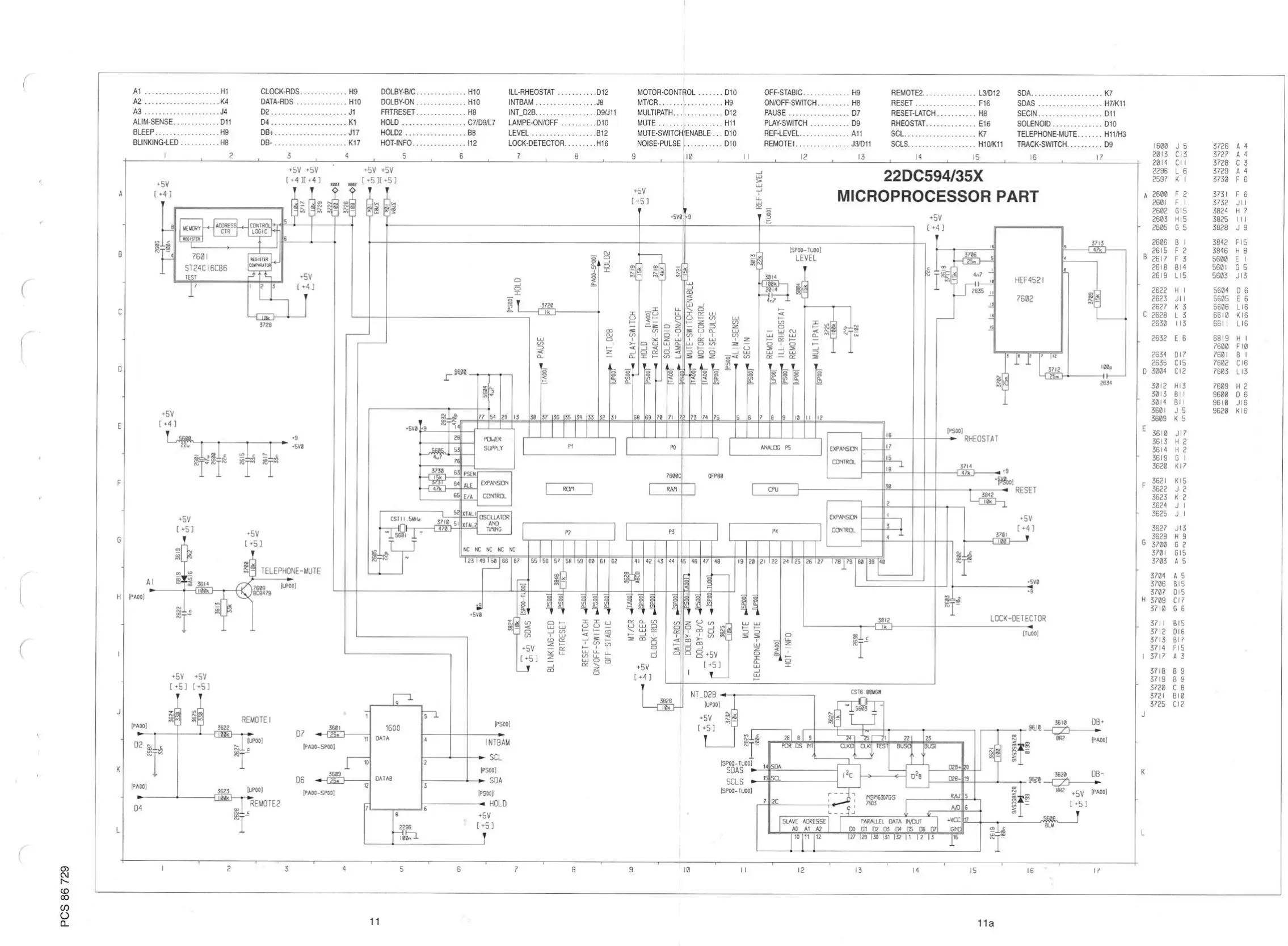
Philips 22DC594/35X
27 pages
Print Icon
To Next Page IconTo Next Page
To Next Page IconTo Next Page
To Previous Page IconTo Previous Page
To Previous Page IconTo Previous Page
Loading...

Related product manuals