EasyManua.ls Logo

Philips 32PFL4606H/12 - Audio Amp;Headphone out

Philips 32PFL4606H/12
83 pages
Print Icon
To Next Page IconTo Next Page
To Next Page IconTo Next Page
To Previous Page IconTo Previous Page
To Previous Page IconTo Previous Page
Loading...
IC Data Sheets
EN 44 TPM7.1E LA8.
2011-Aug-19
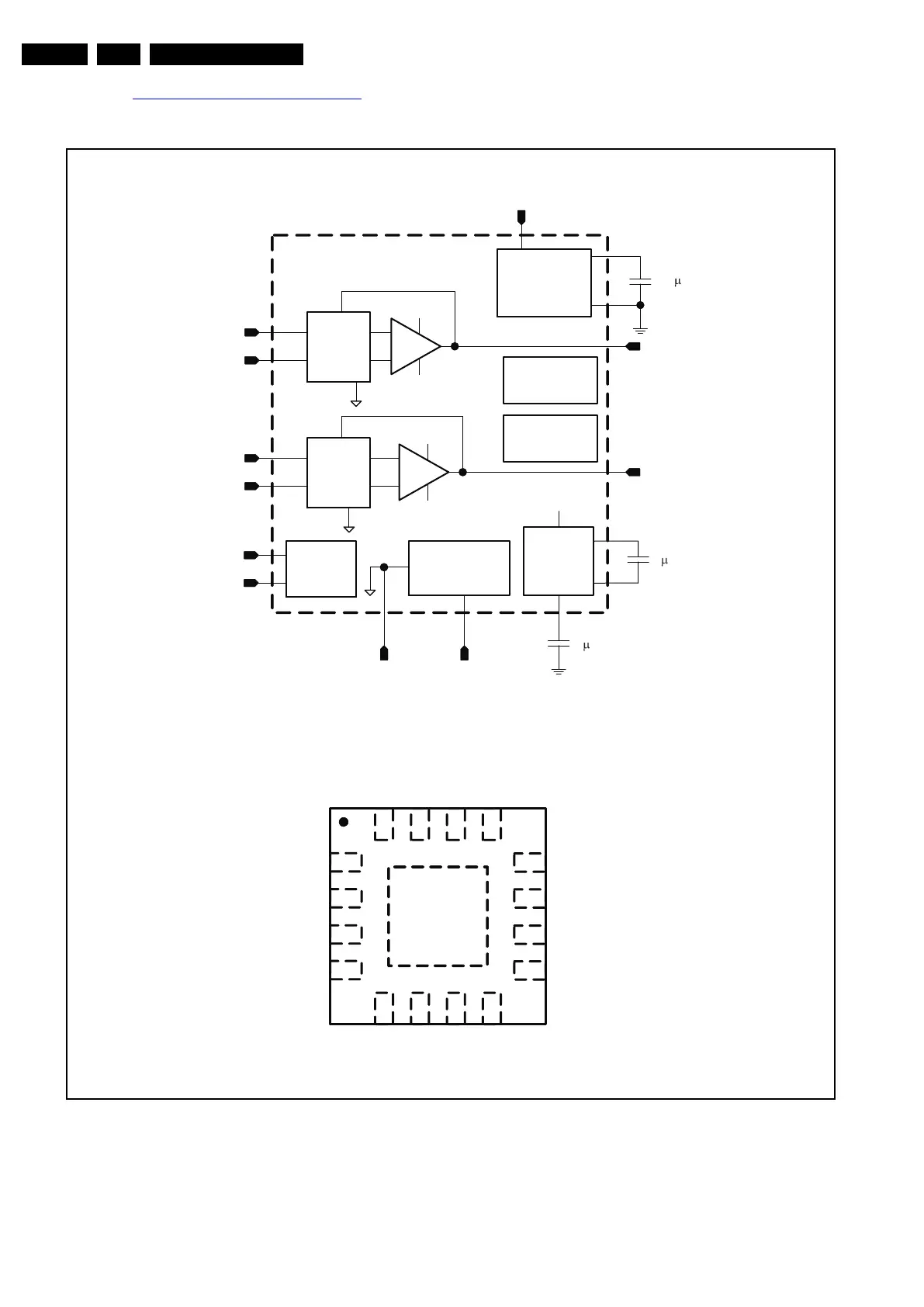
8.5 Diagram AUDIO AMP/HEADPHONE OUT B13, TPA6132A2RTER 25mW QFN-16 (IC U603)
Figure 8-7 Internal block diagram and pin configuration
18850_304_100107.eps
100809
Block diagram
Pinning information
1
HPVDD
CPP
INL-
INL+
INR+
INR-
PGND
CPN
2
3
4
12
11
10
9
16
15
14
13
5
6
7
8
RTUO
G0
G1
SSVPH
LTUO
DNGS
DDV
NE
Click-and-Pop
Suppression
+
HPVDD
HPVSS
+
HPVDD
HPVSS
Charge
Pump
INR+
INR-
INL+
INL-
OUTL
OUTR
CPP
CPN
HPVSS
G0
EN
Thermal
Protection
Gain
Select
G1
VDD
Supply
Control
PGND
SGND
HPVDD
Resistor
Array
1F
1F
2.2 F
Short-Circuit
Protection
Resistor
Array
HPVDD

Table of Contents

Related product manuals