EasyManua.ls Logo

Philips 32PFL4606H/12 - Power Management ICs

Philips 32PFL4606H/12
83 pages
Print Icon
To Next Page IconTo Next Page
To Next Page IconTo Next Page
To Previous Page IconTo Previous Page
To Previous Page IconTo Previous Page
Loading...
IC Data Sheets
EN 48 TPM7.1E LA8.
2011-Aug-19
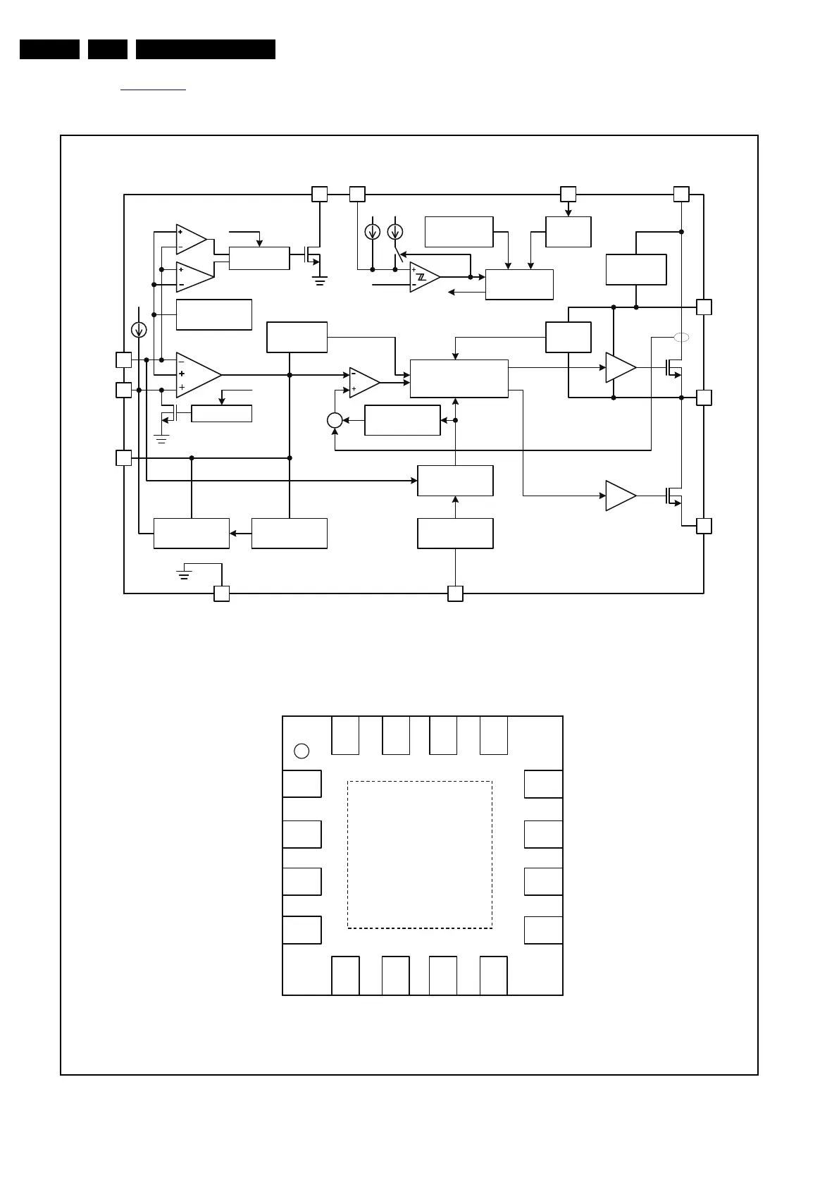
8.9 Diagram POWER-1 B01, G5172R41D TQFN3x3-16 (IC U701)
Figure 8-11 Internal block diagram and pin configuration
19090_303_110423.eps
110524
Block diagram
Pinning information
COMP
1
2
3
4
12
11
10
9
LX
LX
LX
SS
16
15
14
13
RT
AGND
FB
Thermal
Pad
PG
BS
EN
VIN
VINA
VIN
GND
GND
5
6
7
8
COMP
1
2
3
4
12
11
10
9
LX
LX
LX
SS
16
15
14
13
RT
AGND
FB
Thermal
Pad
PG
BS
EN
VIN
VINA
VIN
GND
GND
5
6
7
8
Logic
PG
SHDN
93%
107%
Voltage
Reference
FB
Erramp
SS
Logic
COMP
OverLoad
Recovery
Maximum
Clamp
AGND
Minimum
Clamp
PWM
SHDN
Slope
Compensation
Frequency
Shift
Oscillator
RT
Logic and PWM Latch
Boot
UVLO
GND
LX
BS
Buffer
Buffer
Current
Sense
VIN
Boot
Charge
EN
Enable
Threshold
Enable
Comparator
UVLO
Shutdown
Logic
SHDN
Thermal
Shutdown
VINA
G5172R41D

Table of Contents