EasyManua.ls Logo

Philips 32PFL7423D/12 - SSB: Pacific 3: Display & Interfacing

Philips 32PFL7423D/12
152 pages
Print Icon
To Next Page IconTo Next Page
To Next Page IconTo Next Page
To Previous Page IconTo Previous Page
To Previous Page IconTo Previous Page
Loading...
94Q528.2E LB 7.
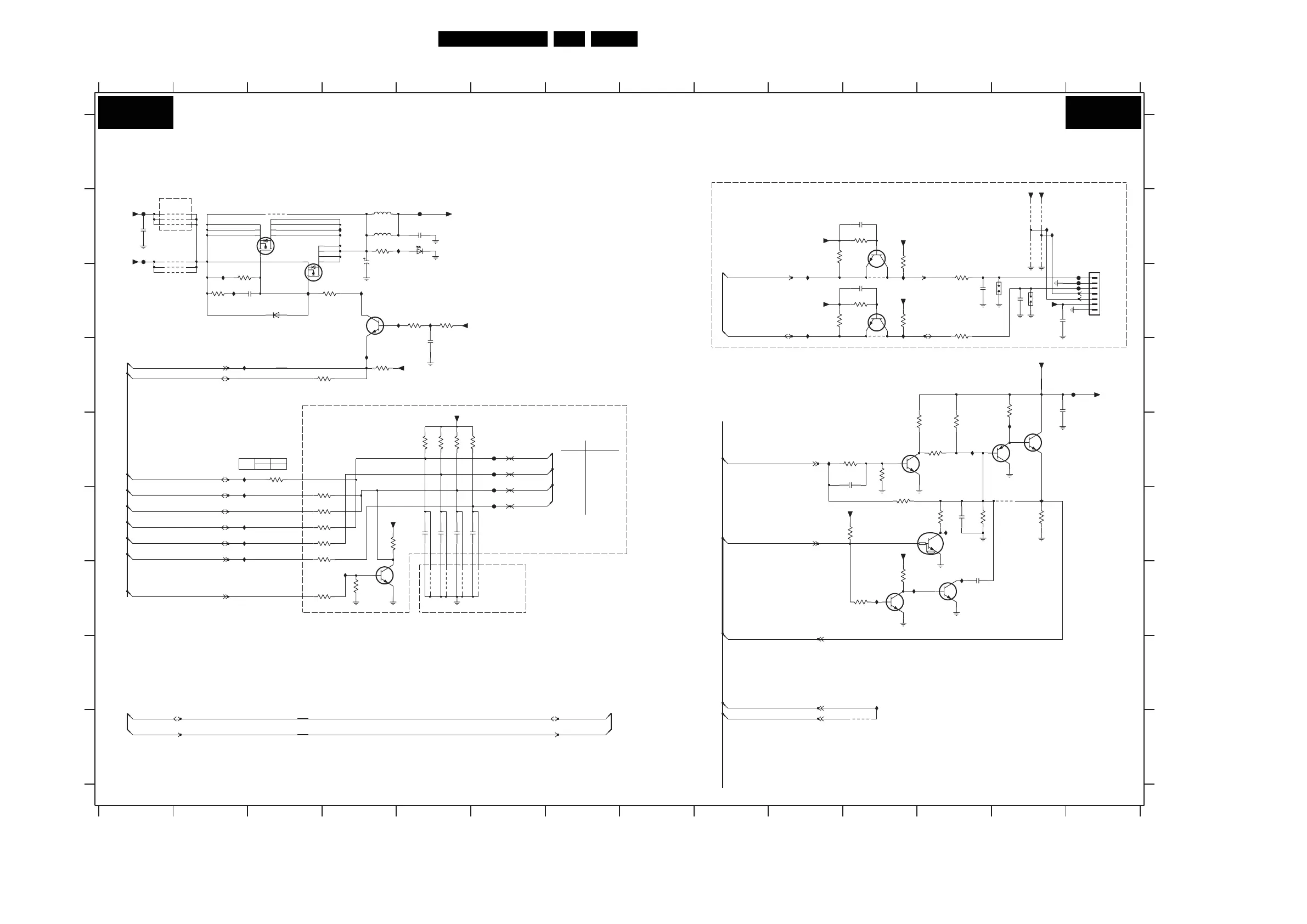
Circuit Diagrams and PWB Layouts
SSB: Pacific 3: Display & Interfacing
RES
RES
D
B
I
A
3G60 D4
3G58 E11
F
E
C
3G61 E11
RESET
IRQ
3G92-2 B10
3G92-3 C10
3G65 F12
3G93 F4
3G62 F11
3G92-1 B11
3G92-4 C11
3G67-1 C4
3G94 F4
3G66 F13
3G63 C2
3G95 C12
3G67-3 C5
VDISP-SWITCH
3G67-2 C2
3G91 F4
FOR LCD ONLY
LCDPDP
47R
I
2G57 C3
H
G
10K
3G86
1G01 C13
FOR AMBILIGHT ONLY
1GC0 C14
1G02 C13
PACIFIC 3: DISPLAY-INTERFACING
2G55 E11
2G54 B5
2 3 4567 8 10
2G58 G12
2G59 F12
2G60 D5
2G63 F5
IG97 D4
IG71 C5
IGB5 C2
IG72 D2
IGB4 G11
CPU-GO
IGB6 B5
IGA9 H11
IGB2 G12
IGB3 G11
IGB1 F12
123 45678
IG95 C3
12 14
C
RES
G
F
E
D
910
1
1311
B
H
A
9G60
FG56 B1
FG59 D14
FG5A C14
FG5B C14
FG5C C14
IG53 C2
IG65 G4
IG67 C11
IG70 D11
FHP
RES
EMC
9GA4 C2
9G60 C11
9G61 B3
9GA0 B2
9GA1 B2
9GA2 B2
9GA3 B2
EMC
9G56 F13
3G97 C12
7G61-2 C11
RES
3G96 F4
PDWN
3GA3 C11
9G59 C11
3G99 G4
3GA0 B11
9G48 I11
RES
RES
SDI
3G98 G4
3GA4 G11
3G86 E3
7G53 E12
3G77 E5
7G55 C4
FOR PDP ONLY
3G78 E5
3G76 E5
7G52 B2
3G88 F4
3G90 F4
3G79 E5
PDP-GO
7G54 B3
3GA6 E12
3GC5 E12
5G55 B4
5G56 B4
6G50 C3
6G51 B5
2G74 C12
2G67 B11
12 14
2G65 F5
13
RES
RES
RES
2G68 C11
2G73 C13
911
2G66 F6
2G64 F5
IGB7 B13
IGB8 B13
IGB9 C10
IGBA C10
IGBB E12
IGBC E13
IG79 F2
RES
IG92 B4
TO AMBILIGHT BD
IG75 F2
IG73 E2
IG78 F2
RES
RES
IG89 E10
RES
RES
RES
IG77 F2
IG90 F13
IG93 C4
7G59-2 G12
7G58-1 E13
7G61-1 B11
7G57 G4
9GA5 C2
7G58-2 E13
9GA6 B13
7G59-1 G11
9GA7 B13
9GA8 B13
9GA9 B13
9GAA G5
9GAB G5
9GAC G5
9GAD G6
CG01 I3
CG02 I3
FG50 B5
FG51 E6
FG52 E6
FG53 E6
FG54 F6
FG55 B1
7G56 F12
3G56 B4
3G67-4 C5
2G7A C13
3G69 F11
3G55 D13
2G76 B4
3G57 E11
2G7B B1
3G72 D4
3G73 G11
3G70 F12
2G75 D13
3G57
27K
3G60
100R
IG94 C5
1
+3V3
7G61-1
BC847BS
2
6
5
3
4
BC847BS
7G61-2
IG97
3G91
47R
BC847BW
+12VD
7G57
3G96
FG55
47R
2
IGB2
IG90
7G53
1
3
BC847BW
7G52
SI4835BDY
IG79
RES
10p
2G73
2G74
10p
+3V3
1G01
1K0
3G66
470p
2G67
3G92-2
27
470p
2G68
10K
IG70
3G88
47R
1M0
3GC5
2
3G56
2K2
7G55
1
3
5
3
4
BC847BW
2G57
BC847BS
7G59-2
CG02
1u0
RES
470p
2G55
IGA9
9G48
9GA2
+3V3-STANDB Y
+5V
2G59
1u0
RES
9GA6
+3V3
9GA8
10K
3G69
+3V3
2
3
4
5
6
7
5G56
220R
1735446-7
1GC0
1
2G76
10u 16V
RES
1n0
2G7A
IG73
IG72
3G90
IG89
47R
FG59
2G7B
1n0
3G86
+3V3
+3V3
IGBC
IG53
7G59-1
BC847BS
2
6
1
9GA1
2G66
100p
100p
2G63
7G54
SI3441BDV
RES
9GAA
22K
3G70
BZX384-C5V6
6G50
100K
54
3G98
10K
3G92-4
1G02
100K
3G99
47R
3G78
RES
9G61
47R
3G77
FG50
2G60
100n
+8V2-PAS
FG56
RES
3G61
2K2
FG5B
3G62
1K0
2K2
3GA0
RES
5G55
220R
+12VD
2G75
1u0
9GA9
IG92
6G51
+3V3
SML-310
10K
+3V3
7G56
PDTC114EU
RES
3G79
FG52
VDISP
FG51
FG53
IG67
FG54
IGBA
IGBB
IGB9
9GA0
3G92-3
10K
3 6
IGB1
3GA4
10K
9GAD
9GAB
9GAC
IGB6
8 1
IGB5
3G92-1
10K
9GA3
IG93
IG75
47R
2G64
100p
3G76
100p
2G65
47K
3G73
3G97
100R
47K
3G67-2
27
2K2
3GA3
47R
3G63
3G55
47K
3GA6
12K
4K7
3G94
+5V-TCON
9GA4
9GA5
+3V3
3G65
15K
9G59
FG5C
IG95
FG5A
100n
2G54
9GA7
IG65
1
3G58
4K7
BC847BPN
7G58-1
2
6
RES
9G56
5
3
4
BC847BPN
7G58-2
47R
3G93
100R
3G95
IGB8
IGB4
IGB7
+5V
CG01
IGB3
RES
IG78
IG77
IG94IG71
1u0
2G58
45 3
47K
3G67-4 3G67-3
47K
6
8 1
+3V3
3G67-1
47K
3G72
4K7
CTRL-DISP2
CTRL-DISP3
CTRL5-STBY_BACKLIGHT-BOOST
CTRL-DISP4
SCL-AMBI
I2C_SEL2
I2C_SEL1
CTRL-DISP1
CTRL4-STBY_SELECT-PWM-ANA
CTRL2-STBY_BACKLIGHT-CTRL_RESET-P3
CTRL1-MIPS_LCD-PWR-ON
SCL-AMBI-3V3
SDA-AMBI-3V3
STANDBY
CTRL4-P3
BACKLIGHT-OUT
BACKLIGHT-CONTROL
SDA-AMBI
SDA-SSB-MUX1
CTRL1-MIPS_LCD-PWR-ON
CTRL3-STBY_POWER-OK-DISP
CTRL5-STBY_BACKLIGHT-BOOST
CTRL1-STBY_LAMP-ON
CTRL2-STBY_BACKLIGHT-CTRL_RESET-P3
CTRL4-STBY_SELECT-PWM-ANA
SCL-I2C4-DISP
SDA-I2C4-DISP
SCL-SSB-MUX1
B06B B06B
I_17960_044.eps
220508
3139 123 6341.2

Table of Contents

Related product manuals