EasyManua.ls Logo

Philips 32PFL7433D/12 - SSB: PNX8541: Audio

Philips 32PFL7433D/12
152 pages
Print Icon
To Next Page IconTo Next Page
To Next Page IconTo Next Page
To Previous Page IconTo Previous Page
To Previous Page IconTo Previous Page
Loading...
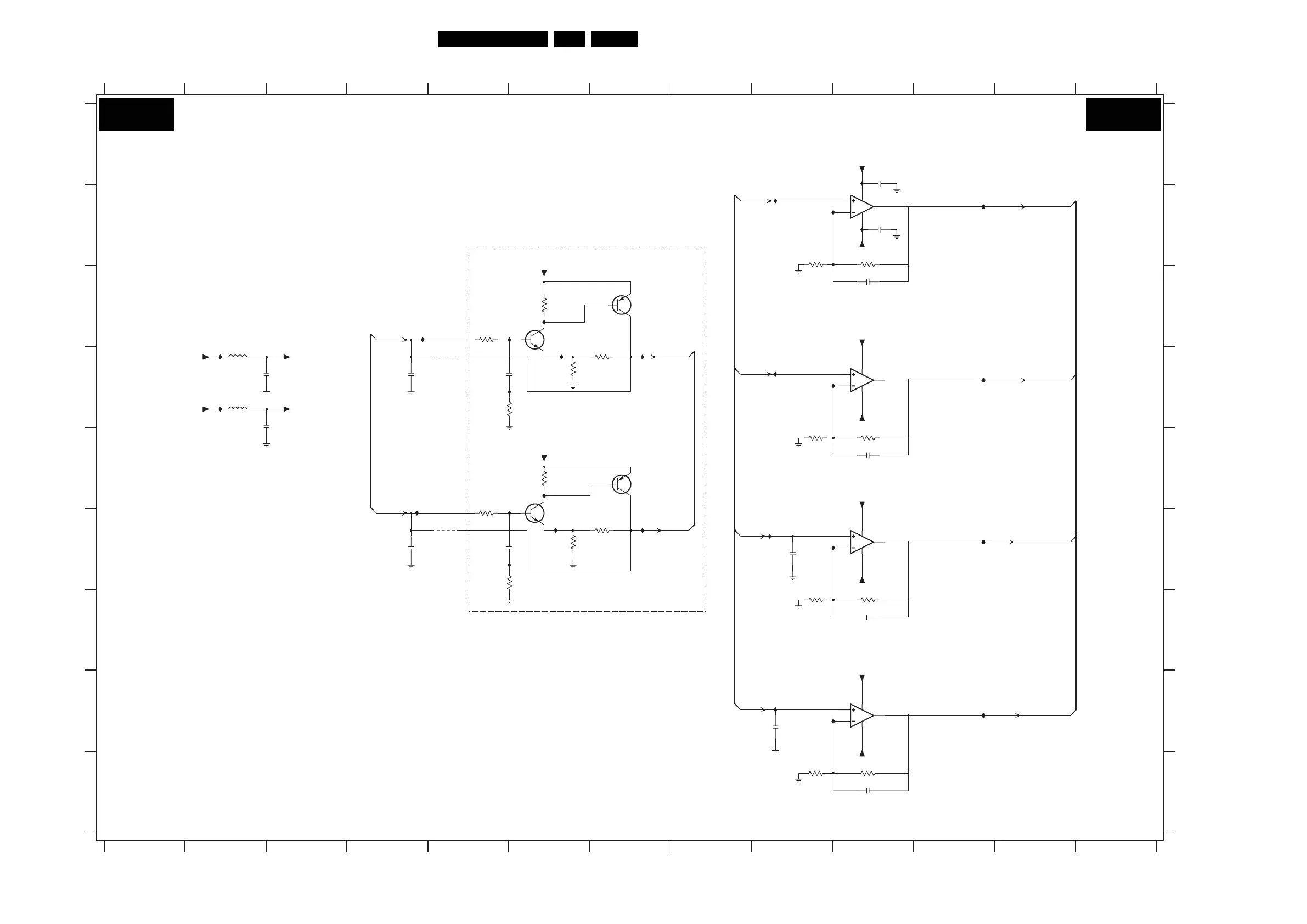
Circuit Diagrams and PWB Layouts
81Q528.2E LB 7.
SSB: PNX8541: Audio
I
IHNA F10
IHNB F9
IHND H9
IHNE H10
E
3HMY C6
1110
7HM4 E7
3HML D7
3HMM-1 G9
3HMM-2 G10
3HMM-3 I9
13123 4
2 3 45
7HM3 C7
7HM2-2 F6
IHN8 C6
7HM1-4 H10
3HMU F7
IHNK F6
1
FHM1 D11
FHM0 B11
9HM2 F5
9HM1 D5
IHNH F6
3HMB F6
3HMA D6
2HN1 F9
3HMV F5
IHNG D6
7HM1-3 F10
IHMW B9
IHNJ D6
IHM3 E4
IHMY A10
IHN4 E6
IHN3 D9
IHN0 C6
7HM1-1 B10
3HMM-4 I10
2HMT E10
2HMW G10
2HMY H9
2HMZ I10
IHM9 D2
IHN6 D10
IHMG F7
2HMN B10
IHMZ B10
3HMC D5
5HM1 D2
IHM1
9
12 13
D
F
H
FHM3 H11
IHMV B9
IHM2 C4
IHM1 D7
A
B
C
D
C
3HMZ C5
5HM0 D2
7HM2-1 C6
9
A
G
H
I
3HMW E6
8
IHNF E6
7HM1-2 D10
FHM2 F11
E
F
G
8
2HMG D2
2HMH D2
IHM6 D2
2HM8 F4
2HMP C10
12
11
RESERVED
3HMD F5
3HME-1 B10
3HME-2 B9
3HME-3 E9
3HME-4 E10
2HM3 D4
2HM4 D5
2HM5 F5
2HMJ A10
67
PNX 8541: AUDIO
B
10
567
IHNJ
IHN0
3HME-3
10K
3 6
10K
3HMM-4
54
5K6
3HMV
3n3
2HN1
IHMW
2HMJ
100n
180R
3HMA
10K
3HME-4
54
1u0
2HM4
AUDIO-VDD
+AUDIO-POWER
IHM3
IHN8
5HM1
220R
3n3
2HM8
9HM2
1
3
2
AUDIO-VDD
7HM3
BC857BW
3
4
1K2
3HMW
BC847BS
7HM2-2
5
IHM6
27
FHM0
AUDIO-VEE
3HMM-2
10K
2HMG
1u0
IHNH
3 6
3HMM-3
10K
2HM3
3n3
100n
2HMN
AUDIO-VEE
AUDIO-VDD
IHMY
IHMG
AUDIO-VEE
220R
5HM0
11
FHM3
7HM1-2
LM324
5
6
7
4
9
8
4
11
820R
3HML
7HM1-3
LM324
10
33p
2HMZ
AUDIO-VEE
IHND
IHN3
2HMW
33p
9HM1
AUDIO-VDD
2HM5
1u0
IHNK
2HMP
33p
4
11
IHNF
7HM1-1
LM324
3
2
1
IHNG
820R
3HMU
IHNE
5K6
3HMZ
IHMV
IHN4
1 8
10K
3HMM-1
3HMB
180R
-AUDIO-POWER
1u0
2HMH
3HMY
1K2
IHNA
AUDIO-VEE
FHM1
3HMD
5K6
AUDIO-VDD
1
7HM2-1
BC847BS
2
6
IHM2
5K6
3HMC
IHM9
AUDIO-VDD
2HMY
3n3
1 8
IHN6
3
2
3HME-1
10K
BC857BW
7HM4
1
LM324
12
13
14
4
11
7HM1-4
AUDIO-VDD
IHMZ
27
10K
3HME-2
IHNB
FHM2
33p
2HMT
+AUDIO-L
ADAC(7)
ADAC(8)
ADAC(5)
ADAC(6)
ADAC(2)
ADAC(1)
AUDIO-OUT- L
AUDIO-OUT-R
-AUDIO-R
AUDIO-CL-L
AUDIO-CL-R
B04I B04I
I_17960_031.eps
220508
3139 123 6341.2

Table of Contents

Related product manuals