EasyManua.ls Logo

Philips 32PFL7433D/12 - SSB: PNX8541: Flash

Philips 32PFL7433D/12
152 pages
Print Icon
To Next Page IconTo Next Page
To Next Page IconTo Next Page
To Previous Page IconTo Previous Page
To Previous Page IconTo Previous Page
Loading...
88Q528.2E LB 7.
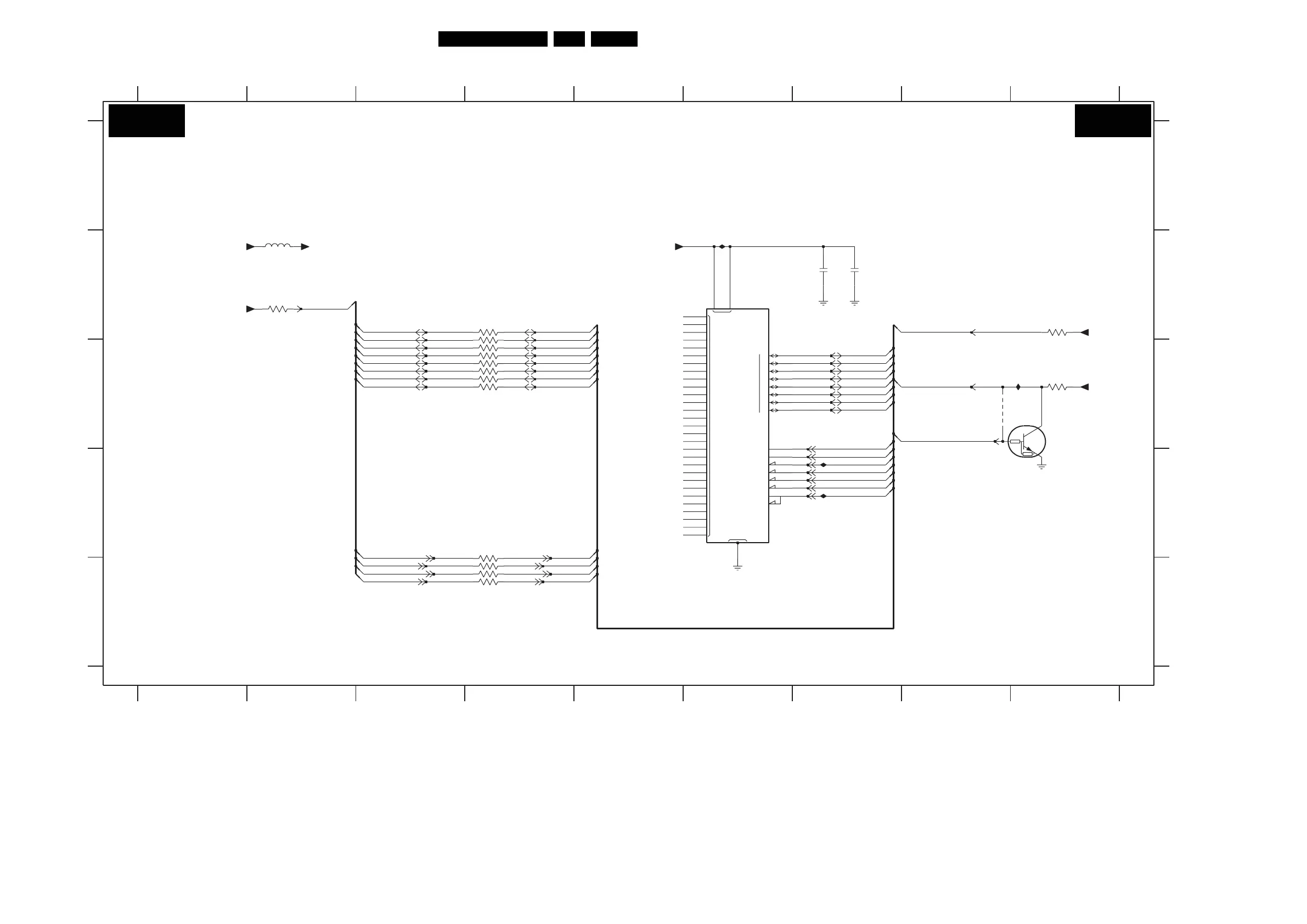
Circuit Diagrams and PWB Layouts
SSB: PNX8541: Flash
B
R
WP
VCC
VSS
IO
NC
0
1
2
3
4
5
6
7
CLE
ALE
CE
RE
WE
54
RES
E
45
5HA0 B2
3HA8-2 C3
D
3HA4-3 C3
3HA4-4 C3
3HA4-2 B3
2HA1 B7
C
8
3HA8-3 C3
9
1
7 8
3HAC-1 E3
6
C
3HAC-2 D3
A
B
E
2HA0 B7
3HA1 C9
IHAU C9
PNX 8541: FLASH
1
6
3HA4-1 B3
7
3HA8-4 C3
3HAC-3 E3
3HAC-4 E3
IHAR B6
7HA0 B6
B
9
D
2 3
7HA1 C9
9HA1 C8
IHAT D7
IHAS D7
32
A
3HA3 B9
3HA0 B2
3HA8-1 C3
27
3 6
3HA8-2
100R
100R
3HAC-3
45
IHAS
3HA8-4
100R 10K
3HA1
+3V3-NAND
3 6
IHAR
100R
3HA4-3
7HA1
PDTC144EU
9HA1
3HA4-2 2 7
+3V3
27
100R
3HAC-2
100R
IHAT
+3V3-NAND
+3V3-NAND
45
+3V3-NAND
3HA4-4
100R
100n
2HA0
7
12
37
13
36
18
19
46
47
48
3
4
5
6
10
11
14
8
27
28
2
33
34
35
38
39
40
45
43
44
1
15
20
21
22
23
24
25
26
17
9
16
29
30
31
32
41
42
512Mx8
[FLASH]
Φ
NAND512W3A2CN6
7HA0
30R
5HA0
3HA3
2K2
100R
3HA8-33 6
45
1 8
3HAC-4
100R
100R
3HA4-1
3HA0
10K
100R
3HA8-1 1 8
100R
3HAC-1 1 8
+3V3-NAND
IHAU
2HA1
100n
XIO-SEL-NAND
NAND-CLE
NAND-AD(0)
NAND-AD(1)
NAND-AD(2)
NAND-AD(3)
NAND-AD(4)
NAND-AD(5)
NAND-AD(6)
NAND-AD(7)
NAND-REn
XIO-ACK
NAND-WEn
WP-NANDFLASH-INV
PCI-AD1
PCI-AD25
PCI-AD26
PCI-AD27
PCI-AD28
PCI-AD29
PCI-AD30
PCI-AD31
PCI-AD24
RESET-NVM_WP-NANDFLASH
NAND-ALE
NAND-AD(1)
NAND-AD(2)
NAND-AD(3)
NAND-AD(4)
NAND-AD(5)
NAND-AD(6)
NAND-AD(7)
NAND-CLE
NAND-ALE
NAND-WEn
NAND-REn
XIO-SEL-NAND
XIO-ACK
WP-NANDFLASH-INV
NAND-AD(0)
PCI-CBE1
PCI-CBE2
PCI-AD0
B04Q B04Q
I_17960_038.eps
220508
3139 123 6341.2

Table of Contents

Related product manuals