EasyManua.ls Logo

Philips 32PFS5603/12 - Page 46

Philips 32PFS5603/12
54 pages
Print Icon
To Next Page IconTo Next Page
To Next Page IconTo Next Page
To Previous Page IconTo Previous Page
To Previous Page IconTo Previous Page
Loading...
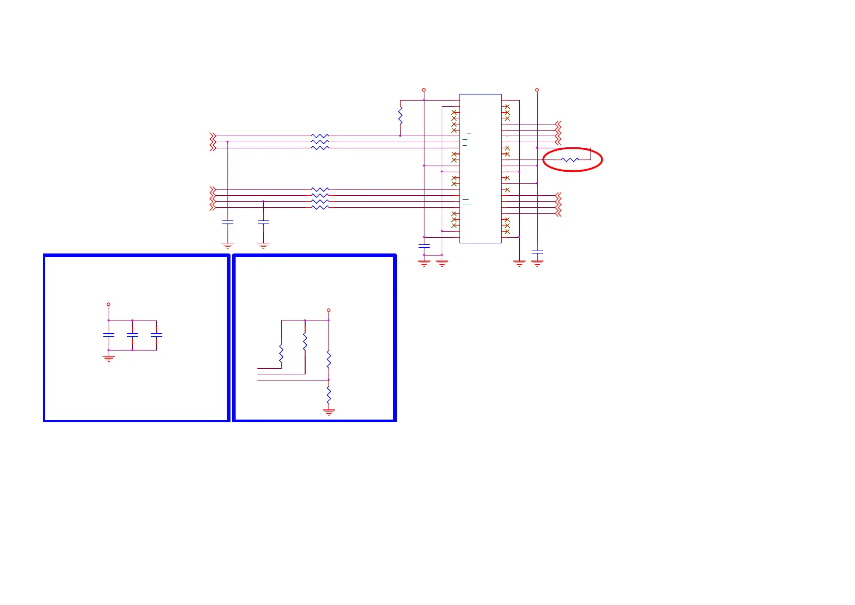
9-3-9 NAND Flash
R4242 0R05 OHM
R4243 0R05 OHM
R4244 0R05 OHM
U402
W29N01HVSINF
NC
1
NC
2
NC
3
NC
4
NC
5
NC
6
RB
7
R
8
E
9
NC
10
NC
11
VDD
12
VSS
13
NC
14
NC
15
CL
16
AL
17
W
18
WP
19
NC
20
NC
21
NC
22
NC
23
NC
24
NC
25
NC
26
NC
27
NC
28
I/O0
29
I/O1
30
I/O2
31
I/O3
32
NC
33
NC
34
NC
35
VSS
36
VDD
37
NC
38
NC
39
NC
40
I/O4
41
I/O5
42
I/O6
43
I/O7
44
NC
45
NC
46
NC
47
NC
48
R4245 0R05 OHM
R4250 0R05 OHM
R4251 0R05 OHM
R4252 0R05 OHM
PCM-A3
12
PCM-A2
12
PCM-A1
12
PCM-A0
12
PCM-A7
12
PCM-A6
12
PCM-A5
12
PCM-A4
12
+3.3V_Standby +3.3V_Standby
NAND_REZ
4
NAND-CEZ-1
C4203
NC/33P 50V
NAND_RBZ
4
NAND_CEZ
4
NAND-WEZ-1
C4204
100NF 25V
NAND-ALE-1
Micron Nand need to NC
NAND-WP-1
R4241
10K
NAND-CLE-1
C4205
100NF 25V
Close to SOC
+3.3V_Standby
NAND-RBZ-1
NAND-REZ-1
3.3V
Winbond 356G3333001607, NAND FLASH W29N01HVSINF 1Gb TSOP-48 ECC 4 bit
MXIC 356G3333001604 FLASH MX30LF1G18AC
C4206
2.2UF 10V
NAND FLASH
C4207
100NF 25V
NAND_ALE
4
C4208
100NF 25V
C4202
NC/33P 50V
+3.3V_Standby
NAND_CLE
4
NAND Power
Close to SOC
NAND_WEZ
4
NAND_WP
4
R4249
NC/4.7K1/16W
R4247
NC/4.7K1/16W
R4248
NC/4.7K1/16W
NAND-WP-1
NAND-WEZ-1
NAND-CEZ-1
R4253
4.7K 1/16W
R4246
NC/0R05 OHM
SPI NAND-MICRON

Related product manuals