EasyManua.ls Logo

Philips 32PHT5102/98 - E 715 G7088 Keyboard Control Panel

Philips 32PHT5102/98
54 pages
Print Icon
To Next Page IconTo Next Page
To Next Page IconTo Next Page
To Previous Page IconTo Previous Page
To Previous Page IconTo Previous Page
Loading...
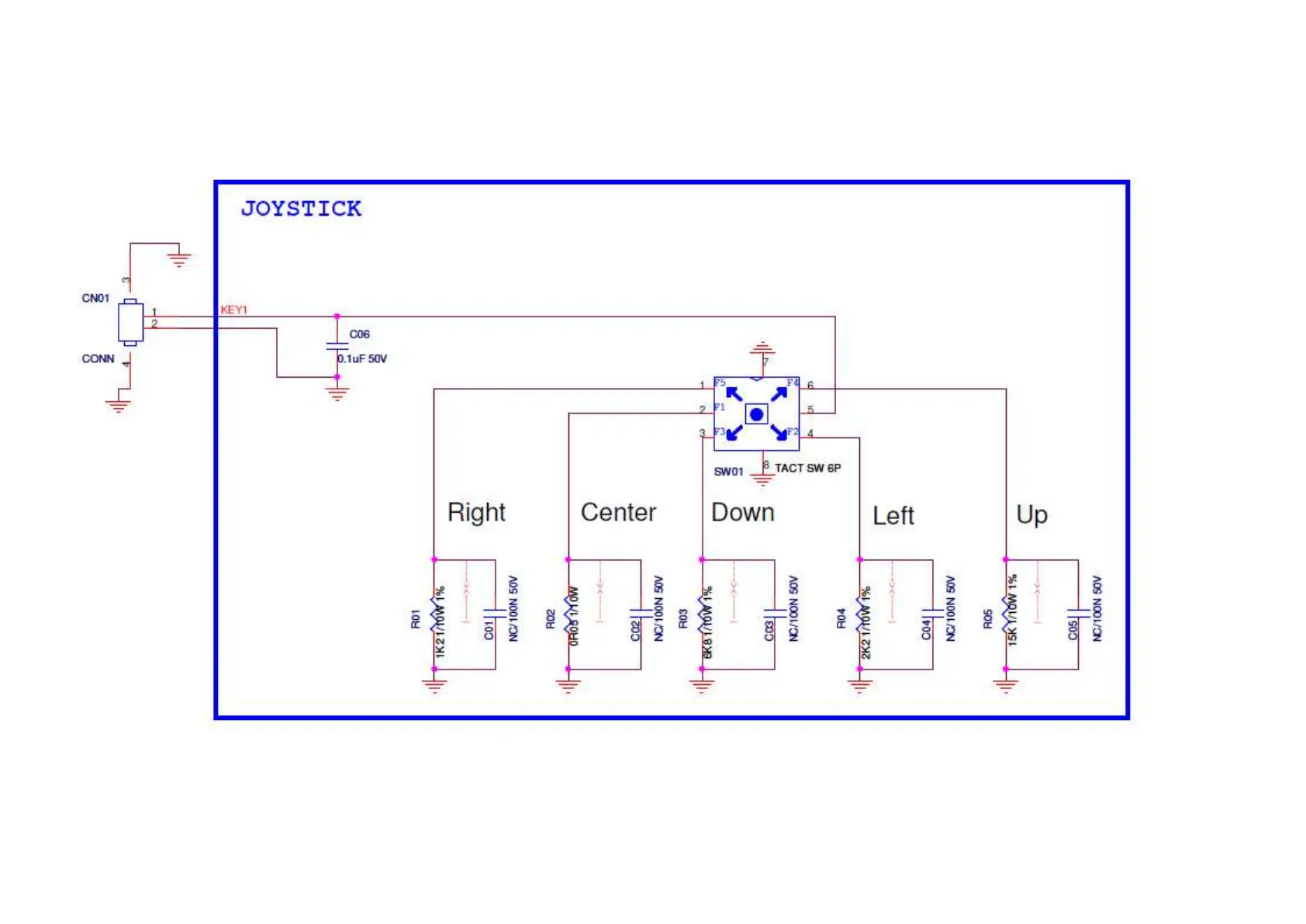
8.5 E 715G7088 Keyboard control panel
8-5-1 Key