EasyManua.ls Logo

Philips 39PHT4112/05 - Page 46

Philips 39PHT4112/05
118 pages
Print Icon
To Next Page IconTo Next Page
To Next Page IconTo Next Page
To Previous Page IconTo Previous Page
To Previous Page IconTo Previous Page
Loading...
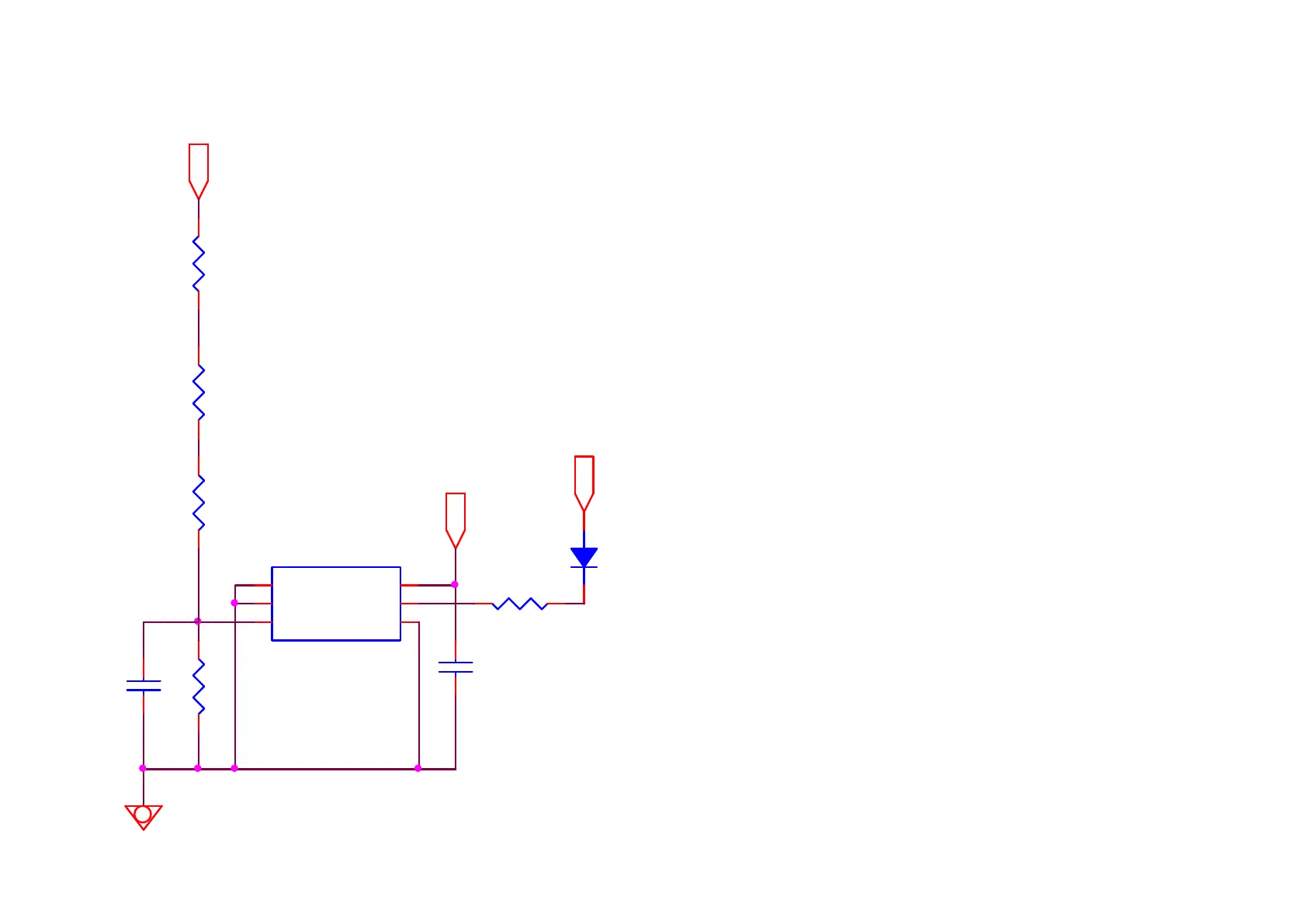
8-5-2 PFC
HV
U9802
LD8105GL/NC
ISEN
1
GND
2
VSEN
3
IREF
4
OUT
5
VCC
6
VCC
R9821
2Mohm 1/4W +/-1%/NC
R9823
2Mohm 1/4W +/-1%/NC
R9824
15K 1/8W 1%/NCC9812
470PF 50V/NC
C9813
100N 50V/NC
R9822
2Mohm 1/4W +/-1%/NC
R9825
510OHM +-5% 1/4W/NC
PFC_OVP
D9810
1N4148W/NC

Other manuals for Philips 39PHT4112/05

Related product manuals