EasyManua.ls Logo

Philips 42PFL7613D/12 - Diagram B10 A, TDA8932 B (IC 7 D10)

Philips 42PFL7613D/12
152 pages
Print Icon
To Next Page IconTo Next Page
To Next Page IconTo Next Page
To Previous Page IconTo Previous Page
To Previous Page IconTo Previous Page
Loading...
Circuit Descriptions, Abbreviation List, and IC Data Sheets
EN 151Q528.2E LB 9.
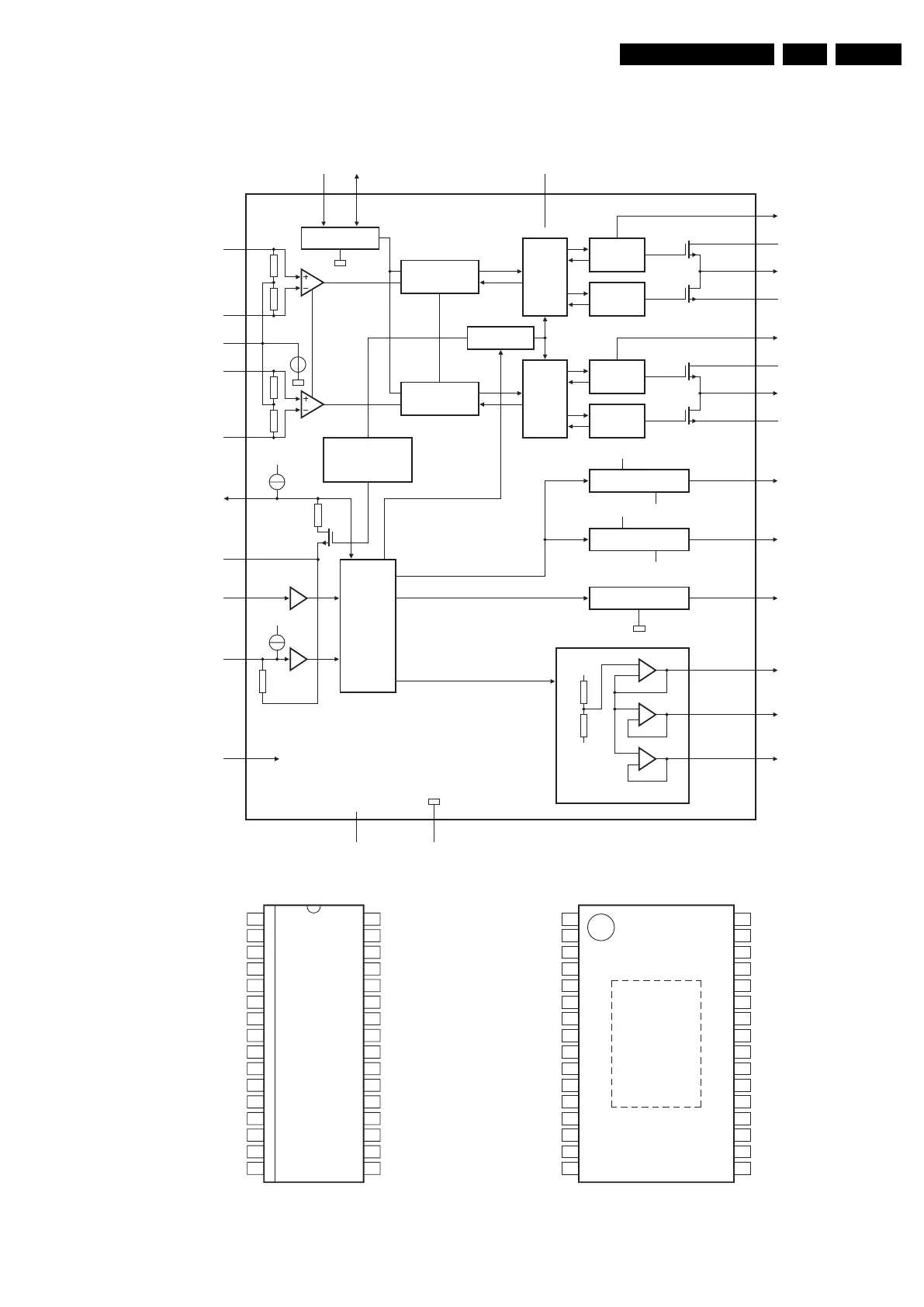
9.5.12 Diagram B10A, TDA8932B (IC 7D10)
Figure 9-18 Internal block diagram and pin configuration
Block Diagram
Pin Configuration
H_17650_082.eps
150108
2
81301
28
29
27
3
12
TDA8932B
OSCILLATOR
26
BOOT1
V
DDP1
OUT1
V
SSP1
PWM
MODULATOR
DRIVER
HIGH
DRIVER
LOW
CTRL
MANAGER
CTRL
PWM
MODULATOR
PROTECTIONS:
OVP, OCP, OTP,
UVP, TF, WP
STABILIZER 11 V
STABILIZER 11 V
REGULATOR 5 V
MODE
V
DDA
15
14
IN1P
VOICSOFERCSO
DDA
V
SSD
IN1N
INREF
IN2P
IN2N
6
POWERUP
4
DIAG
7
CGND
21
20
22
23
BOOT2
V
DDP2
OUT2
25
STAB1
24
STAB2
18
11
DREF
HVPREF
30
HVP1
19
HVP2
V
SSP2
DRIVER
HIGH
DRIVER
LOW
V
DDA
V
SSP1
V
SSP2
V
SSD
V
DDA
V
SSA
HALF SUPPLY VOLTAGE
5
ENGAGE
13
9
TEST
V
SSA
1, 16, 17, 32
V
SSD(HW)
TDA8932BT
V
SSD(HW)
V
SSD(HW)
OICSOP1NI
1PVHN1NI
VGAID
DDP1
1TOOBEGAGNE
1TUOPUREWOP
VDNGC
SSP1
V
DDA
STAB1
V
SSA
STAB2
OSCREF
V
SSP2
2TUOFERPVH
2TOOBFERNI
VTSET
DDP2
2PVHN2NI
FERDP2NI
V
SSD(HW)
V
SSD(HW)
1
2
3
4
5
6
7
8
9
10
11
12
13
14
15
16
18
17
20
19
22
21
24
23
26
25
32
31
30
29
28
27
TDA8932BTW
V
SSD(HW)
V
SSD(HW)
OICSOP1NI
1PVHN1NI
VGAID
DDP1
1TOOBEGAGNE
1TUOPUREWOP
VDNGC
SSP1
V
DDA
STAB1
V
SSA
STAB2
VFERCSO
SSP2
2TUOFERPVH
2TOOBFERNI
VTSET
DDP2
2PVHN2NI
FERDP2NI
V
SSD(HW)
V
SSD(HW)
1
2
3
4
5
6
7
8
9
10
11
12
13
14
15
16
18
17
20
19
22
21
24
23
26
25
32
31
30
29
28
27

Table of Contents

Related product manuals