EasyManua.ls Logo

Philips 48OLED806/12 - Page 57

Philips 48OLED806/12
104 pages
Print Icon
To Next Page IconTo Next Page
To Next Page IconTo Next Page
To Previous Page IconTo Previous Page
To Previous Page IconTo Previous Page
Loading...
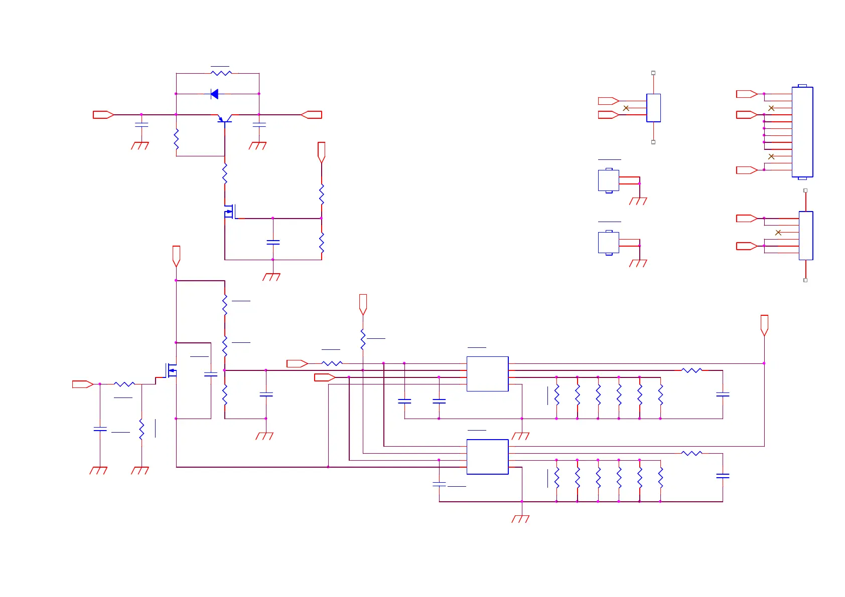
9-3-4 LED
Q8631
2N7002K
BL_ON
R8632
510K
D8631
1N4148W
C8633
NC
R8631
100R
12VS
C8632
NC
C8631
100N 50V
R8633
10K
IC_VCC
Q8632
MMBT3906
C8603
470P 50V
R8622
0R
U8602
PF7302
DIM
1
SLP
2
VCC
3
LED
4
GND
5
ISET
6
GM
7
COMP
8
C8604
100N 50V
R8621
0R05 1/10W
U8601
PF7302
DIM
1
SLP
2
VCC
3
LED
4
GND
5
ISET
6
GM
7
COMP
8
CN8603
NC
1
2
3
45
-VLED
Q8601
CYS9240 32A
+VLED
R8626
240K
IC_VCC
-VLED
C8607
NC
DIM
R8612
1.3R 1%
R8613
1.3R 1%
IC_VCC
C8601
1uF
C8602
1uF
R8605
1.2R
R8604
1.3R 1%
R8606
1.5R 1/4W
R8614
1.3R 1%
R8615
1.2R
R8616
1.5R 1/4W
Comp
R8602
1.3R 1%
R8603
1.3R 1%
R8634
8K2
R8601
1.3R 1%
R8611
1.3R 1%
R8635 NC
CN8602
NC
1
2
3
4
5
6
78
+VLED
-VLED
CN8601
CONN
1
2
3
4
5
6
7
8
9
10
11
12
+VLED
-VLED
+VLED
R8629
10K
BL_ON
R8624
3.3M OHM 1% 1/4W
R8623
NC / 0R
HS8601
HEAT SINK
1
2
R8625
3.3M OHM 1% 1/4W
HS8602
HEAT SINK
1
2
C8606
100N 50V
C8605
100N 50V
C8608
47pF 2KV
R8627
100K 5% 1/10W
R8628
100R

Related product manuals