EasyManua.ls Logo

Philips 48OLED806/12 - Page 63

Philips 48OLED806/12
104 pages
Print Icon
To Next Page IconTo Next Page
To Next Page IconTo Next Page
To Previous Page IconTo Previous Page
To Previous Page IconTo Previous Page
Loading...
9-4-6 SOC-VB1-OUT
R33530.05R
C3011100NF 16V
C3361NC/100pF 50V
R33540.05R
R3317 100 OHM
R3350 100 OHM
C3004100NF 16V
C3006100NF 16V
R33160.05R
C3005100NF 16V
C3012100NF 16V
R3318 10R 5%
R3319 10R 5%
C3013100NF 16V
C3001100NF 16V
C3014100NF 16V
V- B Y - 1 O UT PU T to Di s pl a y
C3015100NF 16V
C3009100NF 16V
C3007100NF 16V
R3361NC/0R05 OHM
C3008100NF 16V
VB1_3N
VB1_5P
VB1_1P
VB1_1N
VB1_2N
VB1_2P
VB1_7P
VB1_7N
VB1_3P
VB1_4P
VB1_4N
VB1_5N
VB1_6N
VB1_6P
VB1_8P
VB1_8N
C3016100NF 16V
SOC-VB1-TX0P
TP3765
1
SOC-VB1-TX2N
SOC-VB1-TX1P
SOC-VB1-TX1N
SOC-VB1-TX0N
TP3758
1
SOC-VB1-TX4N
SOC-VB1-TX3N
SOC-VB1-TX3P
SOC-VB1-TX2P
SOC-VB1-TX7P
SOC-VB1-TX5P
SOC-VB1-TX5N
SOC-VB1-TX4P
SOC-VB1-TX6N
SOC-VB1-TX6P
SOC-VB1-TX7N
TP3766
1
TP3773
1
TP3759
1
TP3767
1
TP3760
1
TP3768
1
TP3761
1
TP3769
1
C3010100NF 16V
TP3762
1
C3002100NF 16V
TP3770
1
+
C3358
100UF 16V
FB3608 120R 3A
1 2
TP3763
1
FB3609 120R 3A
1 2
TP3771
1
TP3764
1
QSMEN14
+12V-DISP
QSMEN
C3344
100NF 16V
Data Format_SET1
Data Format_SET0
TP3772
1
SOC-VB1-TX0P
SOC-VB1-TX6P
SOC-VB1-TX4P
SOC-VB1-TX3P
SOC-VB1-TX2P
SOC-VB1-TX5P
SOC-VB1-TX1P
SOC-VB1-TX1N
SOC-VB1-TX7P
clo s e t o CN 11 6 2
Data Format_SET0
Data Format_SET18
Data Format_SET08
Data Format_SET1
TP3774
1
TP3775
1
TP3776
1
TP3777
1
TP3779
1
TP3778
1
TP3780
1
TP3781
1
TP3782
1
TP3783
1
TP3784
1
TP3785
1
TP3787
1
TP3786
1
TP3789
1
TP3788
1
CM92
1uF 10V
Upd a te d o n 20 2 0/ 2 /1 9
Upd a te d o n 20 1 9/ 1 2/ 1 2
TP3790
1
TCON_VDD-PWR-EN9,14
TCON_VDD-PWR -EN
+1 2V - DI S P
DISP_SDA
DISP_SCL
DISP_SDA17,19
DISP_SCL17,19
R3366
NC/1K5 1/8W 5%
+3V3-AVDD
+12 V - DI SP
SOC-LOCKn
SOC-HTPDn
LED3205
LED
12
R3218
5K1 5%
Q3201
LBC857BWT1G
1
23
+3V3-AVDD
VRX_HTPD_ANSOC-HTPDn
VRX_LOCK_ANSOC-LOCKn
R5186 100R 1%
R3217 47K
R5184 100R 1%
SOC-LOCKn
SO C - L O CKn
Add t e x t
R3338NC/27K
R3340NC/27K R333710K 5%
R333910K 5%
EVDD_BL_ON9,14
EVDD_BL_ON
TCON_VDD-PWR -EN
C3348
100NF 16V
R3333
10K 5%
C3346
NC/100nF 16V
R3330
47K
R3332
100K
R3364
1K5 1/8W 5%
R3331
47 OHM
Q3304
AON4421
D
1
D
2
D
3
G
4
S
5
D
6
D
7
D
8
R33360.05R
R3352NC/0R05 OHM
R33560.05R
Q3301
LMUN5313DW1T1G
1
2
3 4
5
6
LED3306
LED
12
R1
R2
Q3302
LMUN5211T1G
1
32
C3345
22NF 25V
R3329
100K
+12V-DISP
+12V
AVDD1V8_SOC
AVDD18_VB1
AVDD18_VB1
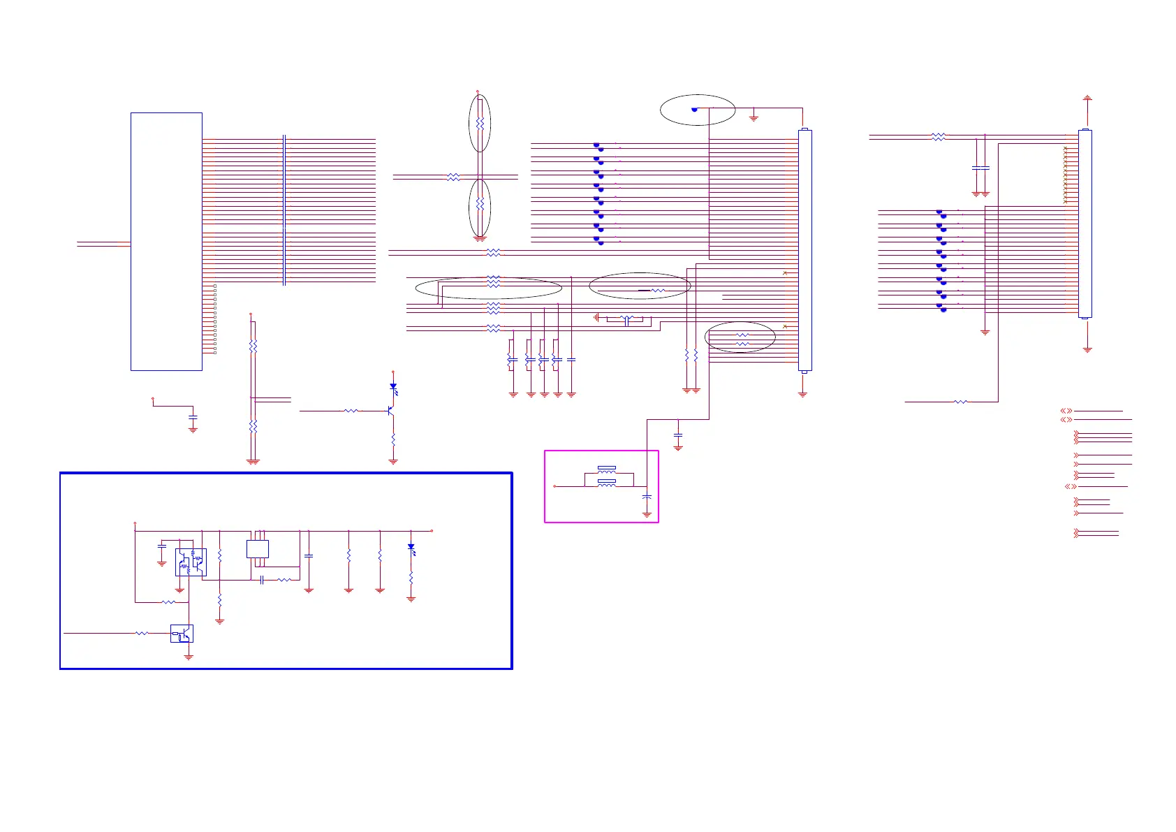
MT9970ATQQFC
U401-3
AVDD18_VB1
AE15
VB1_1P
AM12
VB1_1N
AL12
VB1_2P
AM11
VB1_2N
AL11
VB1_3P
AP11
VB1_3N
AN11
VB1_4P
AM10
VB1_4N
AL10
VB1_5P
AM9
VB1_5N
AL9
VB1_6P
AP9
VB1_6N
AN9
VB1_7P
AM8
VB1_7N
AL8
VB1_8P
AM7
VB1_8N
AL7
VB1_9P
AP7
VB1_9N
AN7
VB1_10P
AM6
VB1_10N
AL6
VB1_11P
AM5
VB1_11N
AL5
VB1_12P
AP5
VB1_12N
AN5
VB1_13P
AP4
VB1_13N
AN4
VB1_14P
AP3
VB1_14N
AN3
VB1_15P
AM1
VB1_15N
AM2
VB1_16P
AL3
VB1_16N
AL4
VB1_17P
AK3
VB1_17N
AK4
VB1_18P
AK1
VB1_18N
AK2
VB1_19P
AJ3
VB1_19N
AJ4
VB1_24P
AF1
VB1_20N
AH4
AVDD18_VB1
AE16
VB1_20P
AH3
VB1_21N
AH2
VB1_21P
AH1
VB1_22N
AG4
VB1_22P
AG3
VB1_23N
AF4
VB1_23P
AF3
VB1_24N
AF2
SOC-VB1-TX15N
R3351 100 OHM
CN1160
CONN 41P
1
2
3
4
5
6
7
8
9
10
11
12
13
14
15
16
17
18
19
20
21
22
23
24
25
26
27
28
29
30
31
32
33
34
35
36
37
38
39
40
41
4243
R3359 100 OHM
C3312 NC/100pF 50V
C3363 NC/100pF 50V
CTRL-DISP8_ON_RF
CTRL-DISP4_FW_GPIO
SOC-VB1-TX9N
SOC-VB1-TX10P
SOC-VB1-TX9P
SOC-VB1-TX10N
SOC-VB1-TX8P
SOC-VB1-TX12P
SOC-VB1-TX15P
SOC-VB1-TX13P
SOC-VB1-TX13N
SOC-VB1-TX11N
SOC-VB1-TX14N
SOC-VB1-TX12N
SOC-VB1-TX11P
SOC-VB1-TX14P
SOC-VB1-TX8N
AVDD18_VB1
Add on 20 1 8 /8 / 23
311GF050Z51ADC
SOC-HTPDn14
SOC-LOCKn14
SOC-LOCKn
SOC-HTPDn
CTRL-DISP7_ERROR_DET
CTRL-DISP6_JB_OF F-RS
CTRL-DISP9_EVDD_DET
CTRL-DISP8_ON_RF
CTRL-DISP4_FW_GPIO
CTRL-DISP9_EVDD_DET8
CTRL-DISP8_ON_RF8
CTRL-DISP4_FW_GPIO8
CTRL-DISP7_ERROR_DET8
CTRL-DISP6_JB_OFF-RS8
SOC-VB1-TX2N
SOC-VB1-TX6N
SOC-VB1-TX5N
SOC-VB1-TX4N
SOC-VB1-TX3N
SOC-VB1-TX0N
R3326 NC/10 OHM
R3327 NC/10 OHM
R3365 100 OHM
Screen_Sav e8
Screen_Sav e
Screen_Sav e
R33580R05 1/10W
R33600R05 1/10W
Upd a te d o n 20 2 0/ 2 /2 1
Upd a te d o n 20 2 0/ 5 /1 2
HTPDn
LOCKn
CN1162
CONN 51P
1
2
3
4
5
6
7
8
9
10
11
12
13
14
15
16
17
18
19
20
21
22
23
24
25
26
27
28
29
30
31
32
33
34
35
36
37
38
39
40
41
42
43
44
45
46
47
48
49
50
51
5253
SOC-VB1-TX7N
Data_Format _0
Data_Format _1
Data_Format_0
Data_Format_1
C3018100NF 16V
C3017100NF 16V
C3020100NF 16V
C3019100NF 16V
+3V3-AVDD
C3022100NF 16V
C3021100NF 16V
C3024100NF 16V
R3323NC/0R05 OHM
C3023100NF 16V
R3321NC/10K 5%
C3026100NF 16V
R3320NC/1K 5%
C3025100NF 16V
R3322NC/10K 5%
C3028100NF 16V
C3027100NF 16V
VB1_11N
VB1_13N
VB1_13P
VB1_9P
VB1_9N
VB1_10N
VB1_10P
VB1_15P
VB1_15N
VB1_11P
VB1_12P
VB1_12N
VB1_14N
VB1_14P
VB1_16P
VB1_16N
C3029100NF 16V
SOC-VB1-TX9n
SOC-VB1-TX8N
SOC-VB1-TX8P
SOC-VB1-TX11P
SOC-VB1-TX10P
SOC-VB1-TX10N
SOC-VB1-TX9P
SOC-VB1-TX13N
SOC-VB1-TX12P
SOC-VB1-TX12N
SOC-VB1-TX11N
SOC-VB1-TX14P
SOC-VB1-TX15N
SOC-VB1-TX15P
SOC-VB1-TX13P
C3030100NF 16V
SOC-VB1-TX14N
C3031100NF 16V
C3032100NF 16V
M T9 97 0 V x1 O U TP UT
CTRL-DISP6_JB_OFF-RS
DISP_SCL
DISP_SDA
CTRL-DISP7_ERROR_DET
CTRL-DISP9_EVDD_DET
EVDD_BL_ON
R3348 100 OHM
C3340NC/1nF 50V
R3349 100 OHM
C3362NC/100N16V
R3345 100 OHM
C3360NC/100pF 50V
R33550.05R
QSMEN
C3359NC/100pF 50V
C3003100NF 16V
C3334NC/100pF 50V
Upd a te d o n 20 2 0/ 7 /2
R3347 10 OHM
R3346 10 OHM

Related product manuals