EasyManua.ls Logo

Philips 49PUS6432/12 - Page 100

Philips 49PUS6432/12
111 pages
Print Icon
To Next Page IconTo Next Page
To Next Page IconTo Next Page
To Previous Page IconTo Previous Page
To Previous Page IconTo Previous Page
Loading...
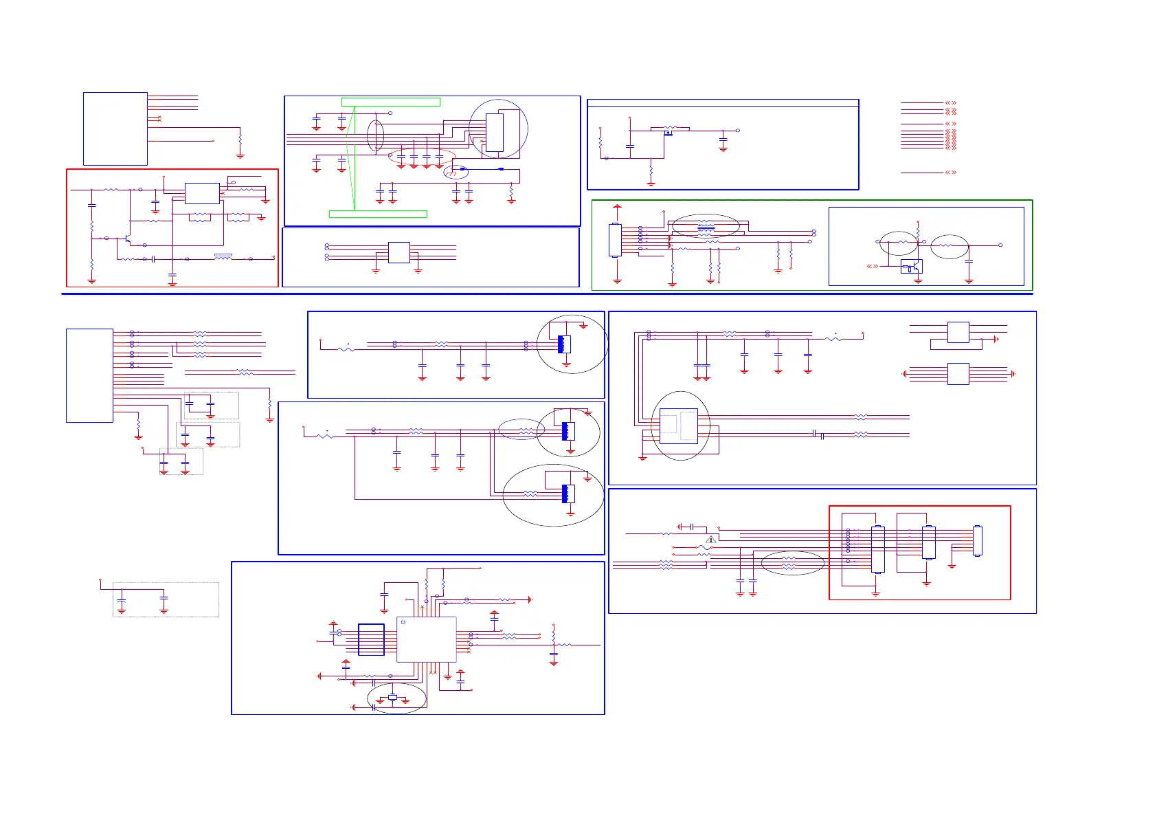
8-6-23 CTRL-ETHERNET-PHY
MT5593UGIJ
U9400-10
TXVP_0
W37
TXVN_ 0
W38
RXVN_1
Y38
RXVP_1
Y37
PHYLED1
AA34
PHYLED0
AB35
REXT
V38
AVDD33_ETH
P29
C8214NC/10000pF 50V
ETHERNET-TXp
Must be differential 100ohm
+3V3-LAN
R8235 0R05 OHM
ETHERNET-RXp
C8205
NC/10000pF 50V
TP8207
ETHERNET PHY
Must be differential 100ohm
Close to Main Chip
BT-IRQn
R8233
NC/10K+-5%1/16W
R8218 0R05 OHM
TP8215
R8220 0R05 OHM
LAN-PWR-EN 19
+5V-SW
t
TH8202 PTCR
1 2
+3V3-USB
USB-EXT1-Dp
USB-EXT1-Dn
USB-EXT2-Dp
TP8212
USB-EXT2-Dn
C8209
10UF 6.3V 20%
TP8440
C8202
100N16V
C8200
100N16V
+3V3
USB-EXT0-Dp
R8213 2R2 +-5% 1/16W
C8226
NC/100N16V
TP8480
Add on 2015/7/14 for HTV need
RJ45
R8214 2R2 +-5% 1/16W
C8213
10UF 6.3V 20%
R8238 NC/0R05 OHM
+3V3-USB
TP6122
R8246
0R05 OHM
C8216
NC/10PF 50V
TP8213
R8247
10K+-5%1/16W
+12V
Place onlocation with space
R8243 0R05 OHM
USB-EXT1-J-Dp
USB-EXT1-J-Dn
R8244 0R05 OHM
TP6124
USB-EXT1-Dp
USB-EXT1-Dn
USB-VRT-P0
C8215
NC/10PF 50V
Optional circuit
for WIFI-RESET
TP6125
WIFI-RESET
R8248
0R05 OHM
+3V3 -WI FI
USB PORT 2
C8241
10000pF 50V
TP8441
USB-EXT2-Dn-R
R8442 NC/0R05 OHM
+5V-SW
t
TH8201 PTCR
1 2
USB2. 0
USB3.0
CN1316
USB CONN 9P
HAND1
10
HAND2
11
VCC
1
D+
3
GND
4
D-
2
RXN
5
RXP
6
GND
7
TXN
8
TXP
9
USB-SS-TXp
C8203
10000pF 50V
t
TH8203
PTCR
1 2
USB-HUB-Dp
USB-HUB-Dn
ETHERNET-RXn
USB-SS-TXn
USB-SS-RXn
USB-SS-RXp
USB-WIFI-Dn
USB-EXT2-Dp
USB-EXT2-Dn
USB-WIFI-Dp
USB-RESETn
LED2
CN1112
NC/CONN
1
2
3
4
5
6
7
8
910
USB-CAMERA-Dp
TO CHASSIS-GND
R8437 NC/0R05 OHM
TP8474
C8231
NC/100N16V
R8229
NC/10OHM1/16W
ETHERNET-RXp
ETHERNET-TXp
R8232
NC/680R 1/16W 5%
TP8442
CS1 CON2SIG050
1 2
ETHERNET-RXn
R8436
NC/0R05 OHM
CN1111
NC/CONN
1
2
3
4
5
6
7
8
9
10
11
12
1314
+3V3
C8230
NC/ 100N16V
+3V3
USB
L8201
90OHM
1
4
2
3
USB-RESETn 19
+3V3
388G342H8B2VGN
USB-CAMERA-Dn
ETHERNET-TXn
USB-EXT0-Dn
TP8475
TP8443 TP8208
WIFI-IRQn 19
C8239
100N16V
TP8476
TP8444
USB-WIFI-Dn
BT-IRQn 19
Updated 18AC on 2015/6/4
USB-SS-TXp-R
TP8477
R1
R2
Q8202
NC/LMUN5211T1G
1
32
TP8449
USB-EXT1-Dp
TP8209
Updated on 2015/6/5
TP8469
updated on 2015/5/11
P/N : 388G342G8B4AGN
TP8465
TP8450
USB-EXT1-Dn
ETHERNET-RXp
C8201
10000pF 50V
TP8470
TP8478
TP8466
TP8451
USB-EXT0-Dp
+3V3-LAN
C8236
100N16V
SOC-I2S-SD0
TP8423
R8209
NC/0R05 OHM
TP8446
R8241 NC/0R05 OHM
R8242 NC/0R05 OHM
SOC-I2S-SD1
TP8452
USB-EXT0-Dn
Updated on 2015/07/24
Updated 18AC on 2015/6/4
SOC-I2S-SD2
C8218NC/10000pF 50V
1234
CN1314
USB CONN
1
2
3
4
65
Updated on 2015/5/18
LAN-PWR-EN
R8245
0R05 OHM
R8249
22K 1/16W
FB8200
120R 3A
1 2
R8250
68K 1/16W 1%
R8251
47K 1/16W
R8252
100K 1/16W
+3V3-LAN
ETHERNET-TXp
R8253
NC/1M 1/16W
TP8471
TP8216
TP8217
Q8203
LBC847BWT1G
R8254
NC/4. 7K 1/ 16W
U8203
RT9187GSP
VIN
1
VIN
2
VOUT
3
VOUT
4
BP/ADJ
5
GND
6
NC
7
EN
8
GND
9
TP8218
+3V5-SB
+1V0-USB-SS
R8255
470KOHM 5% 1/16W
LAN-PWR-EN
C8249
100N16V
C8247
22UF 6.3V
TP8219
R8256
22K 1/16W
TP8220
C8248
22UF 6.3V
C4462
47N16V
TP8424
TP8221
Updated on 2015/5/18
C8234
NC/100N16V
1234
CN1315
USB CONN
1
2
3
4
65
C8237
100N16V
TP8425
R8237 0R05 OHM
USB-EXT1-J-Dn
USB-EXT1-J-Dp
R8236 0R05 OHM
+3V3
R8210
10K+-5%1/16W
TP8445
NEAR USB PORTS
C8243
NC/100N16V
TP8426
R8207
NC/10K+-5%1/16W
WIFI-RESET
TP8447
TP8453
TP8427
R8206
NC/10K+-5%1/16W
C8206
NC/1uF 25V
TP8448
C8244
NC/100N16V
TP8467
SOC-I2S-SD1
TP8428
SOC-I2S-SD1 18,22
TP8454
R8208
10K+-5%1/16W
Add on 2015/7/14 for CTV need
C8235NC/10000pF 50V
C8204
NC/1uF 25V
USB-SS-RXp-R
USB-EXT2-Dp-R
USB-SS-RXn-R
USB-SS-TXn-R
USB-SS-TXp-R
USB-EXT2-Dn-R
USB-EXT2-Dp-R
USB-EXT2-Dn-R
USB-SS-RXp-R
USB-SS-RXn-R
R8433 NC/0R05 OHM
USB-SS-TXp-R
USB-SS-TXn-R
U8251
NC/AOZ8802ADI
CH1
1
CH2
2
VN
3
VN
4
NC
5
NC
6
C8207
NC/10000pF 50V
U8252
NC/AOZ8804DI
CH1
1
CH2
2
VN
3
CH3
4
CH4
5
NC
6
NC
7
VN
8
NC
9
NC
10
C8245
NC/100N16V
USB-EXT1-Dp-R
SOC-I2S-SD2
SOC-I2S-SD2 18,22
TP8429
TP8468
1234
CN1320
NC/USB CONN
1
2
3
4
65
R8434 NC/0R05 OHM
WIFI-RESETn7
C8246
NC/100N16V
C8238
100N16V
R8260 0R05 1/16W
R8261 0R05 1/16W
C9445
NC/10UF 16V
LAN-PWR-EN
R8435 NC/0R05 OHM
CN1113
NC/CONN
1
2
3
4
5
6
7
+3V3 -WI FI
current 900mA
current 750mA
current 750mA
CN1110
CONN
1
2
3
4
5
6
7
8
910
R8211
NC/0R05 OHM
TP8431
TP8204
Add on 2015/07/24
TP8210
C8208NC/10000pF 50V
CN1313
RJ45 8P
P1
1
P2
2
P3
3
P4
4
P5
5
P6
6
P7 NC
7
P8
8
TH2
10
TH1
9
ETHERNET-TXp
ETHERNET-TXn
R8228
NC/10K+-5%1/16W
R8230 NC/10K+-5%1/16W
ETHERNET-RXn
LED2 19,23
USB-RESETn
TP8479
ETHERNET-RXp
R8231 NC/10K+-5%1/16W
+3V3-STANDBY
USB CAMERA
R8258 NC/0R05 1/16W
+3V3
ETHERNET-TXn
R8259 NC/0R05 1/16W
SOC-I2S-MCLK 17,18,22
SOC-I2S-MCLK
C8232
NC/18pF 50V
R8225
NC/ 10K+-5%1/16W
EQUAL LENGTH and
DIFFERENTIAL
IMPEDANCE 90ohm
SOC-I2S-SD0
SOC-I2S-SD0 17,18,22
C8233
NC/18pF 50V
USB HUB
SOC-I2S-LRCK
Replacement for ESD protection device IP4294CZ10-TBR
SOC-I2S-LRCK 17,18,22
R8227
NC/100K 1/16W
TP8461
TP8205
R8257
4.7K 1/16W
R8439 NC/0R05 OHM
NC/GL850G-OHG
U8202
DP0
2
DM1
3
DP1
4
AVDD
5
DM2
6
DP2
7
DP4
16
DVDD
21
OVCUR3#
20
OVCUR4#
19
TEST/SCL
18
DM0
1
DM4
15
RESET#
17
RREF
8
AVDD
9
XTAL1
10
XTAL2
11
DM3
12
DP3
13
AVDD
14
V33
28
V5
27
SDA
26
OVCUR1#
25
OVCUR2#
24
PGANG
23
PSELF
22
P
29
R8226
NC/ 10K+-5%1/16W
SOC-I2S-BCLK
SOC-I2S-BCLK 17,18,22
C8227
NC/100N16V
WIFI-IRQn
EQUAL LENGTH and
DIFFERENTIAL
IMPEDANCE 90ohm
USB-HUB-Dn
TP8437
USB-EXT0-Dp-R
WIFI-IRQn
+3V3
Connectors should be placed
on top of eachother in layout
+3V3 -WI FI
R8204
10OHM1/16W
BT-IRQn
Wi-Fi Control
R8234 0R05 OHM
R8202 0R05 OHM
USB-WIFI-Dp
+3V3-W IFI
USB-HUB-Dp
SOC-I2S-LRCK
USB-CAMERA-Dn
TP8462
F8200 NC/T 2A 63V
1 2
SOC-I2S-MCLK
SOC-I2S-BCLK
R8240
100K 1/16W
+5V-SW
USB-EXT2-Dp-R
Prevent USB leakage from WIFI module
+3V3
USB-EXT1-Dn-R USB-SS-TXn-R
Q8201
AO3414
+3V3-USB
R8441 NC/0R05 OHM
+3V3-USB Power
Use wide track 0.5mm for local +3V3 and +3V3-USB
Position FET close to Soc AVDD33_USB/AVDD33SS_USB pins
Also 100nF close to Soc pins
R8239
1K 1/16W
C8240
NC/10000pF 50V
USB-SS-RXp-R
+3V3
TP8438
Place close to RJ45 connector on Top layer
USB-CAMERA-Dp
LED2
USB-EXT0-Dn-R
EQUAL LENGTH and
DIFFERENTIAL
IMPEDANCE 90ohm
+3V3
USB-EXT0-Dn
USB-SS-RXn
+3V3-USB
USB-SS-RXp
USB-EXT0-Dp
Near SOC
+3V3
TP8455
USB-SS-VRT
X8 20 0
NC/12MHZ
1
24
3
Near SOC
TP8463
+5V-SW
R8219
5K1 1/16W 5%
C8223
NC/100N16V
C8228
1UF 6.3V
C8225
100N16V
TP8439
R8215 2R2 +-5% 1/16W
TP8206
Updated 18AC on 2015/6/4
MT5593UGIJ
U9400-9
USB_DP_P0
A16
USB_DM_P0
B16
USB_DP_P1
A17
USB_DM_P1
B17
USB_DP_P2
C31
USB_DM_P2
D31
USB_DP_P3
AA37
USB_DM_P3
AA38
AVDD33_USB
N28
AVDD33_SSUSB
A33
SSUSB_TXP
B34
SSUSB_TXN
A34
SSUSB_RXP
B32
SSUSB_RXN
A32
AVDD10_SSUSB
A31
SSUSB_VRT
A35
USB_VRT_P0
B15
C8222
1UF 6.3V
C8229
100N16V
R8216 2R2 +-5% 1/16W
U8201
NC/AOZ8804DI
CH1
1
CH2
2
VN
3
CH3
4
CH4
5
NC
6
NC
7
VN
8
NC
9
NC
10
C8211
NC/10PF 50V
C8224
1UF 6.3V
R8217
5K1 1/16W 5%
C8212
NC/10PF 50V
R8201 NC/2R2 +-5% 1/16W
R8200 NC/2R2 +-5% 1/16W
+3V3
+1V0-AVDD
Change 2015/01/27
USB3.0
TP8464
NEAR SOC
C8219
100N16V
R8221 2R2 +-5% 1/16W
R8223
0R05 OHM
R8224
0R05 OHM
R8222 2R2 +-5% 1/16W
USB-SS-TXp
USB-SS-TXn
C8217
100N16V
+5V-SW
C8221
NC/10PF 50V
C8220
NC/10PF 50V
USB-SS-RXn-R
USB PORT 1
Updated on 2015/5/21
EQUAL LENGTH and
DIFFERENTIAL
IMPEDANCE 90ohm
TP8222
CU3/CU4 is reserved
for performance .
EQUAL LENGTH and
DIFFERENTIAL
IMPEDANCE 90ohm
USB PORT 0
TP8211
EQUAL LENGTH and
DIFFERENTIAL
IMPEDANCE 90ohm
ETHERNET-RXn
Add on 2015/6/9
CU3/CU4 is reserved
for performance .
SEPARATE GROUND
REXT
+
C8210
100UF 16V
ETHERNET-TXn
R8203
24K1/16W

Related product manuals